Подобрать оригинальные запчасти на лодочный мотор Suzuki DF15S/L; DF15RS/L модель 2008 года - Tiller handle
вконтакте

Контактный телефон: +7 (981) 121-46-93, +7 (800) 200-90-76 , Email: parts-katalog@yandex.ru, где купить

 
 

  Логин:

Пароль:

Регистрация

www.partskatalog.ru Все каталоги Запчасти Mercury Запчасти Suzuki Запчасти Tohatsu Запчасти Honda Контакты



УВАЖАЕМЫЕ КЛИЕНТЫ!
C 19 ДЕКАБРЯ 2025 ПО 02 МАРТА 2026 ГОДА ОТДЕЛ ЗАПЧАСТЕЙ И СЕРВИС РАБОТАТЬ НЕ БУДУТ
ПРОДАЖА ЛОДОЧНЫХ МОТОРОВ В ШТАТНОМ РЕЖИМЕ
ОБ ИЗМЕНЕНИЯХ В ГРАФИКЕ РАБОТЫ ЧИТАЙТЕ НА САЙТА



назад Раздел:   вперёд

Вернуться к выбору узлов мотора


ДЕТАЛИРОВКА ДЛЯ МОДЕЛИ: SUZUKI DF15S K8

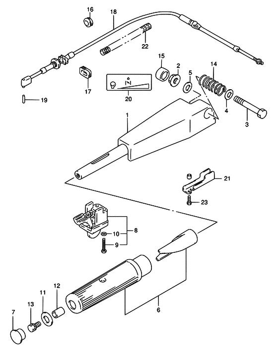
Румпель


Код модели двигателя: DF15S/L; DF15RS/L

Год выпуска двигателя: 2008

Цвет: Shadow Black Metallic

Номер на
рисунке
АртикулНаименованиеQTYКол-во
на складе
Цена
163111-93E10-0EP

Ручка румпеля (чёрный) - Handle, Tiller (black) (Рукоятка управления (чёрная))

под заказ19990 руб.
209159-10050-000

Гайка - Nut (Гайка)

8 шт250 руб.
309100-10208-000

Болт (10x70) - Bolt (10x70) (Bolt)

под заказ1380 руб.
409160-10097-000

Шайба (10.5x22x2.5) - Washer (105x22x25) (Washer # ) (Шайба 10.5X22X)

под заказ240 руб.
509161-10012-000

Шайба (10.5x32x1.5) - Washer (105x32x15) (Washer (10.5x32x1.5) # ) (Шайба)

под заказ0 руб.
663200-93E00-000

Рукоятка в сборе, Handle - Grip Assy, Handle (Рукоятка)

под заказ5280 руб.
763213-94400-000

Колпачок, Stop Переключатель - Cap, Stop Switch (Cap, stop switch # ) (Крышка переключателя)

под заказ910 руб.
863240-93E00-000

Регулировка ручки румпеля - Adjuster, Handle Grip (Регулятор руля)

под заказ5040 руб.
963247-93E00-000

Винт, Handle Рукоятка Регулятор - Screw, Handle Grip Adjuster (Болт)

под заказ0 руб.
1063248-93E10-000

Шайба, Handle Рукоятка Регулятор - Washer, Handle Grip Adjuster (Шайба)

под заказ0 руб.
1109160-08081-000

Шайба (8.5x23x1.5) - Washer (85x23x15) (Washer, clutch lever # ) (Шайба)

4 шт210 руб.
1209180-08173-000

Проставка (8.6x16x20) - Spacer (86x16x20) (Spacer, handle grip end # ) (Прокладка ручки)

под заказ690 руб.
1309117-08071-000

Болт (8x35) - Bolt (8x35) (Bolt (8x35) # ) (Болт, 8X35)

под заказ570 руб.
1409440-22008-000

Пружина - Spring (Spring, tiller handle brkt # ) (Пружина)

под заказ1460 руб.
1509251-09002-000

Колпачок (od: 13.6) - Cap (od:136) (Cap)

под заказ260 руб.
1509251-09008-000

   (актуальный код замены) Колпачок (od: 13.6) - Cap (od:13.6)

под заказ260 руб.
1609308-08013-000

Пыльник - Grommet (Grommet, throttle cable # ) (Grommet)

10 шт260 руб.
1609308-08017-000

   (актуальный код замены) Пыльник - Grommet

9 шт220 руб.
1763625-94300-000

Крышка тросика дросселя - Cap, Throttle Cable (Plug, switch leads # DF15R # ) (Заглушка переключателя)

под заказ340 руб.
1763625-94301-000

   (актуальный код замены) Крышка тросика дросселя - Cap, Throttle Cable

под заказ340 руб.
1863610-93E20-000

Тросик дросселя - Cable, Throttle (Cable, throttle # ) (Кабель дросселя)

3 шт8930 руб.
1963216-93E00-000

Штифт кабеля дросселя - Pin, Throttle Cable (Штифт кабеля)

под заказ480 руб.
2069714-93E11-000

Маркировка - запуск двигателя - Mark, Engine Start (Маркировка стартера)

под заказ440 руб.
2163125-93E01-000

Стопор, Румпель - Stopper, Tiller Handle (Stopper, tiller handle # ) (Ручка стопорная)

под заказ1410 руб.
2263615-93E00-000

Трубка тросика дросселя - Tube, Throttle Cable (Трубка кабеля)

под заказ360 руб.
2309100-06131-000

Болт (6x12) - Bolt (6x12) (Bolt # ) (Болт 6X12)

под заказ160 руб.


Время выполнения запроса 3.1446561813354 сек.

 
 

данный сайт носит информационный характер и не является публичной офертой

склад запчастей для водомоторной техники