Запчасти на лодочный мотор Сузуки модель 2010 года - Fuel tank - Топливный бак
вконтакте

Контактный телефон: +7 (981) 121-46-93, +7 (800) 200-90-76 , Email: parts-katalog@yandex.ru, где купить

 
 

  Логин:

Пароль:

Регистрация

www.partskatalog.ru Все каталоги Запчасти Mercury Запчасти Suzuki Запчасти Tohatsu Запчасти Honda Контакты



УВАЖАЕМЫЕ КЛИЕНТЫ!
C 19 ДЕКАБРЯ 2025 ПО 02 МАРТА 2026 ГОДА ОТДЕЛ ЗАПЧАСТЕЙ И СЕРВИС РАБОТАТЬ НЕ БУДУТ
ПРОДАЖА ЛОДОЧНЫХ МОТОРОВ В ШТАТНОМ РЕЖИМЕ
ОБ ИЗМЕНЕНИЯХ В ГРАФИКЕ РАБОТЫ ЧИТАЙТЕ НА САЙТА



назад Раздел:   вперёд

Вернуться к выбору узлов мотора


ДЕТАЛИРОВКА ДЛЯ МОДЕЛИ: SUZUKI DF15SK10(P1) K10

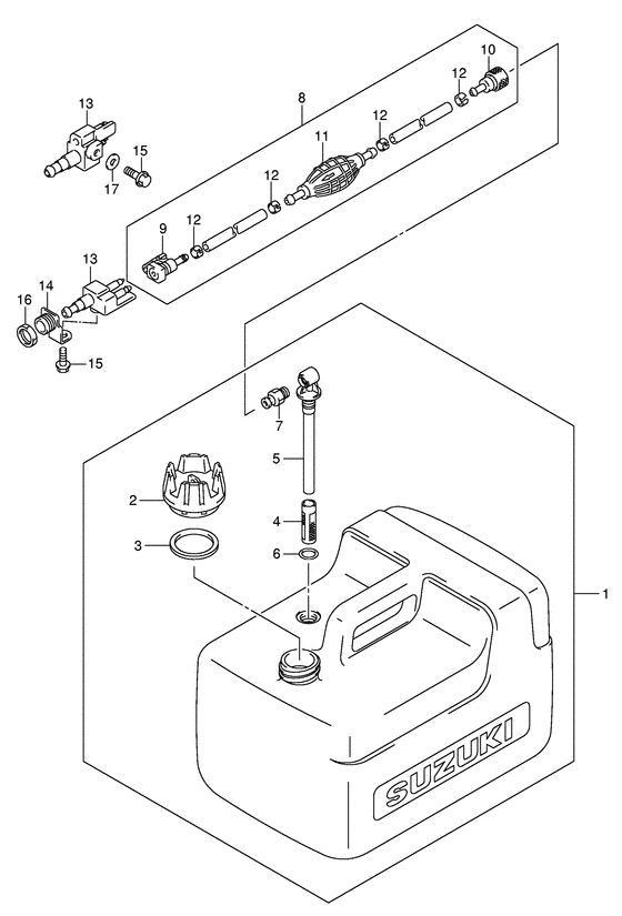
Топливный бак


Год выпуска двигателя: 2010

Номер на
рисунке
АртикулНаименованиеQTYКол-во
на складе
Цена
165000-99100-000

Топливный бак в сборе (12 литров) - Tank Assy, Fuel (12l) (Tank assy, fuel (12l) # Tank assy, fuel (12l); # ) (Бак топливный (12L))

под заказ15700 руб.
265520-99100-000

Крышка горловины топливного бака, в сборе - Cap Assy, Fuel Tank (Cap assy, fuel tank # Cap assy, fuel tank; # ) (Крышка топливного бака)

1 шт5480 руб.
365561-95D00-000

Прокладка крышка топливного бака - Gasket, Tank Cap (Gasket, tank cap # Gasket, tank cap; # ) (Прокладка бака)

1 шт430 руб.
465831-95D00-000

Выходной фильтр - Filter, Outlet (Filter, outlet # Filter, outlet; # ) (Фильтр топливный)

5 шт1270 руб.
565890-99100-000

выход в сборе - Outlet Assy (Outlet # ) (Выход)

под заказ4950 руб.
665892-95D00-000

Уплотнительное кольцо топливного выхода - O Ring, Fuel Outlet (O-ring, fuel outlet # ) (Кольцо топливного выхода)

под заказ440 руб.
765740-99100-000

Разъем топливного коннектора - Plug, Fuel Connector (Заглушка топливного соединения)

8 шт3530 руб.
7SF80210-3

   (не оригинальный аналог) Адаптер топливный SUNFINE тип Suzuki, Mercury, Tohatsu 65740-99100

под заказ1270 руб.
865700-91J13-000

Топливный шланг (от бака до коннектораector) - Hose, Fuel (tank To Connector)

2 шт14310 руб.
865700-94JD5-000

   (актуальный код замены) Топливный шланг (от бака до коннектора) - Hose, Fuel (tank To Conn)

под заказ14310 руб.
865700-94JD1-000

Топливный шланг (от бака до коннектораector) - Hose, Fuel (tank To Connector) (Hose comp, fuel (tank to conn))

под заказ14310 руб.
865700-94JD5-000

   (актуальный код замены) Топливный шланг (от бака до коннектора) - Hose, Fuel (tank To Conn)

под заказ14310 руб.
965750-87J11-000

Разъём топливного шланга - Socket, Fuel Hose (Socket, fuel hose; # ) (Переходник топливный)

9 шт2930 руб.
9SF80212-7

   (не оригинальный аналог) Коннектор топливный SUNFINE тип Suzuki, Johnson, Evinrude, OMC, Honda, 9мм, 775641

под заказ1240 руб.
1065750-98505-000

Разъём топливного шланга - Socket, Fuel Hose (Socket, fuel hose (out) # Socket, fuel hose; # ) (Гнездо топливного шланга)

2 шт3240 руб.
1065750-98506-000

   (актуальный код замены) Разъём топливного шланга - Socket, Fuel Hose

под заказ3240 руб.
1165770-93904-000

Запчасть снята с производства - The Spare Part Is Laid Off

под заказ0 руб.
1265781-98500-000

Зажим топливного шланга - Clip, Fuel Hose (Clip # ) (Крепёж шланга)

9 шт350 руб.
1365720-986B0-000

Разъем топливного коннектора - Plug, Fuel Connector

под заказ5810 руб.
1365720-986L0-000

   (актуальный код замены) Разъем топливного коннектора - Plug, Fuel Connector

5 шт6330 руб.
1365720-986L0-000

Разъем топливного коннектора - Plug, Fuel Connector (Plug, fuel connector)

5 шт6330 руб.
1465760-93E01-000

Кронштейн, Топливный коннектор - Bracket, Fuel Connector (Model:04 # ) (Кронштейн топливного соедилителя)

под заказ3220 руб.
1509103-06237-000

Болт (6x12.5) - Bolt (6x125) (Bolt, fuel connector plug # ) (Bolt (6x12.5))

под заказ260 руб.
1609140-16033-000

Гайка - Nut (Model:04 # ) (Гайка)

под заказ230 руб.
1709160-06085-000

Шайба (6.5x15x1) - Washer (65x15x1) (Washer (6.5x15x1.0) # Model:05~ # ) (Шайба)

под заказ120 руб.


Время выполнения запроса 1.3056311607361 сек.

 
 

данный сайт носит информационный характер и не является публичной офертой

склад запчастей для водомоторной техники