| |
 |
|
 |
Вернуться к выбору узлов мотора
ДЕТАЛИРОВКА ДЛЯ МОДЕЛИ: SUZUKI DF15RS K10
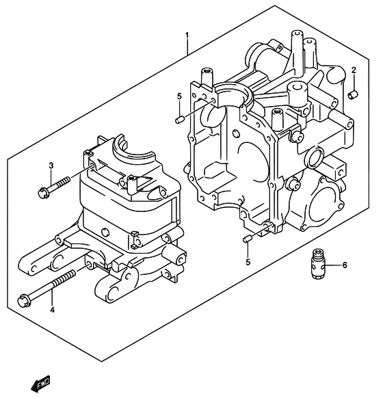
Блок цилиндра
Код модели двигателя: DF15S/L; DF15RS/L
Год выпуска двигателя: 2010
Цвет: Shadow Black Metallic
Номер на рисунке | Артикул | Наименование | QTY | Кол-во на складе | Цена |
| 1 | 11301-94J00-000 | Блок цилиндра в сборе - Block Assy, Cylinder (Блок цилиндров) | | 1 шт | 198720 руб. |
| 1 | 11300-94810-000 | (актуальный код замены) Блок цилиндра и установочные шайбы - Block & Washer Set, Cylinder | | под заказ | 198720 руб. |
| 2 | 09205-11004-000 | Стопор пружины (11.8x10) - Pin, Spring (118x10) (Pin (11.8x10)) | | под заказ | 510 руб. |
| 3 | 01550-06357-000 | Болт - Bolt (Bolt, throttle lever no.2 # ) (Bolt) | | 9 шт | 210 руб. |
| 4 | 01560-08757-000 | Болт - Bolt (Bolt) | | под заказ | 290 руб. |
| 5 | 04211-11129-000 | Штифт - Pin (Pin) | | 14 шт | 150 руб. |
| 6 | 16440-11D00-000 | Регулятор, Моторное масло (6.5k) - Regulator, Engine Oil (65k) (Regulator, engine oil # ) (Регулятор масла двигателя) | | под заказ | 3650 руб. |
| 6 | 16440-94JL0-000 | Регулятор, Моторное масло (6.5k) - Regulator, Engine Oil (65k) (DF15:110001~ # ) | | под заказ | 3650 руб. |
| 6 | 16440-11D00-000 | (актуальный код замены) Регулятор, Моторное масло (6.5k) - Regulator, Engine Oil (6.5k) | | под заказ | 3650 руб. |
| 6 | 16440-11D00-000 | Регулятор, Моторное масло (6.5k) - Regulator, Engine Oil (65k) (Regulator, engine oil # ) (Регулятор масла двигателя) | | под заказ | 3650 руб. |
Время выполнения запроса 0.61368584632874 сек. |
|