Подобрать оригинальные запчасти на лодочный подвесной мотор Suzuki DF15S/L; DF15RS/L - Поворотный кронштейн
вконтакте

Контактный телефон: +7 (981) 121-46-93, +7 (800) 200-90-76 , Email: parts-katalog@yandex.ru, где купить

 
 

  Логин:

Пароль:

Регистрация

www.partskatalog.ru Все каталоги Запчасти Mercury Запчасти Suzuki Запчасти Tohatsu Запчасти Honda Контакты



УВАЖАЕМЫЕ КЛИЕНТЫ!
C 19 ДЕКАБРЯ 2025 ПО 02 МАРТА 2026 ГОДА ОТДЕЛ ЗАПЧАСТЕЙ И СЕРВИС РАБОТАТЬ НЕ БУДУТ
ПРОДАЖА ЛОДОЧНЫХ МОТОРОВ В ШТАТНОМ РЕЖИМЕ
ОБ ИЗМЕНЕНИЯХ В ГРАФИКЕ РАБОТЫ ЧИТАЙТЕ НА САЙТА



назад Раздел:   вперёд

Вернуться к выбору узлов мотора


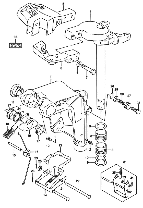
ДЕТАЛИРОВКА ДЛЯ МОДЕЛИ: SUZUKI DF15RS K10

Поворотный кронштейн


Код модели двигателя: DF15S/L; DF15RS/L

Год выпуска двигателя: 2010

Цвет: Shadow Black Metallic

Номер на
рисунке
АртикулНаименованиеQTYКол-во
на складе
Цена
143111-93931-0EP

Поворотный кронштейн - Bracket, Swivel

под заказ21320 руб.
143111-93933-0EP

   (актуальный код замены) Поворотный кронштейн - Bracket, Swivel

1 шт21320 руб.
143111-93933-0EP

Поворотный кронштейн - Bracket, Swivel (Кронштейн шарнирного соединения)

1 шт21320 руб.
222511-99010-000

Ниппель смазки - Nipple, Grease

под заказ340 руб.
222511-99011-000

   (актуальный код замены) Ниппель смазки - Nipple, Grease

9 шт400 руб.
222511-99011-000

Ниппель смазки - Nipple, Grease (Ниппель)

9 шт400 руб.
343711-93901-000

Втулка рулевой системы - Bush, Steering

под заказ350 руб.
343711-99J00-000

   (актуальный код замены) Втулка рулевой системы - Bush, Steering

15 шт370 руб.
343711-99J00-000

Втулка рулевой системы - Bush, Steering (Втулка)

15 шт370 руб.
443750-93E21-0EP

Кронштейн рулевого управления (чёрный) - Bracket, Steering (black)

под заказ0 руб.
443750-93E23-0EP

   (актуальный код замены) Запчасть снята с производства - The Spare Part Is Laid Off

под заказ0 руб.
443750-93E23-0EP

Кронштейн рулевого управления (чёрный) - Bracket, Steering (black) (Bracket comp, steering)

под заказ0 руб.
443750-93E22-0EP

Кронштейн рулевого управления (чёрный) - Bracket, Steering (black) (DF15:423982~ # )

под заказ0 руб.
443750-93E23-0EP

   (актуальный код замены) Запчасть снята с производства - The Spare Part Is Laid Off

под заказ0 руб.
443750-93E23-0EP

Кронштейн рулевого управления (чёрный) - Bracket, Steering (black) (Bracket comp, steering)

под заказ0 руб.
543761-93E11-0EP

Кронштейн, Handle - Bracket, Handle (Bracket, handle # ) (Bracket, handle (black))

под заказ29520 руб.
643755-93E02-0EP

Соединитель кронштейна рулевой системы (bl - Attachment, Steering Bracket (bl (DF15R # ) (Кронштейн фиксации)

под заказ8500 руб.
709100-08296-000

Болт (8x50) - Bolt (8x50) (Bolt (8x50))

18 шт0 руб.
809160-08082-000

Шайба (8.5x16x1.2) - Washer (85x16x12) (Шайба)

13 шт120 руб.
909160-27009-000

Шайба (27.5x47x2) - Washer (275x47x2)

под заказ320 руб.
909160-27013-000

   (актуальный код замены) Шайба (27.5x47x2) - Washer (27.5x47x2)

9 шт350 руб.
909160-27013-000

Шайба (27.5x47x2) - Washer (275x47x2) (Washer, 27.5x47x2)

9 шт350 руб.
1009280-27004-000

Уплотнительное кольцо (d: 3.1, Id: 26.2) - O Ring (d:31, Id:262) (O ring # ) (O ring (d:3.1, id:26.2))

25 шт150 руб.
1143211-94401-000

Втулка поворотного кронштейна - Bush, Swivel Bracket

под заказ1450 руб.
1143211-87JL0-000

   (актуальный код замены) Втулка поворотного кронштейна - Bush, Swivel Bracket

8 шт1770 руб.
1143211-87JL0-000

Втулка поворотного кронштейна - Bush, Swivel Bracket (Bush, swivel bracket)

8 шт1770 руб.
11SK43211-87JL0

   (не оригинальный аналог) Втулка поворотного механизма Skipper для Suzuki DT9,9-15/ DF9,9-DF30a

0 шт148 руб.
1209125-06063-000

Винт (6x10) - Screw (6x10) (Screw (6x10) # ) (Винт 6X10 (SUS))

6 шт190 руб.
1345231-93901-000

Рычаг блокировки реверса - Arm, Reverse Lock

под заказ790 руб.
1345231-90L00-000

   (актуальный код замены) Рычаг блокировки реверса - Arm, Reverse Lock

под заказ990 руб.
1345231-90L00-000

Рычаг блокировки реверса - Arm, Reverse Lock (Arm, reverse lock)

под заказ990 руб.
1445241-93901-000

Тяга рычага блокировки реверса - Link, Reverse Lock Arm

под заказ790 руб.
1445241-90L00-000

   (актуальный код замены) Тяга рычага блокировки реверса - Link, Reverse Lock Arm

1 шт790 руб.
1445241-90L00-000

Тяга рычага блокировки реверса - Link, Reverse Lock Arm (Link, reverse lock arm)

1 шт790 руб.
1541225-94501-000

Стопор пружины блокировки наклона - Pin, Tilt Lock Spring

под заказ570 руб.
1541225-94502-000

   (актуальный код замены) Стопор пружины блокировки наклона - Pin, Tilt Lock Spring

под заказ570 руб.
1541225-94502-000

Стопор пружины блокировки наклона - Pin, Tilt Lock Spring (Pin, tilt lock spring)

под заказ570 руб.
1645250-89E01-000

Освобождающая тяга - Link, Release (Тяга)

1 шт1000 руб.
1645250-90L00-000

   (актуальный код замены) Освобождающая тяга - Link, Release

1 шт1000 руб.
1709306-22006-000

Втулка (22.6x27x8) - Bush (226x27x8) (Bush # ) (Втулка выключателя)

4 шт300 руб.
1759315-94J00-000

   (актуальный код замены) Втулка рычага блокировки - Bush, Release Lever

4 шт300 руб.
1845255-93001-000

Резинка рычага блокировки - Rubber, Release Lever (Резинка)

под заказ390 руб.
1945261-94400-000

Освобождающий рычаг - Lever, Release

под заказ960 руб.
1945261-92L00-000

   (актуальный код замены) Освобождающий рычаг - Lever, Release

под заказ960 руб.
1945261-92L00-000

Освобождающий рычаг - Lever, Release (Lever, release)

под заказ960 руб.
2009160-06082-000

Шайба (6.5x13x1.0) - Washer (65x13x10) (Washer # ) (Шайба)

7 шт150 руб.
2109200-05014-000

Штифт - Pin (Pin)

7 шт370 руб.
2209200-06061-000

Штифт - Pin (Pin # ) (Pin (sus))

9 шт780 руб.
2345247-94J00-000

Штифт - Pin

под заказ130 руб.
2309204-01002-000

   (актуальный код замены) Штифт - Pin

24 шт140 руб.
2309204-01002-000

Штифт - Pin (Cotter pin # ) (Стопор)

24 шт140 руб.
2445267-94J00-000

Пружина, Release Соединитель - Spring, Release Link (Пружина)

под заказ230 руб.
2545212-93E00-000

Пружина рычага блокировки задней передачи - Spring, Reverse Lock Arm

под заказ560 руб.
2545212-94J01-000

   (актуальный код замены) Пружина рычага блокировки задней передачи - Spring, Reverse Lock Arm

под заказ560 руб.
2545212-94J01-000

Пружина рычага блокировки задней передачи - Spring, Reverse Lock Arm (Spring, rev lock arm)

под заказ560 руб.
2643411-93900-000

Пластина рулевого управления Регулятор - Plate, Steering Adjuster

под заказ170 руб.
2643411-939L0-000

   (актуальный код замены) Пластина рулевого управления Регулятор - Plate, Steering Adjuster

6 шт200 руб.
2643411-939L0-000

Пластина рулевого управления Регулятор - Plate, Steering Adjuster (Plate, steering adjuster)

6 шт200 руб.
2743412-94J00-000

Крышка регулировки рулевой системыer - Cover, Steering Adjuster

под заказ340 руб.
2743412-93901-000

   (актуальный код замены) Крышка регулировки рулевой системыer - Cover, Steering Adjuster

под заказ340 руб.
2743412-93900-000

Крышка регулировки рулевой системыer - Cover, Steering Adjuster (Cover, steering adjust # ) (Крышка регулятора)

под заказ340 руб.
2743412-93901-000

   (актуальный код замены) Крышка регулировки рулевой системыer - Cover, Steering Adjuster

под заказ340 руб.
2809100-08232-000

Болт (8x30) - Bolt (8x30) (Bolt)

6 шт350 руб.
2909160-08082-000

Шайба (8.5x16x1.2) - Washer (85x16x12) (Шайба)

13 шт120 руб.
3043419-94J00-000

Пружина регулятора рулевой системы - Spring, Steering Adjuster

под заказ190 руб.
3029440-93J00-000

   (актуальный код замены) Пружина регулятора рулевой системы - Spring, Steering Adjuster

под заказ190 руб.
3029440-93J00-000

Пружина регулятора рулевой системы - Spring, Steering Adjuster (Пружина регулятора)

под заказ190 руб.
3145700-93E00-000

Shallow Drive в сборе - Shallow Drive Assy

под заказ6870 руб.
3145700-93E01-000

   (актуальный код замены) Shallow Drive в сборе - Shallow Drive Assy

под заказ6870 руб.
3145700-93E01-000

Shallow Drive в сборе - Shallow Drive Assy (Вал)

под заказ6870 руб.
3209160-06082-000

Шайба (6.5x13x1.0) - Washer (65x13x10) (Washer # ) (Шайба)

7 шт150 руб.
3309200-06068-000

Штифт (6x18.2) - Pin (6x182) (Shaft, shallow drive arm # ) (Вал ручки)

под заказ330 руб.
3409204-01006-000

Штифт - Pin (Pin, cotter # ) (Pin)

14 шт150 руб.
3509443-08031-000

Пружина - Spring (Пружина)

под заказ520 руб.
3621131-96010-000

Маркировка переключателя сцепления - Mark, Clutch Shift (Mark, shift # ) (Маркировка)

под заказ160 руб.
3621131-91J00-YAY

   (актуальный код замены) Маркировка переключателя сцепления - Mark, Clutch Shift

2 шт160 руб.


Время выполнения запроса 2.0911228656769 сек.

 
 

данный сайт носит информационный характер и не является публичной офертой

склад запчастей для водомоторной техники