| |
 |
|
 |
Вернуться к выбору узлов мотора
ДЕТАЛИРОВКА ДЛЯ МОДЕЛИ: SUZUKI DF15S K10
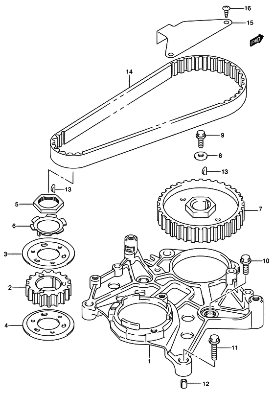
Ремень распредвала
Код модели двигателя: DF15S/L; DF15RS/L
Год выпуска двигателя: 2010
Цвет: Shadow Black Metallic
Номер на рисунке | Артикул | Наименование | QTY | Кол-во на складе | Цена |
| 1 | 12625-94J01-000 | Основание стартера - Base, Starter (Основание стартера) | | под заказ | 3800 руб. |
| 2 | 12631-93E00-000 | Шкив коленвала - Pulley, Crankshaft | | под заказ | 7160 руб. |
| 2 | 12631-93EL0-000 | (актуальный код замены) Шкив коленвала - Pulley, Crankshaft | | 5 шт | 8100 руб. |
| 2 | 12631-93EL0-000 | Шкив коленвала - Pulley, Crankshaft (Pulley, crankshaft) | | 5 шт | 8100 руб. |
| 3 | 12635-93E00-000 | Верхняя направляющая ремня распредвала - Guide, Timing Belt Upr (Guide, timing belt upper # <-12635-94J00 # ) (Направляющая, верхняя) | | 1 шт | 950 руб. |
| 4 | 12636-93E00-000 | Направляющая ремня распредвала Lwr - Guide, Timing Belt Lwr (Guide, timing belt lower # <-12636-94J00 # ) (Направляющая ремня, нижняя) | | под заказ | 820 руб. |
| 5 | 12637-93E00-000 | Гайка шестерни распредвала - Nut, Timing Pulley (<-12637-94J00 # ) (Гайка) | | под заказ | 1060 руб. |
| 6 | 12638-93E01-000 | Шайба с замком, гайки шкива - Washer, Pulley Nut Lock (<-12638-94J00 # ) (Шайба) | | под заказ | 480 руб. |
| 7 | 12741-93E01-000 | Шкив распредвала - Pulley, Camshaft | | под заказ | 6530 руб. |
| 7 | 12741-99JL0-000 | (актуальный код замены) Шкив распредвала - Pulley, Camshaft | | 6 шт | 9090 руб. |
| 7 | 12741-99JL0-000 | Шкив распредвала - Pulley, Camshaft (Pulley, camshaft) | | 6 шт | 9090 руб. |
| 8 | 09160-06160-000 | Шайба (6.5x24x4) - Washer (65x24x4) (Washer (6.5x24x4) # ) (Шайба (6.5X24X4)) | | под заказ | 460 руб. |
| 9 | 01550-06167-000 | Болт - Bolt (MODEL:06, 07 # ) (Bolt) | | 9 шт | 210 руб. |
| 9 | 09103-06267-000 | Болт (6x18) - Bolt (6x18) (MODEL:08~ # ) (Bolt (6x18)) | | 8 шт | 190 руб. |
| 9 | 09103-06186-000 | Болт - Bolt | | под заказ | 180 руб. |
| 9 | 01550-06167-000 | (актуальный код замены) Болт - Bolt | | 9 шт | 210 руб. |
| 9 | 01550-06167-000 | Болт - Bolt (Bolt) | | 9 шт | 210 руб. |
| 10 | 01550-08307-000 | Болт - Bolt (FRONT # ) (Bolt) | | 21 шт | 320 руб. |
| 11 | 01550-06357-000 | Болт - Bolt (Bolt, throttle lever no.2 # REAR # ) (Bolt) | | 9 шт | 210 руб. |
| 12 | 04211-09149-000 | Штифт - Pin (Dowel pin # ) (Pin) | | 9 шт | 120 руб. |
| 13 | 08341-31039-000 | Ключ - Key (Ключ) | | 85 шт | 180 руб. |
| 14 | 12761-93E00-000 | Ремень ГРМ - Belt, Timing | | под заказ | 3520 руб. |
| 14 | 12761-93EL0-000 | (актуальный код замены) Ремень ГРМ - Belt, Timing | | 119 шт | 4500 руб. |
| 14 | 12761-93EL0-000 | Ремень ГРМ - Belt, Timing (Belt, timing) | | 119 шт | 4500 руб. |
| 14 | 12761-93EL0-000 | Ремень ГРМ - Belt, Timing (DF15:110001~ # ) (Belt, timing) | | 119 шт | 4500 руб. |
| 15 | 12764-94J00-000 | Крышка ремня распредвала - Cover, Timing Belt (MODEL:05, 06 # ) (Крышка) | | под заказ | 0 руб. |
| 16 | 03542-05083-000 | Винт - Screw (Screw # MODEL:05, 06 # ) (Винт) | | под заказ | 150 руб. |
| 16 | 03542-05089-000 | (актуальный код замены) Винт - Screw | | под заказ | 150 руб. |
Время выполнения запроса 1.7300231456757 сек. |
|