Купить оригинальные запчасти на подвесной двигатель Suzuki - Поворотный кронштейн
вконтакте

Контактный телефон: +7 (981) 121-46-93, +7 (800) 200-90-76 , Email: parts-katalog@yandex.ru, где купить

 
 

  Логин:

Пароль:

Регистрация

www.partskatalog.ru Все каталоги Запчасти Mercury Запчасти Suzuki Запчасти Tohatsu Запчасти Honda Контакты



УВАЖАЕМЫЕ КЛИЕНТЫ!
C 19 ДЕКАБРЯ 2025 ПО 02 МАРТА 2026 ГОДА ОТДЕЛ ЗАПЧАСТЕЙ И СЕРВИС РАБОТАТЬ НЕ БУДУТ
ПРОДАЖА ЛОДОЧНЫХ МОТОРОВ В ШТАТНОМ РЕЖИМЕ
ОБ ИЗМЕНЕНИЯХ В ГРАФИКЕ РАБОТЫ ЧИТАЙТЕ НА САЙТА



назад Раздел:   вперёд

Вернуться к выбору узлов мотора


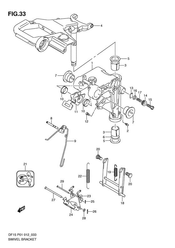
ДЕТАЛИРОВКА ДЛЯ МОДЕЛИ: SUZUKI DF15(P01) PRD

Поворотный кронштейн


Год выпуска двигателя: 2011

Номер на
рисунке
АртикулНаименованиеQTYКол-во
на складе
Цена
143111-94J30-0EP

Поворотный кронштейн - Bracket, Swivel (Bracket, swivel (black); # )

под заказ31440 руб.
143111-94J31-0EP

   (актуальный код замены) Поворотный кронштейн - Bracket, Swivel

под заказ31440 руб.
143111-94J31-0EP

Поворотный кронштейн - Bracket, Swivel (Bracket, swivel)

под заказ31440 руб.
222511-99011-000

Ниппель смазки - Nipple, Grease (Ниппель)

9 шт400 руб.
343711-99J00-000

Втулка рулевой системы - Bush, Steering (Втулка)

15 шт370 руб.
443750-94J20-0EP

Кронштейн рулевого управления (чёрный) - Bracket, Steering (black) (Bracket, steering (black); # ) (Bracket, steering (black))

под заказ24480 руб.
509160-27009-000

Шайба (27.5x47x2) - Washer (275x47x2) (Washer (27.5x47x2); # )

под заказ320 руб.
509160-27013-000

   (актуальный код замены) Шайба (27.5x47x2) - Washer (27.5x47x2)

9 шт350 руб.
509160-27013-000

Шайба (27.5x47x2) - Washer (275x47x2) (Washer, 27.5x47x2)

9 шт350 руб.
609280-27004-000

Уплотнительное кольцо (d: 3.1, Id: 26.2) - O Ring (d:31, Id:262) (O ring # O ring (d:3.1, id:26.2); # ) (O ring (d:3.1, id:26.2))

25 шт150 руб.
743211-87JL0-000

Втулка поворотного кронштейна - Bush, Swivel Bracket (Bush, swivel shaft; # ) (Bush, swivel bracket)

8 шт1770 руб.
7SK43211-87JL0

   (не оригинальный аналог) Втулка поворотного механизма Skipper для Suzuki DT9,9-15/ DF9,9-DF30a

0 шт148 руб.
841225-94502-000

Стопор пружины блокировки наклона - Pin, Tilt Lock Spring (Pin, tilt lock spring)

под заказ570 руб.
945250-94J00-000

Освобождающая тяга - Link, Release (Тяга)

под заказ1320 руб.
1009306-22006-000

Втулка (22.6x27x8) - Bush (226x27x8) (Bush # ) (Втулка выключателя)

4 шт300 руб.
1059315-94J00-000

   (актуальный код замены) Втулка рычага блокировки - Bush, Release Lever

4 шт300 руб.
1145261-94J00-000

Освобождающий рычаг - Lever, Release (Рукоятка заднего хода)

под заказ1530 руб.
1229125-93J10-000

Винт - Screw (Screw (5x8) # Screw, lead; # ) (Болт)

под заказ150 руб.
1209125-05050-000

   (актуальный код замены) Винт (5x8) - Screw (5x8)

под заказ150 руб.
1343411-939L0-000

Пластина рулевого управления Регулятор - Plate, Steering Adjuster (Plate, steering adjuster)

6 шт200 руб.
1443412-93900-000

Крышка регулировки рулевой системыer - Cover, Steering Adjuster (Cover, steering adjust # Cover, steering adjust; # ) (Крышка регулятора)

под заказ340 руб.
1443412-93901-000

   (актуальный код замены) Крышка регулировки рулевой системыer - Cover, Steering Adjuster

под заказ340 руб.
1509100-08232-000

Болт (8x30) - Bolt (8x30) (Bolt (8x30); # ) (Bolt)

6 шт350 руб.
1609160-08082-000

Шайба (8.5x16x1.2) - Washer (85x16x12) (Washer (8.5x16x1.2); # ) (Шайба)

13 шт120 руб.
1729440-93J00-000

Пружина регулятора рулевой системы - Spring, Steering Adjuster (Пружина регулятора)

под заказ190 руб.
1845710-99JL0-000

Ручка движения по мелководью - Arm, Shallow Drive (Arm, shallow drive)

под заказ3940 руб.
1845710-99JL1-000

   (актуальный код замены) Рычаг привода движения по мелководью - Arm Comp, Shallow Drive

4 шт4300 руб.
1945722-94J11-000

Пружина, Shallow Water Рычаг привода - Spring, Shallow Water Drive Arm (Spring, shallow water drive arm)

4 шт1900 руб.
2009111-10032-000

Болт (10x20.5) - Bolt (10x205) (Bolt (10x20.4); # )

под заказ400 руб.
2009111-10067-000

   (актуальный код замены) Болт (10x20.5) - Bolt (10x20.5)

2 шт430 руб.
2009111-10067-000

Болт (10x20.5) - Bolt (10x205) (Bolt, 10x20.4)

2 шт430 руб.
2145269-94J20-000

Маркировка - блокировка задней передачи - Mark, Reverse Lock (Маркировка ручки)

под заказ180 руб.
2245212-99J10-000

Пружина рычага блокировки задней передачи - Spring, Reverse Lock Arm

1 шт820 руб.
2245212-99JL0-000

   (актуальный код замены) Пружина рычага блокировки задней передачи - Spring, Reverse Lock Arm

6 шт820 руб.
2245212-99JL0-000

Пружина рычага блокировки задней передачи - Spring, Reverse Lock Arm (Spring, reverse lock arm)

6 шт820 руб.
2345231-99J10-000

Рычаг блокировки реверса - Arm, Reverse Lock

под заказ4230 руб.
2345231-99JL0-000

   (актуальный код замены) Рычаг блокировки реверса - Arm, Reverse Lock

под заказ4230 руб.
2345231-99JL0-000

Рычаг блокировки реверса - Arm, Reverse Lock (Arm, reverse lock)

под заказ4230 руб.
2445241-99JL1-000

Тяга рычага блокировки реверса - Link, Reverse Lock Arm (Link, reverse lock arm)

под заказ3510 руб.
2509204-01002-000

Штифт - Pin (Cotter pin # Pin; # ) (Стопор)

24 шт140 руб.
2645247-99J00-000

Стопор блокировки поворотного механизма - Pin, Rev Lock Arm Cotter (Pin, rev lock arm cotter)

2 шт130 руб.
2709200-06061-000

Штифт - Pin (Pin # ) (Pin (sus))

9 шт780 руб.
2809160-06082-000

Шайба (6.5x13x1.0) - Washer (65x13x10) (Washer # Washer (6.5x13x1.0); # ) (Шайба)

7 шт150 руб.
2909200-05014-000

Штифт - Pin (Pin)

7 шт370 руб.


Время выполнения запроса 1.6226589679718 сек.

 
 

данный сайт носит информационный характер и не является публичной офертой

склад запчастей для водомоторной техники