| |
 |
|
 |
Вернуться к выбору узлов мотора
ДЕТАЛИРОВКА ДЛЯ МОДЕЛИ: SUZUKI DF20A/DF20AR/DF20AT/DF20ATH FROM 02002F-410001~ (P01 014)
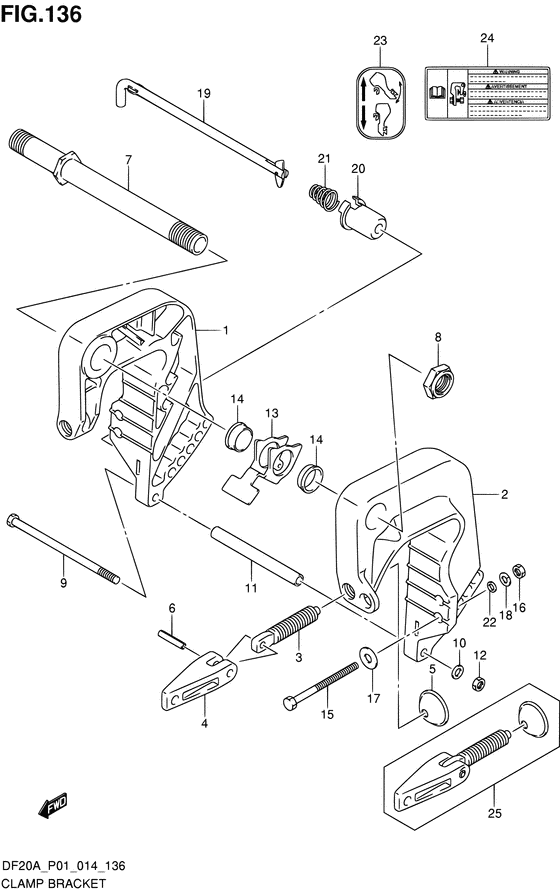
Кронштейн транца
Код модели двигателя: DF20AS/L; DF20ARS/L; DF20ATS/L
Год выпуска двигателя: 2014
Регион: General Export No.1/Thailand ,Код региона: P01/P014
Цвет: Shadow Black Metallic
Номер на рисунке | Артикул | Наименование | QTY | Кол-во на складе | Цена |
| 1 | 41111-89L00-0EP | Кронштейн правого зажима - Bracket, Clamp Stbd (Bracket, clamp stbd) | | под заказ | 8880 руб. |
| 2 | 41121-89L00-0EP | Кронштейн левого зажима - Bracket, Clamp Port (Bracket, clamp port (black)) | | 1 шт | 8880 руб. |
| 3 | 41211-99JL0-000 | Винт зажима - Screw, Clamp (Screw, clamp) | | под заказ | 1480 руб. |
| 4 | 41212-91J00-000 | Струбцина румпеля - Handle, Clamp (Рукоятка струбцины) | | 8 шт | 750 руб. |
| 5 | 41213-98100-000 | Пластина струбцины - Plate, Clamp (Plate, clamp # ) (Плата струбцины) | | под заказ | 390 руб. |
| 5 | 41213-94J01-000 | (актуальный код замены) Пластина струбцины - Plate, Clamp | | под заказ | 420 руб. |
| 6 | 09205-06007-000 | Стопор пружины (6x25) - Pin, Spring (6x25) (Pin (6x27) # ) (Pin) | | 13 шт | 170 руб. |
| 7 | 41130-89L00-000 | Труба кронштейна транца - Shaft, Clamp Bracket (Shaft, clamp bracket) | | под заказ | 11040 руб. |
| 8 | 09159-22006-000 | Гайка - Nut (Гайка) | | 8 шт | 1950 руб. |
| 9 | 09100-06178-000 | Болт (6x150) - Bolt (6x150) (Bolt) | | под заказ | 480 руб. |
| 10 | 09160-06082-000 | Шайба (6.5x13x1.0) - Washer (65x13x10) (Washer # ) (Шайба) | | 7 шт | 150 руб. |
| 11 | 09180-06366-000 | Проставка (6.5x10.5x114) - Spacer (65x105x114) (Кольцо/шайба) | | под заказ | 1270 руб. |
| 12 | 29141-93J00-000 | Гайка - Nut (Гайка) | | 18 шт | 480 руб. |
| 13 | 45261-89L00-000 | Освобождающий рычаг - Lever, Release (Lever, release) | | под заказ | 1530 руб. |
| 14 | 09306-22006-000 | Втулка (22.6x27x8) - Bush (226x27x8) (Bush # ) (Втулка выключателя) | | 4 шт | 300 руб. |
| 14 | 59315-94J00-000 | (актуальный код замены) Втулка рычага блокировки - Bush, Release Lever | | 4 шт | 300 руб. |
| 15 | 09100-08311-000 | Болт (8x90) - Bolt (8x90) (Bolt, 8x90) | | 8 шт | 420 руб. |
| 16 | 09140-08023-XC0 | Гайка - Nut (Гайка) | | 14 шт | 190 руб. |
| 17 | 09160-08081-000 | Шайба (8.5x23x1.5) - Washer (85x23x15) (Washer, clutch lever # ) (Шайба) | | 4 шт | 210 руб. |
| 18 | 29162-93J10-000 | Шайба (8.2x21.5x3) - Washer (82x215x3) (Lock washer (8.2x15.4x2.0) # ) (Пластина замка) | | 4 шт | 130 руб. |
| 19 | 45420-89L00-000 | Штифт блокировки наклона - Pin, Tilt Lock (Pin comp, tilt lock) | | 2 шт | 4570 руб. |
| 19 | 45420-89L01-000 | (актуальный код замены) Штифт Comp, Tilt Lock - Pin Comp, Tilt Lock | | 1 шт | 4570 руб. |
| 20 | 45425-94J00-000 | Стопор штифта ограничителя наклона - Stopper, Tilt Lock Pin | | под заказ | 160 руб. |
| 20 | 45425-94J01-000 | (актуальный код замены) Стопор штифта ограничителя наклона - Stopper, Tilt Lock Pin | | 17 шт | 190 руб. |
| 21 | 09441-17001-000 | Пружина - Spring (Пружина) | | 11 шт | 220 руб. |
| 22 | 09160-08170-000 | Шайба (8.5x16x2) - Washer (85x16x2) (Washer, 8.5x16x2) | | 10 шт | 120 руб. |
| 23 | 45269-89L00-000 | Маркировка - блокировка задней передачи - Mark, Reverse Lock (Mark, reverse lock) | | под заказ | 170 руб. |
| 24 | 69911-91J40-000 | Маркировка на кронштейне транца - Mark, Clamp Bracket (Mark, clamp bracket) | | 1 шт | 320 руб. |
| 25 | 41210-99JL1-000 | Винт струбцины, в сборе - Screw Assy, Clamp (OPT # ) (Screw assy, clamp) | | 1 шт | 2910 руб. |
Время выполнения запроса 1.39897108078 сек. |
|