Подобрать запчасти на подвесной двигатель Сузуки DF20AS/L; DF20ARS/L; DF20ATS/L модель 2014 года - Remote control
вконтакте

Контактный телефон: +7 (981) 121-46-93, +7 (800) 200-90-76 , Email: parts-katalog@yandex.ru, где купить

 
 

  Логин:

Пароль:

Регистрация

www.partskatalog.ru Все каталоги Запчасти Mercury Запчасти Suzuki Запчасти Tohatsu Запчасти Honda Контакты



УВАЖАЕМЫЕ КЛИЕНТЫ!
C 19 ДЕКАБРЯ 2025 ПО 02 МАРТА 2026 ГОДА ОТДЕЛ ЗАПЧАСТЕЙ И СЕРВИС РАБОТАТЬ НЕ БУДУТ
ПРОДАЖА ЛОДОЧНЫХ МОТОРОВ В ШТАТНОМ РЕЖИМЕ
ОБ ИЗМЕНЕНИЯХ В ГРАФИКЕ РАБОТЫ ЧИТАЙТЕ НА САЙТА



назад Раздел:   вперёд

Вернуться к выбору узлов мотора


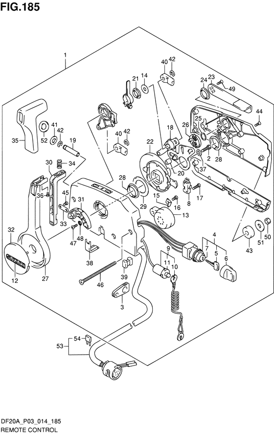
ДЕТАЛИРОВКА ДЛЯ МОДЕЛИ: SUZUKI DF20A/DF20AR/DF20AT/DF20ATH FROM 02002F-410001~ (P03 014)

Дистанционное управление


Код модели двигателя: DF20AS/L; DF20ARS/L; DF20ATS/L

Год выпуска двигателя: 2014

Регион: USA/Thailand ,Код региона: P03/P014

Цвет: Shadow Black Metallic

Номер на
рисунке
АртикулНаименованиеQTYКол-во
на складе
Цена
167200-94J15-000

Дистанционное управление в сборе - Remote Control Assy

под заказ66240 руб.
167200-94J33-000

   (актуальный код замены) Дистанционное управление в сборе - Remote Control Assy

под заказ66240 руб.
209100-08232-000

Болт (8x30) - Bolt (8x30) (Bolt)

6 шт350 руб.
336628-92E00-000

Пыльник на жгут проводов - Grommet, Wiring Harness (Grommet)

под заказ490 руб.
437110-94J02-000

Выключатель зажигания - Switch Assy, Ignition (Switch assy, ignition)

1 шт11430 руб.
537141-99E00-000

Ключ (931) - Key (931) (Ключ (931))

под заказ1660 руб.
537141-99E10-000

Ключ (932) - Key (932) (Ключ (932))

1 шт1380 руб.
537141-99E20-000

Ключ (933) - Key (933) (Ключ (933))

под заказ1380 руб.
537141-99E30-000

Ключ (934) - Key (934) (Ключ (934))

1 шт1380 руб.
537141-99E40-000

Ключ (935) - Key (935) (Ключ (935))

под заказ1380 руб.
537141-99E50-000

Ключ (936) - Key (936) (Ключ (936))

под заказ1380 руб.
537141-99E60-000

Ключ (937) - Key (937) (Ключ (937))

1 шт1380 руб.
537141-99E70-000

Ключ (938) - Key (938) (Ключ (938))

под заказ1380 руб.
537141-99E80-000

Ключ (939) - Key (939) (Ключ (939))

1 шт1480 руб.
537141-99E90-000

Ключ (940) - Key (940) (Ключ (940))

1 шт1510 руб.
537141-99EA0-000

Ключ (941) - Key (941) (Ключ (941))

1 шт1510 руб.
537141-99EB0-000

Ключ (942) - Key (942) (Ключ (942))

под заказ1380 руб.
637143-99E00-000

Колпачок ключа - Cap, Key (Колпачок ключа)

под заказ600 руб.
637143-99E01-000

   (актуальный код замены) Колпачок ключа - Cap, Key

2 шт640 руб.
737149-93J00-000

Колпачок корпуса цилиндра - Cap, Cylinder Body (Cap, cylinder body)

3 шт760 руб.
837721-93J91-000

Выключатель нейтрали, в сборе - Switch Assy, Neutral (Switch assy, neutral)

5 шт7710 руб.
937820-93J03-000

Аварийный выключатель, в сборе - Switch Assy, Emergency

под заказ5000 руб.
937820-93J05-000

   (актуальный код замены) Аварийный выключатель, в сборе - Switch Assy, Emergency

10 шт6310 руб.
937820-93J04-000

Аварийный выключатель, в сборе - Switch Assy, Emergency (SWITCH ASSY, EMERGENCY)

под заказ5000 руб.
937820-93J05-000

   (актуальный код замены) Аварийный выключатель, в сборе - Switch Assy, Emergency

10 шт6310 руб.
1037823-92E01-000

Пластина блокировки аварийного выключателя - Plate Assy, Emergency Sw Lock (Plate)

под заказ2570 руб.
1037823-92E02-000

   (актуальный код замены) Пластина блокировки аварийного выключателя - Plate Assy, Emergency Sw Lock

3 шт2770 руб.
1137826-92E00-000

Гайка - Nut (Гайка)

под заказ740 руб.
1268165-16B00-13L

Эмблема, Suzuki - Emblem, Suzuki (Emblem, suzuki (silver) # ) (Emblem)

под заказ600 руб.
1268165-16B01-13L

   (актуальный код замены) Эмблема, Suzuk - Emblem, Suzuk

1 шт600 руб.
1338500-93J00-000

Предупреждающий зуммер, в сборе - Buzzer Assy, Warning (Buzzer assy, warning # ) (Звуковой бузер)

под заказ3890 руб.
1338500-93J90-000

   (актуальный код замены) Предупреждающий зуммер - Buzzer, Warning

под заказ3890 руб.
1467212-95600-000

Шайба - Washer (Шайба)

под заказ300 руб.
1567213-92E00-000

Кронштейн зуммера - Bracket, Buzzer (Bracket, buzzer brkt # ) (Кронштейн сигнала)

под заказ730 руб.
1609125-05042-000

Винт (5x10) - Screw (5x10) (Screw # ) (Винт L)

под заказ150 руб.
1767296-92E11-000

Винт выключателя нейтрали - Screw, Neutral Switch (Screw, neutral switch)

под заказ300 руб.
1867220-95630-000

Пластина в сборе - Plate Assy (Plate assy # ) (Плата 15C)

под заказ8400 руб.
1967223-99E10-000

Ручка регулировки тормоза - Knob, Brake Adjust (Рукоятка тормоза)

под заказ760 руб.
2067229-95600-000

Ролик - Roller (Roller)

под заказ520 руб.
2167232-95600-000

Втулка - Bush (Втулка)

под заказ570 руб.
2267238-87D00-000

Зубчатый привод - Gear, Drive (Ведущая шестерня)

1 шт4080 руб.
2367241-99E10-000

Рычаг освобождения дросселя - Lever, Free Throttle (Рукоятка)

под заказ2280 руб.
2467243-95600-000

Втулка, Remo-con - Bush, Remo-con (Втулка)

2 шт390 руб.
2567244-95600-000

Волнистая шайба - Wave Washer (Шайба)

под заказ330 руб.
2667245-95600-000

Барабан освобождения дросселя - Drum, Free Throttle (Drum assy, free throttle # ) (Цилиндр дросселя)

под заказ2480 руб.
2767251-99E10-000

Рычаг блокировки - Lever, Handle (Рукоятка)

под заказ7200 руб.
2867252-95600-000

Втулка - Bush (Втулка)

2 шт480 руб.
2967253-95600-000

Шайба - Washer (Шайба)

под заказ460 руб.
3067255-99E00-000

Рычаг блокировки - Arm, Lock (Рычаг блокировки)

под заказ1680 руб.
3167256-95600-000

Держатель блокировки нейтрали - Holder, Neutral Lock (Holder, neut lock # ) (Holder)

2 шт1140 руб.
3267257-99E00-000

Крышка рычага - Cap, Lever (Насадка рукоятки)

под заказ860 руб.
3367258-99E00-000

Кронштейн - Bracket (Bracket)

под заказ490 руб.
3467259-87D00-000

Пружина рычага нетрали - Spring, Neutral Arm (Spring, neutral arm # ) (Пружина переключателя)

6 шт550 руб.
3567261-99E00-000

Рукоятка - Grip (Grip)

под заказ4130 руб.
3667296-94310-000

Винт - Screw (Screw # ) (Винт)

под заказ180 руб.
3767264-95600-000

Шайба - Washer (Шайба)

под заказ270 руб.
3867267-93J00-000

Крышка проводов - Cover, Wire (Cover, wire)

под заказ580 руб.
3967273-95600-000

Проставка - Spacer (Кольцо/шайба)

под заказ460 руб.
3967273-95601-000

   (актуальный код замены) Проставка - Spacer

3 шт630 руб.
4067275-95600-000

Наконечник кабеля - End, Cable (Наконечник кабеля)

36 шт810 руб.
4167288-92E00-000

Шайба - Washer (Шайба)

под заказ300 руб.
4267292-94300-000

Уплотнительное кольцо дистанционного управления - E Ring, Remo-con (E ring)

25 шт120 руб.
4367294-95600-000

Проставка - Spacer (Кольцо/шайба)

под заказ460 руб.
4467296-90J00-000

Винт задней крышки - Screw, Rr Cover (Винт крышки)

под заказ300 руб.
4467296-90J10-000

   (актуальный код замены) Винт задней крышки - Screw, Rr Cover

под заказ300 руб.
4567296-94300-000

Винт (4x10) - Screw (4x10) (Screw # ) (Винт)

под заказ120 руб.
4667296-95600-000

Винт - Screw (Болт)

под заказ570 руб.
4767296-95610-000

Винт - Screw (Болт)

2 шт280 руб.
4867297-95600-000

Шайба - Washer (Шайба)

под заказ280 руб.
4909126-05003-000

Винт (5x12) - Screw (5x12) (Болт)

под заказ160 руб.
5009140-06020-000

Гайка - Nut (Гайка)

9 шт150 руб.
5109160-06104-000

Шайба (6.5x24x2) - Washer (65x24x2) (Шайба)

под заказ220 руб.
5237859-90J00-000

Проставка - Spacer (Кольцо/шайба)

под заказ350 руб.
5336620-94J01-000

Провода дистанционного управления, в сборе - Wire Assy, Remote Control (Wire assy, remote control)

под заказ25920 руб.
5336620-94J02-000

   (актуальный код замены) Провода дистанционного управления, в сборе - Wire Assy, Remote Control

под заказ25920 руб.
5409481-10501-000

Предохранитель (10a) - Fuse (10a) (Fuse (10a))

5 шт250 руб.


Время выполнения запроса 1.5453951358795 сек.

 
 

данный сайт носит информационный характер и не является публичной офертой

склад запчастей для водомоторной техники