Купить комплектующие на лодочный мотор Suzuki DF20S/L; DF20RS/L - Clamp bracket / Кронштейн транца
вконтакте

Контактный телефон: +7 (981) 121-46-93, +7 (800) 200-90-76 , Email: parts-katalog@yandex.ru, где купить

 
 

  Логин:

Пароль:

Регистрация

www.partskatalog.ru Все каталоги Запчасти Mercury Запчасти Suzuki Запчасти Tohatsu Запчасти Honda Контакты



УВАЖАЕМЫЕ КЛИЕНТЫ!
C 19 ДЕКАБРЯ 2025 ПО 02 МАРТА 2026 ГОДА ОТДЕЛ ЗАПЧАСТЕЙ И СЕРВИС РАБОТАТЬ НЕ БУДУТ
ПРОДАЖА ЛОДОЧНЫХ МОТОРОВ В ШТАТНОМ РЕЖИМЕ
ОБ ИЗМЕНЕНИЯХ В ГРАФИКЕ РАБОТЫ ЧИТАЙТЕ НА САЙТА



назад Раздел:   вперёд

Вернуться к выбору узлов мотора


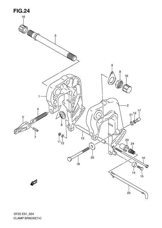
ДЕТАЛИРОВКА ДЛЯ МОДЕЛИ: SUZUKI DF20RSK8(E1) K8

Кронштейн транца


Код модели двигателя: DF20S/L; DF20RS/L

Год выпуска двигателя: 2008

Регион: General Export No.1 ,Код региона: P01

Цвет: Shadow Black Metallic

Номер на
рисунке
АртикулНаименованиеQTYКол-во
на складе
Цена
141111-95J01-0EP

Кронштейн правого зажима - Bracket, Clamp Stbd (Bracket, clamp stbd (black); # ) (Bracket, clamp stbd)

под заказ33600 руб.
241121-95J00-0EP

Кронштейн левого зажима - Bracket, Clamp Port (Bracket, clamp port (black); # ) (Кронштейн (чёрный))

1 шт33600 руб.
341130-95J01-000

Труба кронштейна транца - Shaft, Clamp Bracket

под заказ19490 руб.
341130-95J02-000

   (актуальный код замены) Труба кронштейна транца - Shaft, Clamp Bracket

под заказ19490 руб.
341130-95J02-000

Труба кронштейна транца - Shaft, Clamp Bracket (Shaft, clamp bracket)

под заказ19490 руб.
441211-95J00-000

Винт зажима - Screw, Clamp (Шпилька)

под заказ2180 руб.
541212-98602-000

Струбцина румпеля - Handle, Clamp

под заказ500 руб.
541212-91J00-000

   (актуальный код замены) Струбцина румпеля - Handle, Clamp

8 шт750 руб.
541212-91J00-000

Струбцина румпеля - Handle, Clamp (Рукоятка струбцины)

8 шт750 руб.
641213-98100-000

Пластина струбцины - Plate, Clamp (Plate, clamp # Plate, clamp; # ) (Плата струбцины)

под заказ390 руб.
641213-94J01-000

   (актуальный код замены) Пластина струбцины - Plate, Clamp

под заказ420 руб.
709205-06007-000

Стопор пружины (6x25) - Pin, Spring (6x25) (Pin (6x27) # Pin, clamp handle; # ) (Pin)

13 шт170 руб.
809159-22006-000

Гайка - Nut (Nut, clamp bracket shaft; # ) (Гайка)

8 шт1950 руб.
941135-93J00-000

Шайба кронштейна вала транца - Washer, Clamp Bracket Shaft (Шайба вала)

под заказ610 руб.
1009100-06165-000

Болт (6x180) - Bolt (6x180) (Болт кронштейна)

под заказ730 руб.
1129141-93J00-000

Гайка - Nut (Nut, clamp bracket lower; # ) (Гайка)

18 шт480 руб.
1209160-06082-000

Шайба (6.5x13x1.0) - Washer (65x13x10) (Washer # Washer, clamp bracket lower; # ) (Шайба)

7 шт150 руб.
1309180-06342-000

Проставка (6.1x9x138) - Spacer (61x9x138) (Прокладка кронштейна, нижняя)

под заказ1420 руб.
1455321-87J00-000

Защитный анод - Anode, Protection (Протекторная защита)

1 шт750 руб.
1455321-87J01-000

   (актуальный код замены) Защитный анод - Anode, Protection

под заказ850 руб.
14SMO-55321-87J01-000

   (не оригинальный аналог) Защитный анод SMO-55321-87J01-000 (оригинал)

под заказ590 руб.
14SMO-55321-87J01-000

  (аналог) Защитный анод SMO-55321-87J01-000 (оригинал) - код 55321-87J01-000

 под заказ шт585 руб.
1509103-06281-000

Болт (6x14) - Bolt (6x14) (Bolt, protection anode # ) (Bolt)

6 шт270 руб.
1641151-94500-000

Колпачок кронштейна транца Вал - Cap, Clamp Bracket Shaft (Cap, clamp bracket shaft; # ) (Крышка кронштейна)

под заказ280 руб.
1741153-95J00-000

Колпачок транцевого болта - Cap, Transom Bolt (Наконечник болта)

под заказ850 руб.
1809100-10309-000

Болт (10x110) - Bolt (10x110) (Bolt, transom (10x110); # ) (Болт торцевой)

под заказ1040 руб.
1909159-10050-000

Гайка - Nut (Nut, transom bolt; # ) (Гайка)

8 шт250 руб.
2009160-10139-000

Шайба (10.5x35x3) - Washer (105x35x3) (Washer, transom (10.5x35x3); # ) (Шайба (10.5X35X3))

под заказ350 руб.
2109160-10140-000

Шайба (10.5x18x3) - Washer (105x18x3) (Washer, upper mount bolt (10.5x18x3) # Washer, transom (10.5x18x3); # ) (Шайба, верхней опоры болта (10.5)

под заказ190 руб.
2245420-95J01-000

Штифт блокировки наклона - Pin, Tilt Lock (Pin comp, tilt lock)

под заказ5910 руб.
2345425-95J00-000

Стопор штифта ограничителя наклона - Stopper, Tilt Lock Pin (Стопор)

под заказ670 руб.
2409441-17004-000

Пружина - Spring (Пружина)

под заказ310 руб.


Время выполнения запроса 1.5023159980774 сек.

 
 

данный сайт носит информационный характер и не является публичной офертой

склад запчастей для водомоторной техники