| |
 |
|
 |
Вернуться к выбору узлов мотора
ДЕТАЛИРОВКА ДЛЯ МОДЕЛИ: SUZUKI DF25/DF25R/DF25Q FROM 02503F-310001~ (E01)
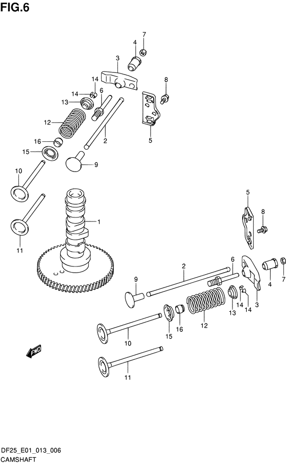
Распределительный вал
Код модели двигателя: DF25S/L; DF25RS/L; DF25QS/L; DF25TS/L
Год выпуска двигателя: 2013
Регион: General Export No.1 ,Код региона: P01
Цвет: Shadow Black Metallic
Номер на рисунке | Артикул | Наименование | QTY | Кол-во на складе | Цена |
| 1 | 12710-95J10-000 | Распредвал - Camshaft Assy (Camshaft) | | под заказ | 43680 руб. |
| 2 | 12894-95J00-000 | Тяга толкателя - Rod, Push (Штанга) | | под заказ | 1010 руб. |
| 3 | 12961-95J00-000 | Рычаг коромысла - Arm, Rocker (Рычаг) | | под заказ | 690 руб. |
| 4 | 12962-88C00-000 | Стержень - Pivot (Ось) | | под заказ | 760 руб. |
| 5 | 12966-95J00-000 | Направляющая тяги толкателя - Guide, Push Rod (Тяга) | | под заказ | 550 руб. |
| 6 | 09108-06125-000 | Болт под шпильку - Bolt, Stud (Болт) | | под заказ | 430 руб. |
| 7 | 09140-06021-000 | Гайка - Nut (Nut, pivot lock (m6) # ) (Гайка) | | под заказ | 140 руб. |
| 8 | 01547-0612A-000 | Болт - Bolt (Bolt, push rod guide # ) (Bolt) | | под заказ | 160 руб. |
| 9 | 12891-95J00-000 | Толкатель клапана - Tappet (Стакан толкателя) | | под заказ | 1410 руб. |
| 10 | 12911-95J00-000 | Клапан, впускной - Valve, Intake (Клапан) | | под заказ | 8790 руб. |
| 11 | 12915-95J00-000 | Клапан, выпускной - Valve, Exhaust (Valve, exhaust) | | под заказ | 8930 руб. |
| 12 | 12921-95J00-000 | Пружина клапана - Spring, Valve (Пружина клапана) | | под заказ | 970 руб. |
| 13 | 12931-78G00-000 | Фиксатор пружины клапана - Retainer, Valve Spring (Retainer, valve spring # ) (Шайба упорная) | | 6 шт | 420 руб. |
| 14 | 12932-24400-000 | Шпонка клапана - Cotter, Valve (Сухарь) | | 36 шт | 190 руб. |
| 15 | 12933-51E00-000 | Седло пружины клапана - Seat, Valve Spring (Seat, valve spring # ) (Пружина) | | под заказ | 230 руб. |
| 16 | 09289-05012-000 | Сальник (5.5x11.5x9.3) - Seal, Oil (55x115x93) (Колпачок маслосъемный) | | 721 шт | 1130 руб. |
Время выполнения запроса 1.7610800266266 сек. |
|