| |
 |
|
 |
Вернуться к выбору узлов мотора
ДЕТАЛИРОВКА ДЛЯ МОДЕЛИ: SUZUKI DF25/DF25R/DF25Q FROM 02503F-310001~ (E03)
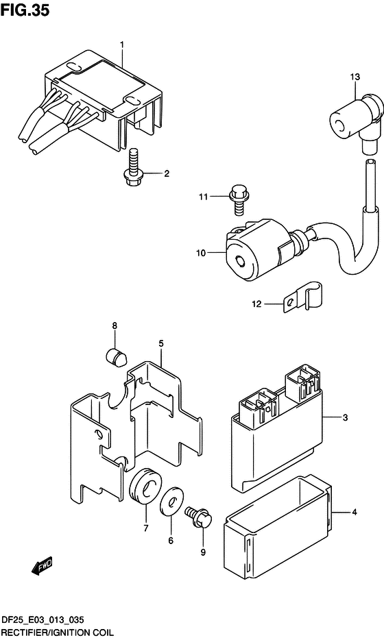
Выпрямитель / Катушка зажигания
Код модели двигателя: DF25S/L; DF25RS/L; DF25QS/L; DF25TS/L
Год выпуска двигателя: 2013
Регион: USA ,Код региона: P03
Цвет: Shadow Black Metallic
Номер на рисунке | Артикул | Наименование | QTY | Кол-во на складе | Цена |
| 1 | 32800-95J01-000 | Выпрямитель & Регулятор в сборе - Rectifier & Regulator Assy (W/ELECTRIC STARTER # ) (Выпрямитель и регулятор) | | под заказ | 18580 руб. |
| 2 | 01550-06257-000 | Болт - Bolt (W/ELECTRIC STARTER # ) (Bolt) | | под заказ | 180 руб. |
| 3 | 32900-95J00-000 | Модуль C.D.I. - Unit, Cdi (Блок CDI) | | 2 шт | 54720 руб. |
| 4 | 32980-38F00-000 | Подушка блока управления - Cushion, Cdi Unit (Holder, cdi unit # ) (Держатель блока) | | под заказ | 830 руб. |
| 5 | 32890-95J01-000 | Держатель электрических частей - Holder, Electric Parts (Корпус) | | под заказ | 1010 руб. |
| 6 | 09160-06054-000 | Шайба (6.5x22x1.6) - Washer (65x22x16) (Washer (6.5x22x1.6) # ) (Шайба) | | под заказ | 120 руб. |
| 7 | 09320-12011-000 | Подушка - Cushion (Cushion # ) (Валик) | | под заказ | 150 руб. |
| 7 | 09320-12090-000 | (актуальный код замены) Подушка (11.8x25x7.5) - Cushion (11.8x25x7.5) | | под заказ | 150 руб. |
| 8 | 09321-06013-000 | Подушка - Cushion (Cushion, engine cover # ) (Валик капота) | | под заказ | 150 руб. |
| 8 | 09321-06036-000 | (актуальный код замены) Подушка, License Пластина - Cushion, License Plate | | под заказ | 150 руб. |
| 9 | 01550-06127-000 | Болт - Bolt (Bolt, rect # ) (Bolt) | | 10 шт | 180 руб. |
| 10 | 33410-95J00-000 | Катушка зажигания в сборе - Coil Assy, Ignition (Катушка зажигания) | | 4 шт | 10180 руб. |
| 11 | 01550-06167-000 | Болт - Bolt (Bolt) | | 9 шт | 210 руб. |
| 12 | 09403-09316-000 | Струбцина - Clamp (Clamp, tilt limit lead # ) (Clamp) | | под заказ | 160 руб. |
| 12 | 09403-09330-000 | (актуальный код замены) Струбцина, Tilt Limit Lead - Clamp, Tilt Limit Lead | | под заказ | 160 руб. |
| 13 | 33510-93E00-000 | Колпачок свечи зажигания - Cap Assy, Spark Plug (Cap, spark plug # ) (Крышка свечи зажигания) | | под заказ | 2930 руб. |
Время выполнения запроса 0.97882413864136 сек. |
|