| |
 |
|
 |
Вернуться к выбору узлов мотора
ДЕТАЛИРОВКА ДЛЯ МОДЕЛИ: SUZUKI DF25/DF25R/DF25Q FROM 02503F-310001~ (E03)
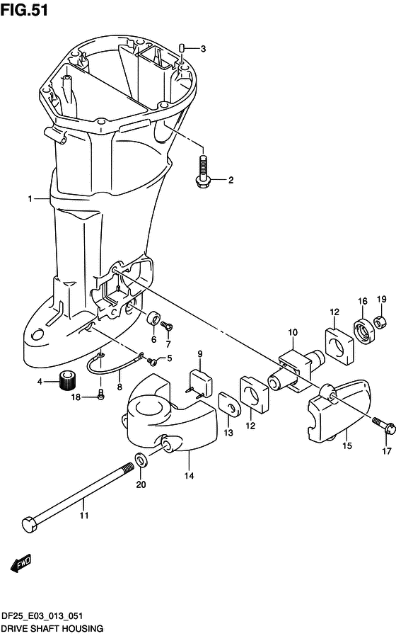
Корпус вала передачи
Код модели двигателя: DF25S/L; DF25RS/L; DF25QS/L; DF25TS/L
Год выпуска двигателя: 2013
Регион: USA ,Код региона: P03
Цвет: Shadow Black Metallic
Номер на рисунке | Артикул | Наименование | QTY | Кол-во на складе | Цена |
| 1 | 52111-95J00-0EP | Корпус вала передачи (s) - Housing, Drive Shaft (s) (Housing, drive shaft (s) (black) # W/TRANSOM (S) # ) (Дейдвуд (S) (черный)) | | под заказ | 54240 руб. |
| 1 | 52111-95J10-0EP | Корпус вала передачи (l / ll) - Housing, Drive Shaft (l/ll) (Housing, drive shaft (l) (black) # W/TRANSOM (L) # ) (Дейдвуд (L) (черный)) | | под заказ | 65760 руб. |
| 2 | 09116-10143-000 | Болт (10x40) - Bolt (10x40) (Bolt, crankcase (10x40) # ) (Болт картера (10X40)) | | под заказ | 810 руб. |
| 3 | 09202-06023-000 | Штифт (6x10) - Pin (6x10) (Pin) | | 6 шт | 290 руб. |
| 4 | 57130-96300-000 | Втулка вала передачи - Bush, Drive Shaft (Bush, drive shaft # W/TRANSOM (L) # ) (Втулка) | | 8 шт | 870 руб. |
| 5 | 09125-06063-000 | Винт (6x10) - Screw (6x10) (Screw (6x10) # ) (Винт 6X10 (SUS)) | | 6 шт | 190 руб. |
| 6 | 55321-87J00-000 | Защитный анод - Anode, Protection (Протекторная защита) | | 1 шт | 750 руб. |
| 6 | 55321-87J01-000 | (актуальный код замены) Защитный анод - Anode, Protection | | 30 шт | 850 руб. |
| 6 | SMO-55321-87J01-000 | (не оригинальный аналог) Защитный анод SMO-55321-87J01-000 (оригинал) | | под заказ | 590 руб. |
| 6 | SMO-55321-87J01-000 | (аналог) Защитный анод SMO-55321-87J01-000 (оригинал) - код 55321-87J01-000 | | под заказ шт | 585 руб. |
| 7 | 09103-06281-000 | Болт (6x14) - Bolt (6x14) (Bolt, protection anode # ) (Bolt) | | 6 шт | 270 руб. |
| 8 | 36894-87D00-000 | Lead (l: 165) - Lead (l:165) (Lead # ) (Провод) | | 2 шт | 1350 руб. |
| 9 | 54151-95J00-000 | Крепление нижнего упора - Mount, Lwr Thrust (Опора нижняя) | | под заказ | 750 руб. |
| 10 | 54160-95J00-000 | Крепление, Lwr - Mount, Lwr (Опора нижняя) | | под заказ | 4660 руб. |
| 11 | 54166-95J02-000 | Болт, Lwr Крепление - Bolt, Lwr Mount (Bolt, lower mount) | | под заказ | 3700 руб. |
| 12 | 54167-95J00-000 | Крепление, Lwr Side - Mount, Lwr Side (Опора нижняя) | | под заказ | 1050 руб. |
| 13 | 54170-95J00-000 | Подушка, Lwr Side - Cushion, Lwr Side (Валик, нижний боковой) | | под заказ | 1320 руб. |
| 14 | 54211-95J00-0EP | Кронштейн нижнего крепления - Bracket, Lwr Mount (Кронштейн нижней опоры (чёрный)) | | под заказ | 16710 руб. |
| 15 | 54221-95J00-0EP | Крышка, Lwr Крепление - Cover, Lwr Mount (Крышка нижней опоры (чёрная)) | | под заказ | 14880 руб. |
| 16 | 54240-95J00-000 | Крепление нижнего упора Rev - Mount, Lwr Thrust Rev (Опора нижняя) | | под заказ | 1590 руб. |
| 17 | 29116-93J10-000 | Болт - Bolt (Bolt (8x35) # ) (Bolt) | | 14 шт | 270 руб. |
| 18 | 09125-06063-000 | Винт (6x10) - Screw (6x10) (Screw (6x10) # ) (Винт 6X10 (SUS)) | | 6 шт | 190 руб. |
| 19 | 09159-12014-000 | Гайка - Nut (Гайка) | | 18 шт | 370 руб. |
| 20 | 09160-12110-000 | Шайба (12.5x22x3) - Washer (125x22x3) (Шайба) | | 6 шт | 370 руб. |
Время выполнения запроса 3.0032451152802 сек. |
|