Купить запчасти на подвесной мотор Suzuki DF25S/L; DF25RS/L; DF25QS/L; DF25TS/L модель 2014 года - Carburetor
вконтакте

Контактный телефон: +7 (981) 121-46-93, +7 (800) 200-90-76 , Email: parts-katalog@yandex.ru, где купить

 
 

  Логин:

Пароль:

Регистрация

www.partskatalog.ru Все каталоги Запчасти Mercury Запчасти Suzuki Запчасти Tohatsu Запчасти Honda Контакты



УВАЖАЕМЫЕ КЛИЕНТЫ!
C 19 ДЕКАБРЯ 2025 ПО 02 МАРТА 2026 ГОДА ОТДЕЛ ЗАПЧАСТЕЙ И СЕРВИС РАБОТАТЬ НЕ БУДУТ
ПРОДАЖА ЛОДОЧНЫХ МОТОРОВ В ШТАТНОМ РЕЖИМЕ
ОБ ИЗМЕНЕНИЯХ В ГРАФИКЕ РАБОТЫ ЧИТАЙТЕ НА САЙТА



назад Раздел:   вперёд

Вернуться к выбору узлов мотора


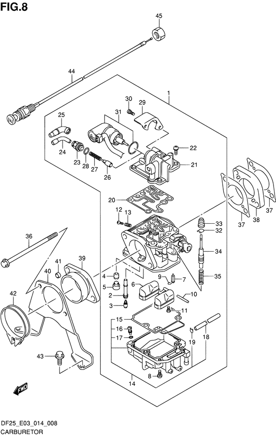
ДЕТАЛИРОВКА ДЛЯ МОДЕЛИ: SUZUKI DF25/DF25R/DF25Q FROM 02503F-410001~ (E03)

Карбюратор


Код модели двигателя: DF25S/L; DF25RS/L; DF25QS/L; DF25TS/L

Год выпуска двигателя: 2014

Регион: USA ,Код региона: P03

Цвет: Shadow Black Metallic

Номер на
рисунке
АртикулНаименованиеQTYКол-во
на складе
Цена
113200-95J00-000

Карбюратор в сборе (me) - Carburetor Assy (me) (W/ELECTRIC STARTER # ) (Карбюратор)

под заказ71520 руб.
113200-95J01-000

   (актуальный код замены) Карбюратор в сборе (me) - Carburetor Assy (me)

под заказ71520 руб.
113200-95J10-000

Карбюратор в сборе (mz) - Carburetor Assy (mz) (W/MANUAL STARTER # ) (Карбюратор)

под заказ62880 руб.
213236-95J00-000

Главная форсунка - Nozzle, Main (Распылитель главный)

под заказ2790 руб.
309491-27020-000

Главная форсунка (135) - Jet, Main (135) (Jet, main (135))

под заказ1460 руб.
409492-48016-000

Контрольная форсунка (48) - Jet, Pilot (48) (Жиклер пропускной (48))

1 шт1460 руб.
513239-94J00-000

Колпачок резинки - Cap, Rubber (Крышка резиновая)

1 шт690 руб.
613250-94J00-000

Поплавок - Float (Поплавок)

под заказ4010 руб.
713370-94J00-000

Клапан поплавка - Valve, Float (Клапан)

5 шт2100 руб.
813247-94J00-000

Винт - Screw (Болт)

под заказ760 руб.
913375-26E00-000

Зажим - Clip (Clip)

под заказ430 руб.
1013254-94J00-000

Штифт, Рычаг - Pin, Arm (Штифт ручки)

под заказ290 руб.
1113802-94J00-000

Винт - Screw (Болт)

под заказ280 руб.
1213534-94J00-000

Винт стопора - Screw, Stop (Винт стопорный)

под заказ700 руб.
1313268-94J00-000

Пружина - Spring (Пружина)

под заказ370 руб.
1413240-95J00-000

Chamber в сборе, Поплавок - Chamber Assy, Float (W/ELECTRIC STARTER # ) (Chamber assy, float)

под заказ14310 руб.
1413240-95J10-000

Chamber в сборе, Поплавок - Chamber Assy, Float (W/MANUAL STARTER # ) (Chamber assy, float)

под заказ10800 руб.
1513251-94J00-000

Прокладка поплавковой камеры - Gasket, Float Cahmber (Прокладка камеры)

2 шт1600 руб.
1613279-94J00-000

Винт дренажный - Screw, Drain (Винт дренажный)

под заказ600 руб.
1713523-94J00-000

Уплотнительное кольцо - O Ring (O ring)

под заказ490 руб.
1813684-94J00-000

Трубка - Pipe (Pipe)

под заказ1090 руб.
1909401-05402-XC0

Зажим - Clip (Clip)

под заказ110 руб.
2013345-94J00-000

U Кольцо - U Ring (Кольцо)

5 шт1220 руб.
2113346-95J00-000

Крышка - Cover (W/ELECTRIC STARTER # ) (Cover)

под заказ10370 руб.
2113346-95J10-000

Крышка - Cover (W/MANUAL STARTER # ) (Cover)

под заказ8260 руб.
2213247-94J00-000

Винт - Screw (Болт)

под заказ760 руб.
2313361-94J00-000

Держатель кабеля - Holder, Cable (W/MANUAL STARTER # ) (Держатель кабеля)

под заказ1590 руб.
2413362-94J00-000

Направляющая, Кабели - Guide, Cable (W/MANUAL STARTER # ) (Направляющая кабеля)

под заказ1090 руб.
2513363-94J00-000

Колпачок, Кабели Сальникing - Cap, Cable Sealing (W/MANUAL STARTER # ) (Крышка уплотнения)

под заказ970 руб.
2613364-94J00-000

Клапан, Стартер - Valve, Starter (W/MANUAL STARTER # ) (Распылитель)

под заказ1330 руб.
2713365-94J00-000

Пружина - Spring (W/MANUAL STARTER # ) (Пружина)

под заказ370 руб.
2813295-14G00-000

Уплотнительное кольцо - O Ring (W/MANUAL STARTER # ) (O ring)

2 шт250 руб.
2913428-95J00-000

Guard, Heater - Guard, Heater (W/ELECTRIC STARTER # ) (Датчик нагрева)

под заказ1680 руб.
3013367-94J00-000

Винт - Screw (W/ELECTRIC STARTER # ) (Болт)

под заказ370 руб.
3113368-95J00-000

Стартер в сборе - Starter Assy (W/ELECTRIC STARTER # ) (Стартер)

под заказ23760 руб.
3113368-95J01-000

   (актуальный код замены) Стартер в сборе - Starter Assy

под заказ23760 руб.
3213494-94J00-000

Зажим - Clip (Clip)

под заказ550 руб.
3313495-94J00-000

Колпачок резинки - Cap, Rubber (Крышка резиновая)

под заказ950 руб.
3413493-95J00-000

Плунжер - Plunger (Плунжер)

под заказ2380 руб.
3513441-94J00-000

Пружина - Spring (Пружина)

под заказ490 руб.
3609103-06228-000

Болт (6x105) - Bolt (6x105) (Bolt, carburetor (6x105) # ) (Bolt (l:105))

под заказ350 руб.
3713125-95J00-000

Прокладка карбюратора - Gasket, Carburetor (Прокладка карбюратора)

под заказ580 руб.
3813124-95J00-000

Изолятор карбюратора - Insulator, Carburetor (Изолятор)

под заказ1470 руб.
3913880-95J00-000

Трубка, выход - Tube, Outlet (Трубка выхода)

под заказ1590 руб.
4013882-95J00-000

Пластина, Выходная трубка - Plate, Outlet Tube (Пластина выпускной трубы)

под заказ1470 руб.
4109180-06353-000

Проставка (6.5x10x5) - Spacer (65x10x5) (Spacer # ) (Прокладка трубы выпускной (6.5X10X5))

под заказ240 руб.
4217895-95J00-000

Струбцина выходной трубки - Clamp, Outlet Tube (Струбцина выходной трубы)

под заказ580 руб.
4301550-06167-000

Болт - Bolt (Bolt)

9 шт210 руб.
4413640-95J00-000

Ручка ручного стартера - Knob Assy, Starter (W/MANUAL STARTER # ) (Рукоятка стартера)

1 шт4130 руб.
4413640-95J01-000

   (актуальный код замены) Ручка ручного стартера - Knob Assy, Starter

под заказ4130 руб.
4509159-14032-000

Гайка - Nut (W/MANUAL STARTER # ) (Гайка)

под заказ290 руб.


Время выполнения запроса 2.4442691802979 сек.

 
 

данный сайт носит информационный характер и не является публичной офертой

склад запчастей для водомоторной техники