| |
 |
|
 |
Вернуться к выбору узлов мотора
ДЕТАЛИРОВКА ДЛЯ МОДЕЛИ: SUZUKI DF25/DF25R/DF25Q FROM 02503F-410001~ (E03)
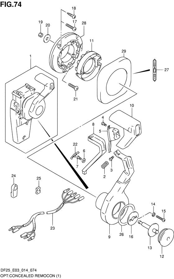
Опции: дистанционное управление, скрытая установка
Код модели двигателя: DF25S/L; DF25RS/L; DF25QS/L; DF25TS/L
Год выпуска двигателя: 2014
Регион: USA ,Код региона: P03
Цвет: Shadow Black Metallic
Номер на рисунке | Артикул | Наименование | QTY | Кол-во на складе | Цена |
| 1 | 67200-93J32-000 | Дистанционное управление скрытого монтажа в сборе - Remote Control Assy, Conceal (Remote control assy, conceal) | | под заказ | 58080 руб. |
| 1 | 67200-93J34-000 | (актуальный код замены) Дистанционное управление скрытого монтажа в сборе - Remote Control Assy, Conceal | | 2 шт | 69900 руб. |
| 2 | 67298-92E50-000 | Пружина - Spring (Пружина) | | под заказ | 170 руб. |
| 3 | 67296-94310-000 | Винт - Screw (Screw # ) (Винт) | | под заказ | 180 руб. |
| 4 | 67295-92E10-000 | Винт - Screw (Болт) | | под заказ | 240 руб. |
| 5 | 37850-92E26-000 | Переключатель управления гидроподъёмом двигателя - Switch Assy, Ptt (Switch assy, ptt) | | под заказ | 10080 руб. |
| 5 | 37850-92E27-000 | (актуальный код замены) Переключатель управления гидроподъёмом двигателя - Switch Assy, Ptt | | под заказ | 10080 руб. |
| 6 | 67288-92E60-000 | Шайба - Washer (Шайба) | | под заказ | 230 руб. |
| 7 | 09125-04021-000 | Винт (4x20) - Screw (4x20) (Screw (4x20)) | | под заказ | 180 руб. |
| 8 | 67255-92E50-000 | Рукоятка блокировки нейтрали - Arm, Neutral Lock (Arm, neutral lock # ) (Рычаг блокоровки) | | под заказ | 880 руб. |
| 9 | 67251-92E50-000 | Рычаг блокировки - Lever, Handle (Lever) | | под заказ | 10800 руб. |
| 10 | 67261-92E50-000 | Рукоятка - Grip (Grip) | | под заказ | 1200 руб. |
| 11 | 67256-92E50-000 | Держатель блокировки нейтрали - Holder, Neutral Lock (Holder, neutral lock # ) (Держатель нейтральный) | | под заказ | 1280 руб. |
| 12 | 67257-92E00-000 | Крышка рычага - Cap, Lever (Насадка рукоятки) | | под заказ | 900 руб. |
| 13 | 67242-92E50-000 | Вал свободного ускорения - Shaft, Free Acc (Shaft, free acc # ) (Shaft) | | под заказ | 610 руб. |
| 14 | 67288-92E20-000 | Шайба - Washer (Шайба) | | под заказ | 240 руб. |
| 15 | 67296-88D10-000 | Винт (5x16) - Screw (5x16) (Болт) | | под заказ | 230 руб. |
| 16 | 67288-92E70-000 | Шайба - Washer (Шайба) | | под заказ | 550 руб. |
| 17 | 67296-88D20-000 | Винт - Screw (Screw (6x35) # ) (Болт) | | под заказ | 290 руб. |
| 18 | 67295-92E50-000 | Винт - Screw (Screw (6x30)) | | под заказ | 230 руб. |
| 19 | 67287-92E50-000 | Гайка - Nut (Гайка) | | под заказ | 230 руб. |
| 20 | 09160-06104-000 | Шайба (6.5x24x2) - Washer (65x24x2) (Шайба) | | под заказ | 220 руб. |
| 21 | 67296-88D30-000 | Винт - Screw (Screw (5x30) # ) (Болт) | | под заказ | 290 руб. |
| 22 | 67254-92E50-000 | Крышка рычага блокировки - Cover, Lock Arm (Cover, lock arm # ) (Рычаг блокоровки) | | под заказ | 290 руб. |
| 23 | 36890-93J00-000 | Жгут проводов нейтрали и переключателя гидроподъема - Wire, Neutral & Ptt Sw (Wire harness) | | под заказ | 7160 руб. |
| 23 | 36890-93J01-000 | (актуальный код замены) Жгут проводов нейтрали и переключателя гидроподъема - Wire, Neutral & Ptt Sw | | под заказ | 7160 руб. |
| 24 | 67275-95600-000 | Наконечник кабеля - End, Cable (Наконечник кабеля) | | 36 шт | 810 руб. |
| 25 | 67273-95600-000 | Проставка - Spacer (Кольцо/шайба) | | под заказ | 460 руб. |
| 25 | 67273-95601-000 | (актуальный код замены) Проставка - Spacer | | 3 шт | 630 руб. |
| 26 | 67283-92E50-000 | Наклейка рычага - Decal, Lever (Decal, lever # ) (Наклейка рукоятки) | | под заказ | 1480 руб. |
| 27 | 67284-92E50-000 | Наклейка сцепления - Decal, Clutch (Decal, clutch # ) (Наклейка муфты) | | под заказ | 1480 руб. |
| 28 | 67274-92E50-000 | Основание - Base (Основание) | | под заказ | 2400 руб. |
| 29 | 67211-92E50-000 | Крышка - Cover (Cover # ) (Крышка потайная) | | под заказ | 5480 руб. |
Время выполнения запроса 2.347295999527 сек. |
|