| |
 |
|
 |
Вернуться к выбору узлов мотора
ДЕТАЛИРОВКА ДЛЯ МОДЕЛИ: SUZUKI DF25QR Y
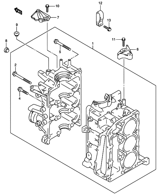
Блок цилиндра
Год выпуска двигателя: 2000
Номер на рисунке | Артикул | Наименование | QTY | Кол-во на складе | Цена |
| 1 | 11300-89J90-000 | Блок цилиндра в сборе - Block Assy, Cylinder (MODEL:04 # ) | | под заказ | 0 руб. |
| 1 | 11300-89JV1-000 | (актуальный код замены) Запчасть снята с производства - The Spare Part Is Laid Off | | под заказ | 0 руб. |
| 1 | 11300-89JV1-000 | Блок цилиндра в сборе - Block Assy, Cylinder (Блок цилиндров) | | под заказ | 0 руб. |
| 1 | 11300-89JV0-019 | Запчасть снята с производства - The Spare Part Is Laid Off | | под заказ | 0 руб. |
| 1 | 11300-89JV1-000 | Блок цилиндра в сборе - Block Assy, Cylinder (MODEL:05~07 # ) (Блок цилиндров) | | под заказ | 0 руб. |
| 2 | 11117-89J00-000 | Внутренний болт картера двигателя - Bolt, Crankcase Inside (Bolt, cylinder head # ) (Болт головки цилиндра) | | под заказ | 570 руб. |
| 2 | 11117-89J10-000 | Внутренний болт картера двигателя - Bolt, Crankcase Inside (MODEL:04~07 # ) | | под заказ | 590 руб. |
| 2 | 11117-89J20-000 | (актуальный код замены) Внутренний болт картера двигателя - Bolt, Crankcase Inside | | под заказ | 590 руб. |
| 2 | 11117-89J20-000 | Внутренний болт картера двигателя - Bolt, Crankcase Inside (Bolt, crankcase inside) | | под заказ | 590 руб. |
| 3 | 09206-13019-000 | Штифт (10.4x13x16) - Pin (104x13x16) (Pin # ) (Стопор) | | под заказ | 180 руб. |
| 4 | 01550-08407-000 | Болт - Bolt (Bolt # ) (Болт 8 X 40) | | под заказ | 260 руб. |
| 5 | 01550-08757-000 | Болт - Bolt (Bolt) | | под заказ | 290 руб. |
| 6 | 18711-89J00-000 | Brace, Stbd - Brace, Stbd (MODEL:04~07 # ) (Скрепление) | | под заказ | 2480 руб. |
| 6 | 18711-89J00-019 | Brace, Stbd - Brace, Stbd (MODEL:00~03 # ) (Скрепление (чёрный)) | | под заказ | 2480 руб. |
| 6 | 18711-89J00-000 | (актуальный код замены) Brace, Stbd | | под заказ | 2480 руб. |
| 7 | 18712-89J00-000 | Brace, Fr - Brace, Fr (MODEL:04~07 # ) (Brace, front) | | под заказ | 3650 руб. |
| 7 | 18712-89J00-019 | Brace, Fr - Brace, Fr (MODEL:00~03 # ) (Brace, front (black)) | | под заказ | 0 руб. |
| 8 | 11118-96J00-000 | Заглушка (1 / 8pt, H: 5.5) - Plug (1/8pt, H:55) | | под заказ | 260 руб. |
| 8 | 09246-05006-000 | (актуальный код замены) Заглушка (1 / 8pt, H: 8) - Plug (1/8pt, H:8) | | под заказ | 260 руб. |
| 8 | 09246-05006-000 | Заглушка (1 / 8pt, H: 5.5) - Plug (1/8pt, H:55) (Plug) | | под заказ | 260 руб. |
| 9 | 09246-08004-000 | Заглушка, 3 / 8pt H: 4 - Plug, 3/8pt H:4 (Plug) | | под заказ | 260 руб. |
| 10 | 01550-06207-000 | Болт - Bolt (Bolt # ) (Bolt (chrome)) | | 17 шт | 220 руб. |
| 11 | 01550-06307-000 | Болт - Bolt (Bolt # ) (Bolt (chrome)) | | 8 шт | 250 руб. |
| 12 | 11291-89J00-000 | Крюк двигателя - Hook, Engine (Крюк двигателя) | | под заказ | 860 руб. |
| 13 | 01550-08257-000 | Болт - Bolt (Bolt) | | под заказ | 300 руб. |
Время выполнения запроса 0.77971696853638 сек. |
|