Подобрать запчасти на подвесной двигатель Сузуки модель 2000 года - Opt:concealed remocon / Опции: дистанционное управление, скрытая установка
вконтакте

Контактный телефон: +7 (981) 121-46-93, +7 (800) 200-90-76 , Email: parts-katalog@yandex.ru, где купить

 
 

  Логин:

Пароль:

Регистрация

www.partskatalog.ru Все каталоги Запчасти Mercury Запчасти Suzuki Запчасти Tohatsu Запчасти Honda Контакты

назад Раздел:   вперёд

Вернуться к выбору узлов мотора


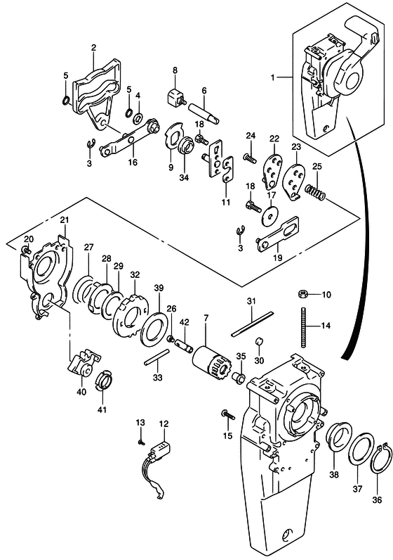
ДЕТАЛИРОВКА ДЛЯ МОДЕЛИ: SUZUKI DF25QR Y

Опции: дистанционное управление, скрытая установка


Год выпуска двигателя: 2000

Номер на
рисунке
АртикулНаименованиеQTYКол-во
на складе
Цена
167200-92E52-000

Дистанционное управление, Concealed - Remote Control, Concealed (Remote control assy, conceald # ) (Remote control assy)

под заказ55680 руб.
167200-92E55-000

   (актуальный код замены) Дистанционное управление скрытого монтажа в сбореed - Remote Control Assy, Concealed

под заказ55680 руб.
167200-93J30-000

Дистанционное управление скрытого монтажа в сборе - Remote Control Assy, Conceal (MODEL:05, 06 # )

под заказ58080 руб.
167200-93J34-000

   (актуальный код замены) Дистанционное управление скрытого монтажа в сборе - Remote Control Assy, Conceal

2 шт69900 руб.
167200-93J32-000

Дистанционное управление скрытого монтажа в сборе - Remote Control Assy, Conceal (Remote control assy, conceal)

под заказ58080 руб.
167200-93J34-000

   (актуальный код замены) Дистанционное управление скрытого монтажа в сборе - Remote Control Assy, Conceal

2 шт69900 руб.
267222-92E50-000

Сдвоенная пластина - Duel Plate (Двойная плата)

под заказ2300 руб.
367292-94300-000

Уплотнительное кольцо дистанционного управления - E Ring, Remo-con (E ring)

25 шт120 руб.
467288-92E10-000

Шайба - Washer (Шайба)

под заказ300 руб.
567291-92E00-000

Пружинное кольцо - Ring, Snap (Snap ring)

под заказ370 руб.
667223-92E50-000

Регулировка тормоза - Brake Adjust (Регулятор тормоза)

под заказ490 руб.
767246-92E50-000

Вал привода - Shaft, Drive (Shaft, drive # ) (Вал ведущий)

под заказ1800 руб.
867224-92E50-000

Тормозная колодка в сборе - Brake Shoe Assy (Колпак тормоза)

под заказ1350 руб.
967225-92E50-000

Диск тормоза - Disc, Brake (Disk, brake # ) (Тормозной диск)

под заказ520 руб.
1009140-06020-000

Гайка - Nut (Гайка)

9 шт150 руб.
1167294-92E00-000

Проставка - Spacer (Кольцо/шайба)

под заказ1240 руб.
1237721-95500-000

Выключатель нейтрали, в сборе - Switch Assy, Neutral (<-7721-92E20 # ) (Переключатель нейтральный)

под заказ3170 руб.
1367296-92E10-000

Винт выключателя нейтрали - Screw, Neutral Switch

под заказ300 руб.
1367296-92E11-000

   (актуальный код замены) Винт выключателя нейтрали - Screw, Neutral Switch

под заказ300 руб.
1367296-92E11-000

Винт выключателя нейтрали - Screw, Neutral Switch (Screw, neutral switch)

под заказ300 руб.
1467226-92E50-000

Болт стопора - Bolt, Stopper (Bolt, stopper # ) (Болт стопора)

под заказ0 руб.
1567296-92E20-000

Винт - Screw (Болт)

под заказ300 руб.
1667240-92E50-000

Рычаг дросселя - Throttle Arm Assy (Arm assy, throttle # ) (Рычаг дросселя)

под заказ2500 руб.
1767228-92E00-000

Шайба - Washer (Шайба)

под заказ500 руб.
1867286-92E00-000

Болт - Bolt (Bolt)

под заказ300 руб.
1967230-92E00-000

Переключающий рычаг - Shift Arm Assy (Рычаг вала в сьоре)

под заказ1050 руб.
2009125-05042-000

Винт (5x10) - Screw (5x10) (Screw # ) (Винт L)

под заказ150 руб.
2167234-92E00-000

Картер коробки передач - Case, Gear (Case, gear)

под заказ3030 руб.
2267245-92E00-000

Рычаг дросселя, в сборе - Lever Assy, Throttle (Lever assy, throttle # ) (Рукоятка дросселя)

под заказ2300 руб.
2367227-92E00-000

Стопор - Stopper (Stopper)

под заказ1240 руб.
2467296-88D10-000

Винт (5x16) - Screw (5x16) (Болт)

под заказ230 руб.
2567225-92E00-000

Пружина - Spring (Пружина)

под заказ300 руб.
2609125-04004-000

Винт (4x6) - Screw (4x6) (Болт)

под заказ120 руб.
2767233-92E00-000

Пружина - Spring (Пружина)

под заказ1240 руб.
2867235-92E00-000

Пластина блокировки переключения - Plate, Shift Lock (Plate, shift lock # ) (Плата переключателя)

под заказ780 руб.
2967239-92E10-000

Пластина стопора переключателя - Plate, Shift Pin (Plate, shift pin # ) (Плата переключателя)

под заказ840 руб.
3067236-92E00-000

Ролик - Roller (Roller)

под заказ440 руб.
3167237-92E01-000

Пружина - Spring (Пружина)

под заказ440 руб.
3267238-92E50-000

Зубчатый привод - Gear, Drive (Gear, drive # ) (Ведущая шестерня)

под заказ1780 руб.
3367239-92E00-000

Штифт - Pin (Pin)

под заказ1650 руб.
3467232-92E50-000

Втулка - Bush (Bush # ) (Втулка)

под заказ170 руб.
3567252-92E00-000

Втулка - Bush (Bush # ) (Втулка)

под заказ560 руб.
3667291-92E10-000

Пружинное кольцо - Ring, Snap (Snap ring)

под заказ1050 руб.
3767253-92E10-000

Шайба - Washer (Шайба)

под заказ370 руб.
3867252-92E10-000

Втулка - Bush (Bush # ) (Втулка)

под заказ440 руб.
3967253-95600-000

Шайба - Washer (Шайба)

под заказ460 руб.
4067231-92E00-000

Шестерни переключения - Gear, Shift (Gear, shift)

под заказ1650 руб.
4167232-95600-000

Втулка - Bush (Втулка)

под заказ570 руб.
4267241-92E50-000

Тяга освобождения ACC - Rod, Free Acc (Rod, free acc # ) (Штанга муфты)

под заказ830 руб.


Время выполнения запроса 3.9099059104919 сек.

 
 

данный сайт носит информационный характер и не является публичной офертой

склад запчастей для водомоторной техники