Оригинальные запчасти на подвесной мотор SUZUKI - Опции: дистанционное управление, скрытая установка - Opt:concealed remocon
вконтакте

Контактный телефон: +7 (981) 121-46-93, +7 (800) 200-90-76 , Email: parts-katalog@yandex.ru, где купить

 
 

  Логин:

Пароль:

Регистрация

www.partskatalog.ru Все каталоги Запчасти Mercury Запчасти Suzuki Запчасти Tohatsu Запчасти Honda Контакты

назад Раздел:   вперёд

Вернуться к выбору узлов мотора


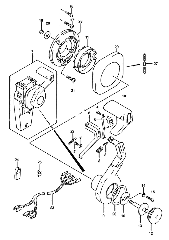
ДЕТАЛИРОВКА ДЛЯ МОДЕЛИ: SUZUKI DF25Q K1

Опции: дистанционное управление, скрытая установка


Год выпуска двигателя: 2001

Номер на
рисунке
АртикулНаименованиеQTYКол-во
на складе
Цена
167200-92E52-000

Дистанционное управление, Concealed - Remote Control, Concealed (Remote control assy, conceald # ) (Remote control assy)

под заказ55680 руб.
167200-92E55-000

   (актуальный код замены) Дистанционное управление скрытого монтажа в сбореed - Remote Control Assy, Concealed

под заказ55680 руб.
167200-93J30-000

Дистанционное управление скрытого монтажа в сборе - Remote Control Assy, Conceal (MODEL:05, 06 # )

под заказ58080 руб.
167200-93J34-000

   (актуальный код замены) Дистанционное управление скрытого монтажа в сборе - Remote Control Assy, Conceal

2 шт69900 руб.
167200-93J32-000

Дистанционное управление скрытого монтажа в сборе - Remote Control Assy, Conceal (Remote control assy, conceal)

под заказ58080 руб.
167200-93J34-000

   (актуальный код замены) Дистанционное управление скрытого монтажа в сборе - Remote Control Assy, Conceal

2 шт69900 руб.
267298-92E50-000

Пружина - Spring (Пружина)

под заказ170 руб.
367296-94310-000

Винт - Screw (Screw # ) (Винт)

под заказ180 руб.
467295-92E10-000

Винт - Screw (Болт)

под заказ240 руб.
537850-92E23-000

Переключатель управления гидроподъёмом двигателя - Switch Assy, Ptt

под заказ10080 руб.
537850-92E27-000

   (актуальный код замены) Переключатель управления гидроподъёмом двигателя - Switch Assy, Ptt

под заказ10080 руб.
537850-92E26-000

Переключатель управления гидроподъёмом двигателя - Switch Assy, Ptt (Switch assy, ptt)

под заказ10080 руб.
537850-92E27-000

   (актуальный код замены) Переключатель управления гидроподъёмом двигателя - Switch Assy, Ptt

под заказ10080 руб.
667288-92E60-000

Шайба - Washer (Шайба)

под заказ230 руб.
709125-04021-000

Винт (4x20) - Screw (4x20) (Screw (4x20))

под заказ180 руб.
867255-92E50-000

Рукоятка блокировки нейтрали - Arm, Neutral Lock (Arm, neutral lock # ) (Рычаг блокоровки)

под заказ880 руб.
967251-92E50-000

Рычаг блокировки - Lever, Handle (Lever)

под заказ10800 руб.
1067261-92E50-000

Рукоятка - Grip (Grip)

под заказ1200 руб.
1167256-92E50-000

Держатель блокировки нейтрали - Holder, Neutral Lock (Holder, neutral lock # ) (Держатель нейтральный)

под заказ1280 руб.
1267257-92E00-000

Крышка рычага - Cap, Lever (Насадка рукоятки)

под заказ900 руб.
1367242-92E50-000

Вал свободного ускорения - Shaft, Free Acc (Shaft, free acc # ) (Shaft)

под заказ610 руб.
1467288-92E20-000

Шайба - Washer (Шайба)

под заказ240 руб.
1567296-88D10-000

Винт (5x16) - Screw (5x16) (Болт)

под заказ230 руб.
1667288-92E70-000

Шайба - Washer (Шайба)

под заказ550 руб.
1767296-88D20-000

Винт - Screw (Screw (6x35) # ) (Болт)

под заказ290 руб.
1867295-92E50-000

Винт - Screw (Screw (6x30))

под заказ230 руб.
1967287-92E50-000

Гайка - Nut (Гайка)

под заказ230 руб.
2009160-06104-000

Шайба (6.5x24x2) - Washer (65x24x2) (Шайба)

под заказ220 руб.
2167296-88D30-000

Винт - Screw (Screw (5x30) # ) (Болт)

под заказ290 руб.
2267254-92E50-000

Крышка рычага блокировки - Cover, Lock Arm (Cover, lock arm # ) (Рычаг блокоровки)

под заказ290 руб.
2336890-92E00-000

Жгут проводов нейтрали и переключателя гидроподъема - Wire, Neutral & Ptt Sw (Wire harness # ) (Проводка)

под заказ4540 руб.
2336890-93J00-000

Жгут проводов нейтрали и переключателя гидроподъема - Wire, Neutral & Ptt Sw (FOR 67200-93J30 # ) (Wire harness)

под заказ7160 руб.
2336890-93J01-000

   (актуальный код замены) Жгут проводов нейтрали и переключателя гидроподъема - Wire, Neutral & Ptt Sw

под заказ7160 руб.
2467275-95600-000

Наконечник кабеля - End, Cable (Наконечник кабеля)

36 шт810 руб.
2567273-95600-000

Проставка - Spacer (Кольцо/шайба)

под заказ460 руб.
2567273-95601-000

   (актуальный код замены) Проставка - Spacer

3 шт630 руб.
2667283-92E50-000

Наклейка рычага - Decal, Lever (Decal, lever # ) (Наклейка рукоятки)

под заказ1480 руб.
2767284-92E50-000

Наклейка сцепления - Decal, Clutch (Decal, clutch # ) (Наклейка муфты)

под заказ1480 руб.
2867274-92E50-000

Основание - Base (Основание)

под заказ2400 руб.
2967211-92E50-000

Крышка - Cover (Cover # ) (Крышка потайная)

под заказ5480 руб.


Время выполнения запроса 2.2086000442505 сек.

 
 

данный сайт носит информационный характер и не является публичной офертой

склад запчастей для водомоторной техники