| |
 |
|
 |
Вернуться к выбору узлов мотора
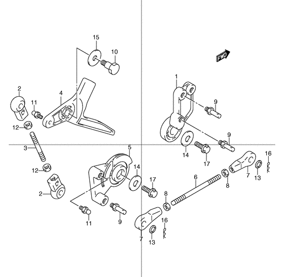
ДЕТАЛИРОВКА ДЛЯ МОДЕЛИ: SUZUKI DF25TK4(E1) K4
Управление дросселем
Год выпуска двигателя: 2004
Номер на рисунке | Артикул | Наименование | QTY | Кол-во на складе | Цена |
| 1 | 19121-89J00-000 | Рычаг управления дросселем - Lever, Throttle Control (Ручка дросселя) | | под заказ | 1140 руб. |
| 2 | 19131-95502-000 | Коннектор - Connector (Connector, oil pump no.2 # Connector, throttle rod; # ) (Коннектор) | | 21 шт | 530 руб. |
| 3 | 19135-89J00-000 | Тяга дросселя Cam - Rod, Throttle Cam (Штанга дросселя) | | под заказ | 0 руб. |
| 4 | 19141-89J00-000 | Кулачок дросселя Клапан - Cam, Throttle Valve (Type:qr # ) (Кулачок дросселя) | | под заказ | 980 руб. |
| 4 | 19141-89J10-000 | Кулачок дросселя Клапан - Cam, Throttle Valve (Type:t # ) (Кулачок дросселя) | | под заказ | 980 руб. |
| 5 | 19148-89J10-000 | Барабан дросселя - Drum, Throttle (Барабан дросселя) | | 1 шт | 1140 руб. |
| 6 | 67413-89J00-000 | Тяга, Дистанционное управление Дроссель - Rod, Remote Control Throttle (Штанга дросселя) | | под заказ | 1100 руб. |
| 7 | 67467-89J01-000 | Коннектор - Connector (Connector, remocon throttle; # ) (Переходник) | | 72 шт | 850 руб. |
| 8 | 67471-99E00-000 | Гайка кабеля дистанционного управления - Nut, Remocon Cable (Nut, connector # Nut, connector; # ) (Гайка соединяющая) | | под заказ | 320 руб. |
| 9 | 67473-89J00-000 | Штифт коннектора - Pin, Connector (Pin, connector; # ) (Штифт) | | под заказ | 780 руб. |
| 10 | 09111-06064-000 | Болт (6x17) - Bolt (6x17) (Bolt, clutch control arm # Bolt (6x17); # ) (Bolt) | | 15 шт | 860 руб. |
| 11 | 09119-05010-000 | Стержень - Pivot (Pivot, throttle lever # Pivot, ball; # ) (Bolt) | | под заказ | 500 руб. |
| 12 | 09140-05005-000 | Гайка - Nut (Гайка) | | 10 шт | 270 руб. |
| 13 | 09160-06055-000 | Шайба (7x12x1) - Washer (7x12x1) (Washer (7x12x1.0) # Washer (7x12x1.0); # ) (Шайба) | | 67 шт | 130 руб. |
| 14 | 09160-06084-000 | Шайба (6.5x18x1.6) - Washer (65x18x16) (Washer # Washer (6.5x18x1.6); # ) (Шайба 6.5X18X1) | | 7 шт | 130 руб. |
| 15 | 09160-08045-000 | Шайба (8x22x1) - Washer (8x22x1) (Washer (8x22x1.0) # Washer (8x22x1.0); # ) (Шайба) | | под заказ | 220 руб. |
| 16 | 09385-06012-000 | Зажим - Clip (Clip) | | 134 шт | 150 руб. |
| 17 | 01550-06127-000 | Болт - Bolt (Bolt, rect # ) (Bolt) | | 10 шт | 180 руб. |
Время выполнения запроса 1.0293838977814 сек. |
|