Запчасти на двигатель Suzuki DF25S/L; DF25RS/L; DF25QS/L; DF25TS/L - Power trim
вконтакте

Контактный телефон: +7 (981) 121-46-93, +7 (800) 200-90-76 , Email: parts-katalog@yandex.ru, где купить

 
 

  Логин:

Пароль:

Регистрация

www.partskatalog.ru Все каталоги Запчасти Mercury Запчасти Suzuki Запчасти Tohatsu Запчасти Honda Контакты



УВАЖАЕМЫЕ КЛИЕНТЫ!
C 19 ДЕКАБРЯ 2025 ПО 02 МАРТА 2026 ГОДА ОТДЕЛ ЗАПЧАСТЕЙ И СЕРВИС РАБОТАТЬ НЕ БУДУТ
ПРОДАЖА ЛОДОЧНЫХ МОТОРОВ В ШТАТНОМ РЕЖИМЕ
ОБ ИЗМЕНЕНИЯХ В ГРАФИКЕ РАБОТЫ ЧИТАЙТЕ НА САЙТА



назад Раздел:   вперёд

Вернуться к выбору узлов мотора


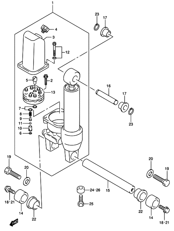
ДЕТАЛИРОВКА ДЛЯ МОДЕЛИ: SUZUKI DF25Q K5

Power trim


Код модели двигателя: DF25S/L; DF25RS/L; DF25QS/L; DF25TS/L

Год выпуска двигателя: 2005

Цвет: Shadow Black Metallic

Номер на
рисунке
АртикулНаименованиеQTYКол-во
на складе
Цена
148000-89J02-000

Механизированный дифферент наклона в сборе - Power Trim & Tilt Assy

под заказ270720 руб.
148000-89J05-000

   (актуальный код замены) Механизированный дифферент наклона в сборе - Power Trim & Tilt Assy

под заказ270720 руб.
148000-89J04-000

Механизированный дифферент наклона в сборе - Power Trim & Tilt Assy (Power tilt & trim assy)

под заказ270720 руб.
148000-89J05-000

   (актуальный код замены) Механизированный дифферент наклона в сборе - Power Trim & Tilt Assy

под заказ270720 руб.
148000-89J03-000

Механизированный дифферент наклона в сборе - Power Trim & Tilt Assy (DF25:371464~ DF30:371484~ # )

под заказ270720 руб.
148000-89J05-000

   (актуальный код замены) Механизированный дифферент наклона в сборе - Power Trim & Tilt Assy

под заказ270720 руб.
148000-89J10-000

Механизированный дифферент наклона в сборе - Power Trim & Tilt Assy (DF25:421019~ DF30:421041~ # )

под заказ270720 руб.
148000-89J12-000

   (актуальный код замены) Механизированный дифферент наклона в сборе - Power Trim & Tilt Assy

под заказ270720 руб.
148000-89J11-000

Механизированный дифферент наклона в сборе - Power Trim & Tilt Assy (Power tilt & trim assy)

под заказ270720 руб.
148000-89J12-000

   (актуальный код замены) Механизированный дифферент наклона в сборе - Power Trim & Tilt Assy

под заказ270720 руб.
248541-97E01-000

Болт Set - Bolt Set (Набор болтов)

под заказ1560 руб.
348571-89J00-000

(->8571-89J01 W/48572-89J01 # )

под заказнет сведений
348571-89J01-000

Резервуар - Reservoir (Расширительный бачок)

под заказ17860 руб.
348572-89J01-000

Заглушка - Plug (Plug)

под заказ1880 руб.
348571-89J01-000

Резервуар - Reservoir (DF25:371155~ DF30:371163~ # ) (Расширительный бачок)

под заказ17860 руб.
448572-89J00-000

Заглушка - Plug

под заказ1880 руб.
448572-87L00-000

   (актуальный код замены) Заглушка - Plug

под заказ1880 руб.
448572-87L00-000

Заглушка - Plug (Plug)

под заказ1880 руб.
448572-89J01-000

Заглушка - Plug (DF25:371155~ DF30:371163~ # ) (Plug)

под заказ1880 руб.
548583-95E00-000

Соединение привода - Joint, Drive (Joint # ) (Соединение)

под заказ1080 руб.
648818-97E00-000

Уплотнительное кольцо, Клапан Hsg - O Ring, Valve Hsg (O ring)

под заказ440 руб.
748505-87D10-000

Набор уплотнительных колец, Коллектор - O Ring Set, Manifold (O ring set # ) (Комплект колец)

1 шт1960 руб.
848823-89J00-000

Пружина давления - Spring, Pressure (Пружина клапана прессуры)

под заказ650 руб.
948832-89J00-000

Клапан давления - Valve, Pressure (Клапан прессуры)

под заказ3770 руб.
1048834-89J00-000

Sheet, Клапан - Sheet, Valve (Штифт клапана)

под заказ3820 руб.
1148842-89J00-000

Шарик клапана давления - Ball, Pressure Valve (Шарик клапана давления)

под заказ340 руб.
1248861-89J00-000

Болт Set, Резервуар - Bolt Set, Reservoir (Набор болтов)

под заказ1300 руб.
1348510-89J00-000

Помпа в сборе - Pump Assy (Pump assy)

под заказ43440 руб.
1447226-89J00-000

Воротник нижнего цилиндра наклона - Collar, Tilt Cylinder Lower (Хомут рукоятки)

под заказ690 руб.
1548121-89J00-000

Запчасть снята с производства - The Spare Part Is Laid Off

под заказ0 руб.
1548121-89J10-000

Вал наклона Цилиндр Lwr - Shaft, Tilt Cylinder Lwr (Shaft, tilt cyl lower # MODEL:01~07 # ) (Вал гидроподъемника)

под заказ6680 руб.
1648321-89J00-000

Вал наклона Цилиндр вышеr (s) - Shaft, Tilt Cylinder Upr (s) (Вал гидроподъемника (S))

под заказ0 руб.
1648321-89J10-000

Вал наклона Цилиндр вышеr - Shaft, Tilt Cylinder Upr

под заказ1700 руб.
1648321-89J11-000

   (актуальный код замены) Вал наклона Цилиндр вышеr - Shaft, Tilt Cylinder Upr

под заказ1700 руб.
1648321-89J11-000

Вал наклона Цилиндр вышеr - Shaft, Tilt Cylinder Upr (Shaft, tilt cylinder upper)

под заказ1700 руб.
1748325-89J00-000

Втулка верхнего цилиндра наклона - Bush, Tilt Cyl Upper (Bush, tilt cyl upper # ) (Втулка верхнего цилиндра)

4 шт330 руб.
1809116-08121-000

Болт (8x22) - Bolt (8x22) (MODEL:00 # )

под заказ550 руб.
1809116-08137-000

   (актуальный код замены) Болт (8x22) - Bolt (8x22)

10 шт690 руб.
1809116-08137-000

Болт (8x22) - Bolt (8x22) (Bolt (8x22) # ) (Болт (8X22))

10 шт690 руб.
1909100-10220-000

Болт (10x35) - Bolt (10x35) (Bolt (10x35) # MODEL:01~03 # ) (Bolt)

под заказ1040 руб.
2009160-10081-000

Шайба (10x20x3) - Washer (10x20x3) (Washer (10x20x3.0) # MODEL:01~03 # ) (Шайба)

под заказ240 руб.
2109116-10131-000

Болт (10x35) - Bolt (10x35) (MODEL:04~07 # )

под заказ1000 руб.
2109116-10179-000

   (актуальный код замены) Болт (10x35) - Bolt (10x35)

под заказ1000 руб.
2109116-10179-000

Болт (10x35) - Bolt (10x35) (Bolt (10x35))

под заказ1000 руб.
2109116-10179-000

Болт (10x35) - Bolt (10x35) (Bolt (10x35))

под заказ1000 руб.
2248326-89J00-000

Втулка снизу цилиндра наклона - Bush, Tilt Cyl Lower (Bush, tilt cyl lower # ) (Втулка нижнего цилиндра)

5 шт590 руб.
2309380-12002-000

Пружинное кольцо - Ring, Snap (Circlip # ) (Snap ring)

12 шт150 руб.
2455321-87J00-000

Защитный анод - Anode, Protection (Протекторная защита)

1 шт750 руб.
2455321-87J01-000

   (актуальный код замены) Защитный анод - Anode, Protection

под заказ850 руб.
24SMO-55321-87J01-000

   (не оригинальный аналог) Защитный анод SMO-55321-87J01-000 (оригинал)

под заказ590 руб.
24SMO-55321-87J01-000

  (аналог) Защитный анод SMO-55321-87J01-000 (оригинал) - код 55321-87J01-000

 под заказ шт585 руб.
2509103-06281-000

Болт (6x14) - Bolt (6x14) (Bolt, protection anode # MODEL:06, 07 # ) (Bolt)

6 шт270 руб.
2509128-06021-000

Болт (6x14) - Bolt (6x14) (Bolt (6x14))

под заказ200 руб.
2655321-87J10-000

Анод, Magnesium - Anode, Magnesium (OPT # ) (Анод)

под заказ1490 руб.
2655321-87J11-000

   (актуальный код замены) Анод (магниевый) - Anode (magnesium)

27 шт1490 руб.


Время выполнения запроса 1.4918339252472 сек.

 
 

данный сайт носит информационный характер и не является публичной офертой

склад запчастей для водомоторной техники