| |
|
|
 |
Вернуться к выбору узлов мотора
ДЕТАЛИРОВКА ДЛЯ МОДЕЛИ: SUZUKI DF25RS K6/DF25S K6
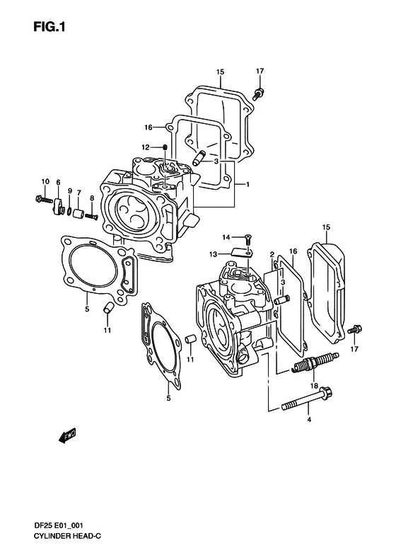
Головка блока цилиндра
Код модели двигателя: DF25S/L; DF25RS/L; DF25QS/L; DF25TS/L
Год выпуска двигателя: 2006
Цвет: Shadow Black Metallic
Номер на рисунке | Артикул | Наименование | QTY | Кол-во на складе | Цена |
| 1 | 11110-95J00-000 | Головка цилиндра Stbd - Head, Cylinder Stbd (Головка цилиндров, правая) | | под заказ | 65280 руб. |
| 2 | 11120-95J00-000 | Головка цилиндра Port - Head, Cylinder Port (Головка цилиндров, левая) | | под заказ | 65280 руб. |
| 3 | 11115-93J00-001 | Направляющая клапана (os) - Guide, Valve (os) | | под заказ | 3440 руб. |
| 3 | 11115-93J10-001 | (актуальный код замены) Направляющая клапана (os) - Guide, Valve (os) | | 24 шт | 3200 руб. |
| 3 | 11115-93J10-001 | Направляющая клапана (os) - Guide, Valve (os) (Guide, valve os) | | 24 шт | 3200 руб. |
| 4 | 11119-95J00-000 | Болты головки цилиндра - Bolt, Cylinder Head | | под заказ | 690 руб. |
| 4 | 11119-95J02-000 | (актуальный код замены) Болты головки цилиндра - Bolt, Cylinder Head | | под заказ | 690 руб. |
| 4 | 11119-95J02-000 | Болты головки цилиндра - Bolt, Cylinder Head (Bolt, cylinder head) | | под заказ | 690 руб. |
| 5 | 11141-95J00-000 | Прокладка головки блока цилиндра - Gasket, Cylinder Head (Прокладка головки цилиндров) | | 11 шт | 2210 руб. |
| 6 | 11261-99E00-000 | Крышка защитного анода - Cover, Protection Anode (Крышка протектора) | | под заказ | 1990 руб. |
| 7 | 55321-95J00-000 | Защитный анод - Anode, Protection (Протекторная защита) | | под заказ | 960 руб. |
| 8 | 09126-05011-000 | Винт (5x20) - Screw (5x20) (Screw, protection anode # ) (Винт анода (5X20)) | | под заказ | 160 руб. |
| 9 | 09280-10013-000 | Уплотнительное кольцо (d: 2.4, Id: 9.6) - O Ring (d:24, Id:96) (O ring, protection cover # ) (O ring (d:2.4, id:9.6)) | | под заказ | 280 руб. |
| 10 | 01550-06207-000 | Болт - Bolt (Bolt # ) (Bolt (chrome)) | | 17 шт | 220 руб. |
| 11 | 04211-13189-000 | Штифт - Pin (Pin) | | под заказ | 200 руб. |
| 12 | 09493-20012-000 | Воздушная форсунка (100) - Jet, Air (100) (STBD # ) (Жиклер масляный) | | 1 шт | 1200 руб. |
| 13 | 11452-95J00-000 | Язычковый клапан - Valve, Reed (PORT # ) (Клапан) | | под заказ | 340 руб. |
| 14 | 02112-0612A-000 | Винт - Screw (PORT # ) (Болт) | | под заказ | 120 руб. |
| 15 | 11171-95J00-000 | Крышка головки цилиндра - Cover, Cylinder Head (Крышка головки цилиндров) | | под заказ | 4010 руб. |
| 16 | 11189-95J00-000 | Прокладка крышки головки блока цилиндра - Gasket, Cylinder Head Cover (Прокладка крышки) | | под заказ | 1320 руб. |
| 17 | 01550-06127-000 | Болт - Bolt (Bolt, rect # ) (Bolt) | | 10 шт | 180 руб. |
| 18 | 09482-00427-000 | Свеча зажигания (ngk Bkr6e) - Plug, Spark (ngk Bkr6e) (Spark plug (ngk, bkr6e)) | | 128 шт | 920 руб. |
Время выполнения запроса 2.2576179504395 сек. |
|