Номер на рисунке | Артикул | Наименование | QTY | Кол-во на складе | Цена |
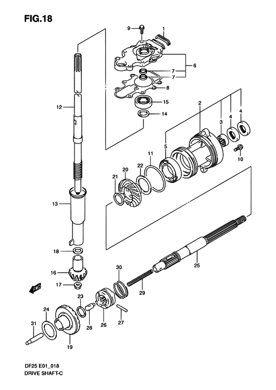
| 1 | 55332-95J00-000 | Резинка выхлопного сальника - Rubber, Exhaust Seal (выхлопная прокладка резиновая) | | под заказ | 580 руб. |
| 1 | 55332-95J01-000 | (актуальный код замены) Резинка выхлопного сальника - Rubber, Exhaust Seal | | под заказ | 580 руб. |
| 2 | 56120-96332-0EP | Корпус подшипника вала гребного винта - Housing, Propeller Sft Brg (Housing, prop sft brg (black) # ) (Обойма гребного вала (чёрный)) | | 18 шт | 26100 руб. |
| 3 | 09263-20047-000 | Подшипник (20x26x20) - Bearing (20x26x20) (Bearing # ) (Подшипник 20X26X20) | | 9 шт | 1610 руб. |
| 3 | SK09263-20047 | (не оригинальный аналог) Подшипник игольчатый гребного вала Skipper для Suzuki DT25-30, DF25-30, DF25A-30A | | 1 шт | 857 руб. |
| 4 | 09289-20009-000 | Сальник (20x34x6.5) - Seal, Oil (20x34x65) (Сальник пропеллера) | | 349 шт | 660 руб. |
| 4 | SK09289-20009 | (не оригинальный аналог) Сальник гребного вала Skipper для Suzuki Модели техники: DT25-30, DF25-30 | | 0 шт | 140 руб. |
| 4 | SC-OL016 | (не оригинальный аналог) Сальник редуктора Suzuki SC-OL016 | | 2 шт | 230 руб. |
| 5 | 08113-60060-000 | Подшипник - Bearing (Bearing, rev gear # ) (Подшипник) | | 9 шт | 2350 руб. |
| 5 | SK08113-60060 | (не оригинальный аналог) Подшипник шестерни заднего хода Skipper для Suzuki DT25-30, DF25-30, DF25A-30A | | 0 шт | 835 руб. |
| 6 | 56130-95J00-0EP | Корпус приводного вала Сальник - Housing, Drive Sft Oil Seal | | под заказ | 18580 руб. |
| 6 | 56130-95J02-000 | (актуальный код замены) Корпус приводного вала Сальник - Housing, Drive Sft Oil Seal | | под заказ | 18580 руб. |
| 6 | 56130-95J02-0EP | Корпус приводного вала Сальник - Housing, Drive Sft Oil Seal (Housing, drive sft oil seal) | | под заказ | 18580 руб. |
| 6 | 56130-95J02-000 | (актуальный код замены) Корпус приводного вала Сальник - Housing, Drive Sft Oil Seal | | под заказ | 18580 руб. |
| 7 | 09282-17006-000 | Сальник (17x30x4.5) - Seal, Oil (17x30x45) (Oil seal # ) (Уплотнение вала) | | 28 шт | 640 руб. |
| 7 | SK09282-17006 | (не оригинальный аналог) Сальник ведущего вала Skipper для Suzuki Модели техники: DT30HP, DF25-30HP | | 0 шт | 176 руб. |
| 8 | 56132-95J00-000 | Прокладка сальника корпуса приводного вала - Gasket, Drive Sft Oil Seal Hsg (Gasket, oil seal hsg # ) (Прокладка корпуса сальника) | | 3 шт | 1300 руб. |
| 9 | 09116-06094-000 | Болт (6x15) - Bolt (6x15) (Bolt (6x15) # ) (Болт 6X15) | | 20 шт | 270 руб. |
| 10 | 09116-06121-000 | Болт (6x25) - Bolt (6x25) (Bolt (6x25) # ) (Bolt) | | 19 шт | 260 руб. |
| 11 | 09280-75002-000 | Уплотнительное кольцо (d: 3.5, Id: 68.6) - O Ring (d:35, Id:686) (Кольцо корпуса подшипника) | | 54 шт | 320 руб. |
| 11 | SK09280-75002 | (не оригинальный аналог) Кольцо уплотнительное обоймы гребного вала Skipper для Suzuki Модели техники: DT30HP, DF20-30HP, DF25A-30A | | 1 шт | 85 руб. |
| 12 | 57110-95J00-000 | Вал привода (s) - Shaft, Drive (s) (Вал ведущий) | | 1 шт | 37530 руб. |
| 12 | 57110-95J10-000 | Вал привода (l) - Shaft, Drive (l) (Вал ведущий) | | под заказ | 31680 руб. |
| 13 | 57133-95J00-000 | Воротник приводного вала - Collar, Drive Shaft (Хомут торсионного вала) | | 4 шт | 1870 руб. |
| 14 | 09166-17005-000 | Шайба - Washer (Washer, thrust # ) (Шайба) | | 3 шт | 570 руб. |
| 15 | 09265-17002-000 | Подшипник (17x40x17.25) - Bearing (17x40x1725) (Bearing, drive shaft # ) (Подшипник движущего вала) | | 11 шт | 4860 руб. |
| 15 | SK09265-17002 | (не оригинальный аналог) Подшипник ведущего вала Skipper для Suzuki DT25-30, DF25-30, DF25A-30A | | 0 шт | 2013 руб. |
| 16 | 57311-96320-000 | Шестерня - Pinion | | под заказ | 9600 руб. |
| 16 | 57311-91L00-000 | (актуальный код замены) Шестерня - Pinion | | 9 шт | 6890 руб. |
| 16 | SK57311-96320 | (не оригинальный аналог) Шестерня ведущего вала Skipper для Suzuki Модели техники: DT25-30, DF20-30V | | 0 шт | 2431 руб. |
| 16 | 57311-91L00-000 | Шестерня - Pinion (Pinion) | | 9 шт | 6890 руб. |
| 17 | 09159-08046-000 | Гайка - Nut (Nut, pinion # ) (Гайка) | | 32 шт | 610 руб. |
| 17 | SC-FT326 | (не оригинальный аналог) Гайка ведущей шестерни Suzuki SC-FT326 | | под заказ | 650 руб. |
| 18 | 08211-15203-000 | Шайба - Washer (Washer (15x20x2.0) # ) (Шайба) | | под заказ | 260 руб. |
| 18 | 08211-15204-000 | Шайба - Washer (Washer (15x20x2.2) # ) (Шайба - опора) | | 10 шт | 220 руб. |
| 18 | 09160-15030-000 | Шайба (15x20x1.7) - Washer (15x20x17) (Washer (15x20x1.7) # ) (Шайба =) | | 11 шт | 190 руб. |
| 18 | 09160-15031-000 | Шайба (15x20x1.8) - Washer (15x20x18) (Washer (15x20x1.8) # ) (Шайба =) | | под заказ | 190 руб. |
| 18 | 09160-15032-000 | Шайба (15x20x1.9) - Washer (15x20x19) (Washer (15x20x1.9) # ) (Шайба =) | | под заказ | 190 руб. |
| 18 | 09160-15033-000 | Шайба (15x20x2.1) - Washer (15x20x21) (Washer (15x20x2.1) # ) (Шайба =) | | под заказ | 190 руб. |
| 19 | 57510-89J00-000 | Шестерня переднего хода - Gear, Forward | | под заказ | 11480 руб. |
| 19 | 57510-94L00-000 | (актуальный код замены) Шестерня переднего хода - Gear, Forward | | 8 шт | 11480 руб. |
| 19 | SK57510-89J00 | (не оригинальный аналог) Шестерня переднего хода Skipper для Suzuki Модели техники: DT20-DT30, DF25A-DF30A | | 0 шт | 3494 руб. |
| 19 | 57510-89J00 | (не оригинальный аналог) Шестерня переднего хода Suzuki 57510-89J00 | | под заказ | 5750 руб. |
| 19 | 57510-96312 | (не оригинальный аналог) Шестерня переднего хода Suzuki 57510-96312 | | под заказ | 7750 руб. |
| 19 | SC-GA172 | (не оригинальный аналог) Шестерня переднего хода Suzuki SC-GA172 | | под заказ | 5210 руб. |
| 19 | 57510-91L00-000 | Шестерня переднего хода - Gear, Forward (Gear, forward) | | под заказ | 9600 руб. |
| 19 | 57510-94L00-000 | (актуальный код замены) Шестерня переднего хода - Gear, Forward | | 8 шт | 11480 руб. |
| 19 | 57510-89J00 | (не оригинальный аналог) Шестерня переднего хода Suzuki 57510-89J00 | | под заказ | 5750 руб. |
| 20 | 57521-89J00-000 | Шестерня обратного хода - Gear, Reverse | | под заказ | 9320 руб. |
| 20 | 57521-94L00-000 | (актуальный код замены) Шестерня обратного хода - Gear, Reverse | | 6 шт | 11130 руб. |
| 20 | 57521-89J00 | (не оригинальный аналог) Шестерня заднего хода Suzuki 57521-89J00 | | под заказ | 5390 руб. |
| 20 | 57521-91L00-000 | Шестерня обратного хода - Gear, Reverse (Gear, reverse) | | под заказ | 9320 руб. |
| 20 | 57521-94L00-000 | (актуальный код замены) Шестерня обратного хода - Gear, Reverse | | 6 шт | 11130 руб. |
| 20 | 57521-89J00 | (не оригинальный аналог) Шестерня заднего хода Suzuki 57521-89J00 | | под заказ | 5390 руб. |
| 21 | 09160-20068-000 | Шайба (20x25.6x1.6) - Washer (20x256x16) (REV GEAR # ) (Шайба) | | под заказ | 250 руб. |
| 21 | 09160-20069-000 | Шайба (20x25.6x1.8) - Washer (20x256x18) (Шайба) | | 13 шт | 250 руб. |
| 21 | 09160-20070-000 | Шайба (20x25.6x2) - Washer (20x256x2) (Шайба) | | 10 шт | 300 руб. |
| 21 | 09160-20071-000 | Шайба (20x25.6x2.2) - Washer (20x256x22) (Шайба) | | 10 шт | 300 руб. |
| 21 | 09160-20072-000 | Шайба (20x25.6x2.4) - Washer (20x256x24) (Шайба) | | под заказ | 300 руб. |
| 21 | 09160-20073-000 | Шайба (20x25.6x2.6) - Washer (20x256x26) (Шайба) | | 3 шт | 300 руб. |
| 22 | 08221-30404-000 | Регулировочная шайба - Shim (Shim (30x40x0.2) # REV GEAR # ) (Shim) | | под заказ | 170 руб. |
| 22 | 09181-30158-000 | Регулировочная шайба (30x40x0.5) - Shim (30x40x05) (Shim (30x40x0.5) # ) (Thrust washer (t:0.5)) | | 6 шт | 230 руб. |
| 22 | 09181-30162-000 | Регулировочная шайба (30x40x0.8) - Shim (30x40x08) (Shim (30x40x0.8) # ) (Thrust washer (t:0.8)) | | 10 шт | 230 руб. |
| 22 | 09181-30167-000 | Регулировочная шайба (30x40x1) - Shim (30x40x1) (Thrust washer # ) (Шайба) | | под заказ | 230 руб. |
| 23 | 09181-16008-000 | Регулировочная шайба (16x24x2) - Shim (16x24x2) (FWD GEAR # ) (Шайба) | | 11 шт | 190 руб. |
| 24 | 09160-25032-000 | Шайба (25x40x1.1) - Washer (25x40x11) (Shim (25x36x1.1) # ) (Шайба упорная) | | под заказ | 350 руб. |
| 24 | 09160-25033-000 | Шайба (25x40x1.2) - Washer (25x40x12) (Shim (25x36x1.2) # ) (Шайба упорная) | | 2 шт | 350 руб. |
| 24 | 09160-25034-000 | Шайба (25x40x1.3) - Washer (25x40x13) (Shim (25x36x1.3) # ) (Шайба упорная) | | 5 шт | 350 руб. |
| 24 | 09160-25035-000 | Шайба (25x40x1.4) - Washer (25x40x14) (Shim (25x36x1.4) # ) (Шайба) | | под заказ | 350 руб. |
| 24 | 09181-25190-000 | Регулировочная шайба (25x36x0.8) - Shim (25x36x08) (Shim (25x36x0.8) # FWD GEAR # ) (Шайба) | | под заказ | 240 руб. |
| 24 | 09181-25248-000 | Регулировочная шайба (25x40x0.9) - Shim (25x40x09) (Shim (25x36x0.9) # ) (Шайба) | | 4 шт | 240 руб. |
| 24 | 09181-25251-000 | Регулировочная шайба (25x40x1) - Shim (25x40x1) (Shim (25x36x1.0) # ) (Шайба T:1.0) | | 4 шт | 240 руб. |
| 24 | 09181-25268-000 | Регулировочная шайба (25x40x1.5) - Shim (25x40x15) (Shim (25x36x1.5) # ) (Шайба) | | под заказ | 240 руб. |
| 25 | 57610-96311-000 | Вал гребного винта - Shaft, Propeller (Гребной вал) | | 8 шт | 22080 руб. |
| 25 | SK57610-96311 | (не оригинальный аналог) Вал гребной Skipper для Suzuki Модели техники: DT25-30, DF25-30, DF25A-30A | | 0 шт | 5973 руб. |
| 26 | 57621-89J10-000 | Переключатель собачки сцепления - Shifter, Clutch Dog (Shifter, clutch dog) | | 1 шт | 9030 руб. |
| 27 | 09202-05021-000 | Штифт (5x34) - Pin (5x34) (Pin, clutch dog shifter # ) (Штифт) | | 21 шт | 220 руб. |
| 28 | 09209-08016-000 | Штифт - Pin (Pin, push # ) (Pin) | | 20 шт | 390 руб. |
| 28 | SK09209-08016 | (не оригинальный аналог) Слайдер переключения передач Skipper для Suzuki DF20-30/DT20-65 | | 0 шт | 209 руб. |
| 29 | 09440-07074-000 | Пружина - Spring (Spring, return) | | 10 шт | 200 руб. |
| 30 | 09440-35004-000 | Пружина - Spring (Spring, dog # ) (Пружина) | | 2 шт | 160 руб. |
| 31 | 57631-95J00-000 | Тяга толкателя - Rod, Push (Штанга) | | 2 шт | 970 руб. |