| |
 |
|
 |
Вернуться к выбору узлов мотора
ДЕТАЛИРОВКА ДЛЯ МОДЕЛИ: SUZUKI DF30A/DF30AT/DF30ATH/DF30AQH FROM 03003F-51001~ (P40)
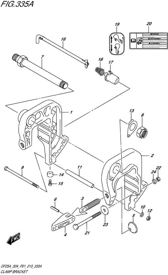
Кронштейн транца
Год выпуска двигателя: 2015
Регион: General Export No.1/Finland (P01/P015)
Цвет: Shadow Black Metallic (0EP)
Номер на рисунке | Артикул | Наименование | QTY | Кол-во на складе | Цена |
| 1 | 41111-94L00-0EP | Кронштейн правого зажима - Bracket, Clamp Stbd (BRACKET, CLAMP STBD) | | под заказ | 13920 руб. |
| 2 | 41121-94L00-0EP | Кронштейн левого зажима - Bracket, Clamp Port (BRACKET, CLAMP PORT) | | под заказ | 13920 руб. |
| 3 | 41211-94L00-000 | Винт зажима - Screw, Clamp (SCREW, CLAMP) | | под заказ | 1000 руб. |
| 4 | 41212-91J00-000 | Струбцина румпеля - Handle, Clamp (Рукоятка струбцины) | | 8 шт | 750 руб. |
| 5 | 41213-94J01-000 | Пластина струбцины - Plate, Clamp (PLATE, CLAMP) | | под заказ | 420 руб. |
| 6 | 09205-06021-000 | Стопор пружины (6x25) - Pin, Spring (6x25) (PIN, SPRING (6X25)) | | 8 шт | 210 руб. |
| 7 | 41130-91L00-000 | Труба кронштейна транца - Shaft, Clamp Bracket (Shaft, clamp bracket) | | под заказ | 17620 руб. |
| 7 | 41130-91L01-000 | (актуальный код замены) Вал Comp, Кронштейн транца - Shaft Comp, Clamp Bracket | | под заказ | 17620 руб. |
| 8 | 09159-22006-000 | Гайка - Nut (Гайка) | | 8 шт | 1950 руб. |
| 9 | 09100-06165-000 | Болт (6x180) - Bolt (6x180) (Болт кронштейна) | | под заказ | 730 руб. |
| 10 | 09160-06082-000 | Шайба (6.5x13x1.0) - Washer (65x13x10) (Washer # ) (Шайба) | | 7 шт | 150 руб. |
| 11 | 09180-06342-000 | Проставка (6.1x9x138) - Spacer (61x9x138) (Прокладка кронштейна, нижняя) | | под заказ | 1420 руб. |
| 12 | 29141-93J00-000 | Гайка - Nut (Гайка) | | 18 шт | 480 руб. |
| 13 | 41135-93J11-000 | Шайба кронштейна вала транца - Washer, Clamp Bracket Shaft (Washer, clamp bracket shaft) | | под заказ | 610 руб. |
| 14 | 55321-87J00-000 | Защитный анод - Anode, Protection (Протекторная защита) | | 1 шт | 750 руб. |
| 14 | 55321-87J01-000 | (актуальный код замены) Защитный анод - Anode, Protection | | под заказ | 850 руб. |
| 14 | SMO-55321-87J01-000 | (не оригинальный аналог) Защитный анод SMO-55321-87J01-000 (оригинал) | | под заказ | 590 руб. |
| 14 | SMO-55321-87J01-000 | (аналог) Защитный анод SMO-55321-87J01-000 (оригинал) - код 55321-87J01-000 | | под заказ шт | 585 руб. |
| 14 | 55321-87J10-000 | Анод, Magnesium - Anode, Magnesium (OPT # ) (Анод) | | под заказ | 1490 руб. |
| 14 | 55321-87J11-000 | (актуальный код замены) Анод (магниевый) - Anode (magnesium) | | 27 шт | 1490 руб. |
| 15 | 09103-06281-000 | Болт (6x14) - Bolt (6x14) (Bolt, protection anode # ) (Bolt) | | 6 шт | 270 руб. |
| 16 | 45420-94L00-000 | Штифт блокировки наклона - Pin, Tilt Lock (PIN, TILT LOCK) | | под заказ | 3680 руб. |
| 17 | 45425-94J01-000 | Стопор штифта ограничителя наклона - Stopper, Tilt Lock Pin (STOPPER, TILT LOCK PIN) | | 17 шт | 190 руб. |
| 18 | 59442-94L00-000 | Пружина - Spring (SPRING) | | под заказ | 170 руб. |
| 19 | 45269-89L00-000 | Маркировка - блокировка задней передачи - Mark, Reverse Lock (Mark, reverse lock) | | под заказ | 170 руб. |
| 20 | 69911-91J40-000 | Маркировка на кронштейне транца - Mark, Clamp Bracket (Mark, clamp bracket) | | 1 шт | 320 руб. |
| 21 | 09100-10309-000 | Болт (10x110) - Bolt (10x110) (Болт торцевой) | | под заказ | 1040 руб. |
| 22 | 09159-10050-000 | Гайка - Nut (Гайка) | | 8 шт | 250 руб. |
| 23 | 09160-10139-000 | Шайба (10.5x35x3) - Washer (105x35x3) (Шайба (10.5X35X3)) | | под заказ | 350 руб. |
| 24 | 09160-10140-000 | Шайба (10.5x18x3) - Washer (105x18x3) (Washer, upper mount bolt (10.5x18x3) # ) (Шайба, верхней опоры болта (10.5) | | под заказ | 190 руб. |
Время выполнения запроса 3.6575739383698 сек. |
|