| |
 |
|
 |
Вернуться к выбору узлов мотора
ДЕТАЛИРОВКА ДЛЯ МОДЕЛИ: SUZUKI DF30A/DF30AT/DF30ATH/DF30AQH FROM 03003F-51001~ (P40)
Опции: электростартер
Год выпуска двигателя: 2015
Регион: General Export No.1/Finland (P01/P015)
Цвет: Shadow Black Metallic (0EP)
Номер на рисунке | Артикул | Наименование | QTY | Кол-во на складе | Цена |
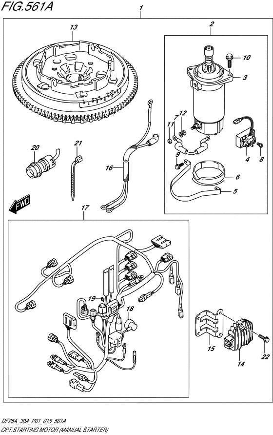
| 1 | 31000-94L00-000 | Комплект для установки электростартера - Starter Set, Electric (STARTER SET, ELECTRIC) | | под заказ | 192000 руб. |
| 1 | 31000-94L08-000 | (актуальный код замены) Комплект для установки электростартера - Starter Set, Electric | | под заказ | 192000 руб. |
| 2 | 31101-94L00-000 | Двигатель электростартера, в сборе - Motor Set, Starter (MOTOR SET, STARTER) | | под заказ | 105600 руб. |
| 2 | 31101-94L03-000 | (актуальный код замены) Двигатель электростартера, в сборе - Motor Set, Starter | | под заказ | 105600 руб. |
| 3 | 31100-94401-000 | Двигатель электростартера в сборе - Motor Assy, Starting (Motor assy, starting # ) (Мотор стартера) | | под заказ | 89760 руб. |
| 3 | 31100-94402-000 | (актуальный код замены) Двигатель электростартера в сборе - Motor Assy, Starting | | под заказ | 89760 руб. |
| 3 | SC-OT838 | (не оригинальный аналог) Электростартер двигателя Suzuki/Tohatsu/Nissan/Mercury/Mariner SC-OT838 | | под заказ | 15140 руб. |
| 4 | 31800-94L00-000 | Реле двигателя электростартера - Relay Assy, Starter Motor (RELAY ASSY, STARTER MOTOR) | | под заказ | 7970 руб. |
| 4 | 31800-94L01-000 | (актуальный код замены) Реле двигателя электростартера - Relay Assy, Starter Motor | | 1 шт | 7970 руб. |
| 5 | 31912-94L00-000 | Крепежная скоба двигателя электростартера - Band, Starter Motor (BAND, STARTER MOTOR) | | под заказ | 1190 руб. |
| 6 | 31918-94401-000 | Демпфер, Lwr - Damper, Lwr (Damper # ) (Демпфер нижний) | | под заказ | 1040 руб. |
| 6 | 31918-94402-000 | (актуальный код замены) Нижний демпфер - Damper, Lower | | под заказ | 1040 руб. |
| 7 | 33820-89E01-000 | Кабель от клеммы ПЛЮС к реле - Cable, Plus Term To Relay (Cable assy, starting sub # ) (Кабель) | | под заказ | 1430 руб. |
| 8 | 09128-06013-000 | Винт (6x8) - Screw (6x8) (Screw # ) (Bolt (6x8)) | | под заказ | 100 руб. |
| 9 | 01550-06167-000 | Болт - Bolt (Bolt) | | 9 шт | 210 руб. |
| 10 | 01550-08257-000 | Болт - Bolt (Bolt) | | под заказ | 300 руб. |
| 11 | 08310-00067-000 | Гайка - Nut (Nut # ) (Гайка) | | под заказ | 140 руб. |
| 12 | 08321-01067-000 | Шайба с блокировкой - Washer, Lock (Washer # ) (Шайба, стопорная) | | под заказ | 140 руб. |
| 13 | 32102-94L10-000 | Маховик магнето - Flywheel, Magneto (FLYWHEEL, MAGNETO) | | под заказ | 57120 руб. |
| 14 | 32800-88L00-000 | Выпрямитель & Регулятор в сборе - Rectifier & Regulator Assy (Выпрямитель и регулятор) | | 1 шт | 21840 руб. |
| 14 | 32800-88L01-000 | (актуальный код замены) Выпрямитель & Регулятор в сборе - Rectifier & Regulator Assy | | под заказ | 21840 руб. |
| 15 | 32815-94L00-000 | Кронштейн выпрямителя - Bracket, Rectifier (BRACKET, RECTIFIER) | | под заказ | 2000 руб. |
| 15 | 32815-94L01-000 | (актуальный код замены) Кронштейн выпрямителя - Bracket, Rectifier | | 3 шт | 2000 руб. |
| 16 | 33810-94L00-000 | Кабель стартера - Cable, Starter (CABLE, STARTER) | | под заказ | 8690 руб. |
| 16 | 33810-94L01-000 | (актуальный код замены) Кабель стартера - Cable, Starter | | под заказ | 8690 руб. |
| 17 | 36610-94L10-000 | Жгут проводов, в сборе (me) - Harness Assy, Wiring (me) (HARNESS ASSY, WIRING (ME)) | | под заказ | 54240 руб. |
| 18 | 36618-43410-000 | Колпачок выключателя по давлению масла - Cap, Oil Pressure Switch (Крышка переключателя) | | под заказ | 250 руб. |
| 19 | 09481-30501-000 | Предохранитель (30a) - Fuse (30a) (Fuse (30a)) | | 8 шт | 270 руб. |
| 20 | 37161-89L00-000 | Выключатель двигателя электростартера - Switch Assy, Starter Motor (Switch assy, starter motor) | | под заказ | 3000 руб. |
| 20 | 37161-89L02-000 | (актуальный код замены) Выключатель двигателя электростартера - Switch Assy, Starter Motor | | 1 шт | 3560 руб. |
| 21 | 09407-18402-000 | Струбцина (l: 165) - Clamp (l:165) (Clamp (l:165) # ) (Струбцина (L:165)) | | под заказ | 170 руб. |
| 22 | 01550-06207-000 | Болт - Bolt (Bolt # ) (Bolt (chrome)) | | 17 шт | 220 руб. |
Время выполнения запроса 1.8397710323334 сек. |
|