Купить комплектующие на подвесной лодочный двигатель Suzuki DF30S/L; DF30RS/L; DF30QS/L; DF30TS/L модель 2001 года - Cylinder head - Головка блока цилиндра
вконтакте

Контактный телефон: +7 (981) 121-46-93, +7 (800) 200-90-76 , Email: parts-katalog@yandex.ru, где купить

 
 

  Логин:

Пароль:

Регистрация

www.partskatalog.ru Все каталоги Запчасти Mercury Запчасти Suzuki Запчасти Tohatsu Запчасти Honda Контакты



УВАЖАЕМЫЕ КЛИЕНТЫ!
C 19 ДЕКАБРЯ 2025 ПО 02 МАРТА 2026 ГОДА ОТДЕЛ ЗАПЧАСТЕЙ И СЕРВИС РАБОТАТЬ НЕ БУДУТ
ПРОДАЖА ЛОДОЧНЫХ МОТОРОВ В ШТАТНОМ РЕЖИМЕ
ОБ ИЗМЕНЕНИЯХ В ГРАФИКЕ РАБОТЫ ЧИТАЙТЕ НА САЙТА



назад Раздел:   вперёд

Вернуться к выбору узлов мотора


ДЕТАЛИРОВКА ДЛЯ МОДЕЛИ: SUZUKI DF30QK1(E1) K1

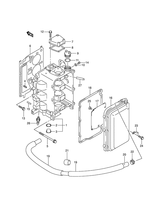
Головка блока цилиндра


Код модели двигателя: DF30S/L; DF30RS/L; DF30QS/L; DF30TS/L

Год выпуска двигателя: 2001

Регион: General Export No.1 ,Код региона: P01

Цвет: Shadow Black Metallic

Номер на
рисунке
АртикулНаименованиеQTYКол-во
на складе
Цена
111100-89J00-019

Головка блока цилиндра - Head Assy, Cylinder (Head assy, cylinder (black); Model:00~03 # ) (Головка цилиндров (чёрная))

под заказ319200 руб.
111100-89J00-000

   (актуальный код замены) Головка блока цилиндра - Head Assy, Cylinder

под заказ319200 руб.
111100-89J00-000

Головка блока цилиндра - Head Assy, Cylinder (Model:04~07 # ) (Головка цилиндров)

под заказ319200 руб.
211217-85FA0-000

Прокладка, M26 Заглушка - Gasket, M26 Plug (Gasket, water jacket plug; # ) (Прокладка M26)

под заказ320 руб.
311116-96J00-000

Заглушка (26x11) - Plug (26x11)

под заказ1110 руб.
309248-26001-000

   (актуальный код замены) Заглушка (m26) - Plug (m26)

под заказ1110 руб.
309248-26001-000

Заглушка (26x11) - Plug (26x11) (Plug)

под заказ1110 руб.
411112-99E00-000

Заглушка масляной трубки Вентури - Plug, Oil Venturi (Заглушка)

под заказ0 руб.
511119-89J00-000

Болты головки цилиндра - Bolt, Cylinder Head (Болт головки цилиндра)

под заказ750 руб.
611141-89J01-000

Прокладка головки блока цилиндра - Gasket, Cyl Head (Прокладка головки цилиндров)

2 шт7730 руб.
711181-89J00-019

Крышка, Cyl Head верхний - Cover, Cyl Head Upper (Cover, cyl head upper (black); Model:00~03 # ) (Крышка главного цилиндра, верхняя (чёрная))

под заказ0 руб.
711181-89J00-000

Крышка головки цилиндра верхний - Cover, Cylinder Head Upper (Model:04~07 # ) (Крышка главного цилиндра, верхняя)

под заказ0 руб.
811182-89J00-000

Прокладка головки блока цилиндра вышеr Крышка - Gasket, Cyl Head Upr Cover (Прокладка головки цилиндров)

1 шт380 руб.
911382-99E00-000

Колпачок масляного фильтра - Cap, Oil Filler (Cap, oil filler # Cap, oil filler; # ) (Крышка масляного бака)

10 шт1110 руб.
1009168-05010-000

Прокладка (5.3x9.3x1.2) - Gasket (53x93x12) (Gasket # ) (Прокладка)

под заказ120 руб.
1109280-26006-000

Уплотнительное кольцо (d: 3.1, Id: 26.4) - O Ring (d:31, Id:264) (O ring # O ring (d:3.1 id:26.4); # ) (Кольцо уплотнительное)

2 шт220 руб.
1201550-06307-000

Болт - Bolt (Bolt # ) (Bolt (chrome))

8 шт250 руб.
1301550-08307-000

Болт - Bolt (Bolt)

21 шт320 руб.
1402112-05087-000

Винт - Screw (Болт)

под заказ120 руб.
1504211-13189-000

Штифт - Pin (Pin)

под заказ200 руб.
1611170-89J00-019

Крышка головки цилиндра - Cover, Cylinder Head (Cover, cyl head (black); Model:00~03 # ) (Крышка головки цилиндров)

под заказ22800 руб.
1611170-89J00-000

Крышка головки цилиндра - Cover, Cylinder Head (Model:04~07 # ) (Крышка головки цилиндров)

под заказ28320 руб.
1711173-89J00-000

Пластина сапуна - Plate, Breather (Плата сапуна)

под заказ0 руб.
1811189-89J00-000

Прокладка крышки головки блока цилиндра - Gasket, Cyl Head Cover (Gasket, cylinder head cover # Gasket, cylinder head cover; # ) (Прокладка крышки)

2 шт2620 руб.
1918498-90J20-000

Защита трубки сапуна (l: 590) - Protector, Breather Hose (l:590) (Protector, breather hose # L:590->30, # ) (Протектор шланга (450))

под заказ1100 руб.
1918498-90J21-000

   (актуальный код замены) Защита трубки сапуна (l: 590) - Protector, Breather Hose (l:590)

под заказ1100 руб.
2009355-13207-00B

Шланг (13x20x2000) - Hose (13x20x2000) (L:2000->70 # ) (Шланг)

под заказ4470 руб.
2109320-20002-000

Подушка - Cushion (Cushion)

под заказ510 руб.
2109320-20012-000

   (актуальный код замены) Подушка - Cushion

под заказ510 руб.
2209401-20406-000

Зажим - Clip (Clip)

под заказ260 руб.
2217829-90J00-000

Зажим - Clip (Model:06, 07 # )

под заказ320 руб.
2209401-20409-000

   (актуальный код замены) Зажим - Clip

под заказ320 руб.
2209401-20409-000

Зажим - Clip (Clip)

под заказ320 руб.
2309403-25304-000

Струбцина - Clamp (Clamp)

под заказ230 руб.
2401550-0625A-000

Болт - Bolt (Bolt # ) (Болт)

под заказ150 руб.
2502142-0612A-000

Винт - Screw (Screw # ) (Винт)

под заказ110 руб.
2609482-00446-000

Свеча зажигания (ngk Dcpr6e) - Plug, Spark (ngk Dcpr6e) (Spark plug (dcpr6e); # ) (Свеча зажигания)

101 шт1480 руб.
2711116-54E00-001

Направляющая клапана, Os - Guide, Valve, Os (Opt # ) (Направляющая клапана)

под заказ3360 руб.


Время выполнения запроса 2.1872601509094 сек.

 
 

данный сайт носит информационный характер и не является публичной офертой

склад запчастей для водомоторной техники