Найти запчасти на двигатель Suzuki DF30S/L; DF30RS/L; DF30QS/L; DF30TS/L модель 2001 года - Fuel tank - Топливный бак
вконтакте

Контактный телефон: +7 (981) 121-46-93, +7 (800) 200-90-76 , Email: parts-katalog@yandex.ru, где купить

 
 

  Логин:

Пароль:

Регистрация

www.partskatalog.ru Все каталоги Запчасти Mercury Запчасти Suzuki Запчасти Tohatsu Запчасти Honda Контакты

назад Раздел:   вперёд

Вернуться к выбору узлов мотора


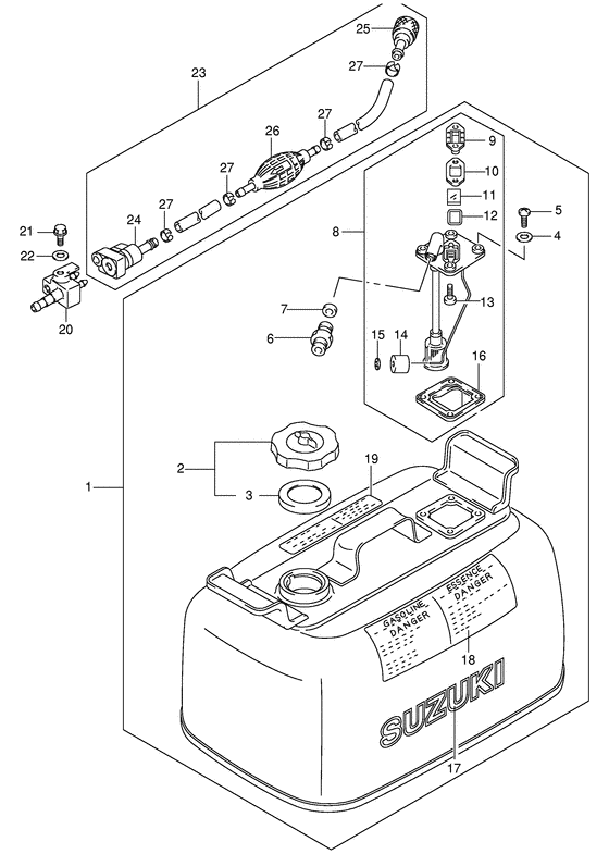
ДЕТАЛИРОВКА ДЛЯ МОДЕЛИ: SUZUKI DF30QK1(E1) K1

Топливный бак


Код модели двигателя: DF30S/L; DF30RS/L; DF30QS/L; DF30TS/L

Год выпуска двигателя: 2001

Регион: General Export No.1 ,Код региона: P01

Цвет: Shadow Black Metallic

Номер на
рисунке
АртикулНаименованиеQTYКол-во
на складе
Цена
165800-92824-000

Запчасть снята с производства - The Spare Part Is Laid Off

под заказ0 руб.
265510-92D00-000

Крышка горловины топливного бака, в сборе - Cap Assy, Fuel Tank (Cap assy, separate tank # Cap, fuel tank; # ) (Крышка топливного бака)

под заказ0 руб.
365561-92D00-000

Прокладка - Gasket (Gasket, tank cap # ) (Прокладка)

под заказ0 руб.
409168-06026-000

Прокладка (6.4x11.5x0.8) - Gasket (64x115x08) (Gasket, 6.4x11.5x0.8 # ) (Gasket (6.4x11.5x0.8))

под заказ240 руб.
502142-06167-000

Винт - Screw (Screw # ) (Винт крестовый 6x16)

8 шт110 руб.
665740-95500-000

Разъем топливного коннектора - Plug, Fuel Connector (Connector, fuel # Plug, fuel connector; # ) (Соединитель топливный)

под заказ2720 руб.
665740-95501-000

   (актуальный код замены) Разъем топливного коннектора - Plug, Fuel Connector

под заказ2720 руб.
709168-12015-000

Прокладка (12.2x21x0.8) - Gasket (122x21x08)

под заказ350 руб.
709168-12015-XC0

   (актуальный код замены) Прокладка (12.2x21x0.8) - Gasket (12.2x21x0.8)

под заказ350 руб.
709168-12015-XC0

Прокладка (12.2x21x0.8) - Gasket (122x21x08) (Gasket, 12.2x21x0.8)

под заказ350 руб.
865850-92D01-000

Прибор - измеритель уровня топлива - Gauge Assy, Fuel (Gauge assy, fuel # Gauge, fuel; # ) (Датчик топлива)

под заказ0 руб.
965855-92D10-000

Крышка прибора - Cover, Gauge (Cover, gauge # ) (Крышка)

под заказ0 руб.
1065854-92D20-000

Прокладка - Gasket (Gasket, gauge cover; # ) (Прокладка)

под заказ0 руб.
1165853-92D00-000

Lens - Lens (Линза)

под заказ0 руб.
1265854-92D30-000

Запчасть снята с производства - The Spare Part Is Laid Off

под заказ0 руб.
1303222-04083-000

Винт - Screw

под заказ140 руб.
1303221-0408A-000

   (актуальный код замены) Винт - Screw

под заказ140 руб.
1303221-0408A-000

Винт - Screw (Болт)

под заказ140 руб.
1465864-92D00-000

Поплавок - Float (Поплавок)

под заказ0 руб.
1565866-92D00-000

Push Гайка - Push Nut (Nut, push # Push nut; # ) (Гайка нажимная)

под заказ0 руб.
1665871-92D00-000

Прокладка, Fuel Gauge - Gasket, Fuel Gauge (Gasket, fuel; # ) (Прокладка топливного подъемика)

под заказ660 руб.
1761441-98500-000

Маркировка, Ornament - Mark, Ornament (Маркировка орнамент)

под заказ0 руб.
1865316-93331-000

Маркировка, Fuel Caution - Mark, Fuel Caution (Mark, fuel caution # ) (Маркировка топлива)

под заказ0 руб.
1965317-95260-000

Маркировка, Fuel Колпачокacity (24l) - Mark, Fuel Capacity (24l) (Mark, fuel capacity (24l) # ) (Маркировка топливной емкости)

под заказ0 руб.
2065720-986B0-000

Разъем топливного коннектора - Plug, Fuel Connector

под заказ5810 руб.
2065720-986L0-000

   (актуальный код замены) Разъем топливного коннектора - Plug, Fuel Connector

5 шт6330 руб.
2065720-986L0-000

Разъем топливного коннектора - Plug, Fuel Connector (Plug, fuel connector)

5 шт6330 руб.
2109103-06237-000

Болт (6x12.5) - Bolt (6x125) (Bolt, fuel connector plug # Bolt, fuel connector plug; # ) (Bolt (6x12.5))

под заказ260 руб.
2209160-06085-000

Шайба (6.5x15x1) - Washer (65x15x1) (Washer (6.5x15x1.0) # Washer (6.5x15x1.0); # ) (Шайба)

под заказ120 руб.
2365700-87J10-000

Топливный шланг (от бака до коннектораector) - Hose, Fuel (tank To Connector)

под заказ13590 руб.
2365700-87J19-000

   (актуальный код замены) Топливный шланг (от бака до коннектора) - Hose, Fuel (tank To Conn)

под заказ13590 руб.
2365700-87J15-000

Топливный шланг (от бака до коннектораector) - Hose, Fuel (tank To Connector) (Hose, fuel (tank to conn))

под заказ13590 руб.
2365700-87J19-000

   (актуальный код замены) Топливный шланг (от бака до коннектора) - Hose, Fuel (tank To Conn)

под заказ13590 руб.
2465750-87J10-000

Разъём топливного шланга - Socket, Fuel Hose (Socket, fuel hose; # )

под заказ2720 руб.
2465750-87J11-000

   (актуальный код замены) Разъём топливного шланга - Socket, Fuel Hose

9 шт2930 руб.
24SF80212-7

   (не оригинальный аналог) Коннектор топливный SUNFINE тип Suzuki, Johnson, Evinrude, OMC, Honda, 9мм, 775641

под заказ1240 руб.
2465750-87J11-000

Разъём топливного шланга - Socket, Fuel Hose (Переходник топливный)

9 шт2930 руб.
2565750-95500-000

Разъём топливного шланга - Socket, Fuel Hose (Socket, fuel hose (in) # Socket, fuel hose; # ) (Гнездо топливного шланга)

под заказ3700 руб.
2565750-95501-000

   (актуальный код замены) Разъём топливного шланга - Socket, Fuel Hose

2 шт3700 руб.
25SF80211-4

   (не оригинальный аналог) Коннектор топливный SUNFINE тип Suzuki, Mercury, Evinrude, Tohatsu, 10мм 3GF-70281-0

под заказ1880 руб.
2665770-95504-000

Запчасть снята с производства - The Spare Part Is Laid Off (Pump, squeeze; # )

под заказ0 руб.
2665770-95505-000

   (актуальный код замены) Запчасть снята с производства - The Spare Part Is Laid Off

под заказ0 руб.
2765781-98500-000

Зажим топливного шланга - Clip, Fuel Hose (Clip # ) (Крепёж шланга)

9 шт350 руб.


Время выполнения запроса 2.5503997802734 сек.

 
 

данный сайт носит информационный характер и не является публичной офертой

склад запчастей для водомоторной техники