| |
 |
|
 |
Вернуться к выбору узлов мотора
ДЕТАЛИРОВКА ДЛЯ МОДЕЛИ: SUZUKI DF30Q K1
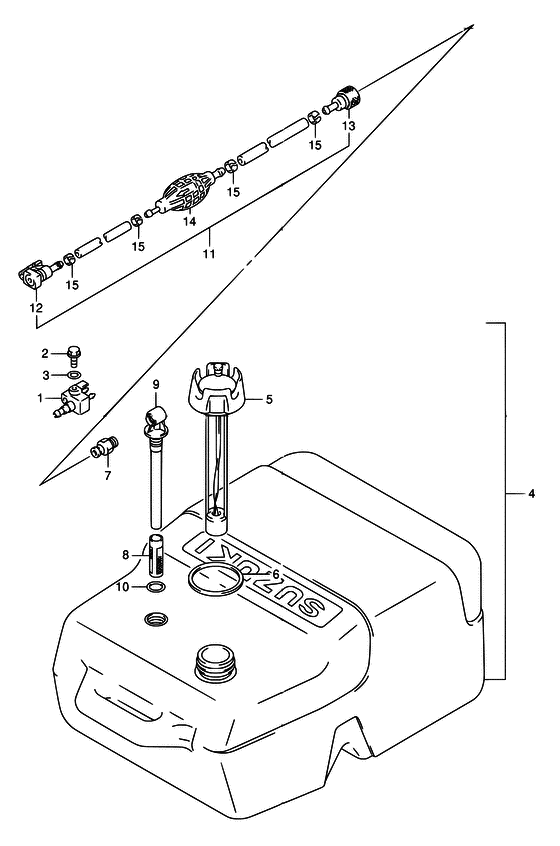
Топливный бак
Код модели двигателя: DF30S/L; DF30RS/L; DF30QS/L; DF30TS/L
Год выпуска двигателя: 2001
Цвет: Shadow Black Metallic
Номер на рисунке | Артикул | Наименование | QTY | Кол-во на складе | Цена |
| 1 | 65720-986B0-000 | Разъем топливного коннектора - Plug, Fuel Connector | | под заказ | 5810 руб. |
| 1 | 65720-986L0-000 | (актуальный код замены) Разъем топливного коннектора - Plug, Fuel Connector | | 5 шт | 6330 руб. |
| 1 | 65720-986L0-000 | Разъем топливного коннектора - Plug, Fuel Connector (Plug, fuel connector) | | 5 шт | 6330 руб. |
| 2 | 09103-06237-000 | Болт (6x12.5) - Bolt (6x125) (Bolt, fuel connector plug # <-5729-986B0 # ) (Bolt (6x12.5)) | | под заказ | 260 руб. |
| 3 | 09160-06085-000 | Шайба (6.5x15x1) - Washer (65x15x1) (Washer (6.5x15x1.0) # ) (Шайба) | | под заказ | 120 руб. |
| 4 | 65000-95D01-000 | Топливный бак (25 литров) - Tank Assy, Fuel (25l) (Бак) | | под заказ | 17760 руб. |
| 4 | 65000-94L10-000 | (актуальный код замены) Топливный бак (25 литров) - Tank Assy, Fuel (25l) | | 3 шт | 17760 руб. |
| 5 | 65520-95D00-000 | Крышка горловины топливного бака, в сборе - Cap Assy, Fuel Tank (Cap assy, fuel tank # ) (Крышка топливного бака) | | 1 шт | 0 руб. |
| 5 | 65520-95D01-000 | (актуальный код замены) Запчасть снята с производства - The Spare Part Is Laid Off | | под заказ | 0 руб. |
| 6 | 65561-95D00-000 | Прокладка крышка топливного бака - Gasket, Tank Cap (Gasket, tank cap # ) (Прокладка бака) | | 1 шт | 430 руб. |
| 7 | 65740-95D01-000 | Разъем топливного коннектора - Plug, Fuel Connector (Plug, fuel connector # ) (Заглушка топливного соединителя) | | под заказ | 3870 руб. |
| 7 | SF80210-3 | (не оригинальный аналог) Адаптер топливный SUNFINE тип Suzuki, Mercury, Tohatsu 65740-99100 | | под заказ | 1270 руб. |
| 7 | SF80211-3 | (не оригинальный аналог) Адаптер топливный SUNFINE тип Suzuki, Mercury, Tohatsu 3E0-70270-0 | | 1 шт | 1270 руб. |
| 8 | 65831-95D00-000 | Выходной фильтр - Filter, Outlet (Filter, outlet # ) (Фильтр топливный) | | 5 шт | 1270 руб. |
| 9 | 65890-95D00-000 | выход в сборе - Outlet Assy (Выход) | | под заказ | 5480 руб. |
| 10 | 65892-95D00-000 | Уплотнительное кольцо топливного выхода - O Ring, Fuel Outlet (O-ring, fuel outlet # ) (Кольцо топливного выхода) | | под заказ | 440 руб. |
| 11 | 65700-87J11-000 | Топливный шланг (от бака до коннектораector) - Hose, Fuel (tank To Connector) | | под заказ | 13590 руб. |
| 11 | 65700-87J19-000 | (актуальный код замены) Топливный шланг (от бака до коннектора) - Hose, Fuel (tank To Conn) | | под заказ | 13590 руб. |
| 11 | 65700-87J15-000 | Топливный шланг (от бака до коннектораector) - Hose, Fuel (tank To Connector) (Hose, fuel (tank to conn)) | | под заказ | 13590 руб. |
| 11 | 65700-87J19-000 | (актуальный код замены) Топливный шланг (от бака до коннектора) - Hose, Fuel (tank To Conn) | | под заказ | 13590 руб. |
| 12 | 65750-87J11-000 | Разъём топливного шланга - Socket, Fuel Hose (Переходник топливный) | | 9 шт | 2930 руб. |
| 12 | SF80212-7 | (не оригинальный аналог) Коннектор топливный SUNFINE тип Suzuki, Johnson, Evinrude, OMC, Honda, 9мм, 775641 | | под заказ | 1240 руб. |
| 13 | 65750-95500-000 | Разъём топливного шланга - Socket, Fuel Hose (Socket, fuel hose (in) # ) (Гнездо топливного шланга) | | под заказ | 3700 руб. |
| 13 | 65750-95501-000 | (актуальный код замены) Разъём топливного шланга - Socket, Fuel Hose | | 2 шт | 3700 руб. |
| 13 | SF80211-4 | (не оригинальный аналог) Коннектор топливный SUNFINE тип Suzuki, Mercury, Evinrude, Tohatsu, 10мм 3GF-70281-0 | | под заказ | 1880 руб. |
| 14 | 65770-95504-000 | Запчасть снята с производства - The Spare Part Is Laid Off | | под заказ | 0 руб. |
| 14 | 65770-95505-000 | (актуальный код замены) Запчасть снята с производства - The Spare Part Is Laid Off | | под заказ | 0 руб. |
| 15 | 65781-98500-000 | Зажим топливного шланга - Clip, Fuel Hose (Clip # ) (Крепёж шланга) | | 9 шт | 350 руб. |
Время выполнения запроса 1.1945161819458 сек. |
|