| |
 |
|
 |
Вернуться к выбору узлов мотора
ДЕТАЛИРОВКА ДЛЯ МОДЕЛИ: SUZUKI DF30T K3
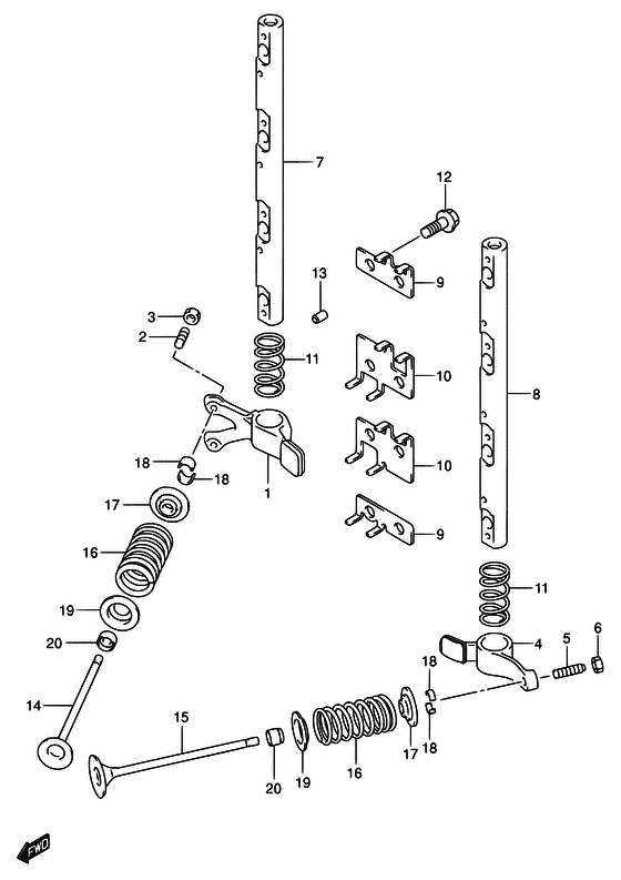
Клапан
Код модели двигателя: DF30S/L; DF30RS/L; DF30QS/L; DF30TS/L
Год выпуска двигателя: 2003
Цвет: Shadow Black Metallic
Номер на рисунке | Артикул | Наименование | QTY | Кол-во на складе | Цена |
| 1 | 12841-89J00-000 | Рычаг, Intk Клапан Rocker - Arm, Intk Valve Rocker (Рычаг всасывающего клапана) | | под заказ | 7730 руб. |
| 2 | 12842-32411-000 | Винт регулировки толкателя клапана - Screw, Tappet Adjusting (Screw # ) (Винт) | | под заказ | 390 руб. |
| 3 | 12843-32400-000 | Гайка, Регулировочный винт - Nut, Adjusting Screw (Гайка) | | под заказ | 220 руб. |
| 4 | 12851-89J00-000 | Рычаг, Выпускной клапан Rocker - Arm, Exhaust Valve Rocker (Рычаг клапана) | | под заказ | 0 руб. |
| 5 | 12842-32411-000 | Винт регулировки толкателя клапана - Screw, Tappet Adjusting (Screw # ) (Винт) | | под заказ | 390 руб. |
| 6 | 12843-32400-000 | Гайка, Регулировочный винт - Nut, Adjusting Screw (Гайка) | | под заказ | 220 руб. |
| 7 | 12860-89J00-000 | Вал, Впускной клапан Коромысло - Shaft, Intake Valve Rocker Arm (Вал ручки) | | под заказ | 0 руб. |
| 8 | 12870-89J00-000 | Вал, Выпускной клапан Коромысло - Shaft, Exhaust Valve Rocker Arm (Вал ручки) | | под заказ | 0 руб. |
| 9 | 12881-89J00-000 | Кронштейн, Вал коромысла - Bracket, Rocker Arm Shaft (Кронштейн ручки) | | под заказ | 0 руб. |
| 10 | 12882-89J00-000 | Кронштейн, Вал коромысла - Bracket, Rocker Arm Shaft (Кронштейн ручки) | | под заказ | 0 руб. |
| 11 | 12891-89J00-000 | Пружина коромысла - Spring, Rocker Arm (Пружина ручки) | | под заказ | 310 руб. |
| 12 | 09103-07011-000 | Болт (7x24) - Bolt (7x24) (Bolt (7x24)) | | под заказ | 0 руб. |
| 13 | 09206-06005-000 | Штифт (4x6x11) - Pin (4x6x11) (<-9206-06004 # ) (Стопор) | | под заказ | 170 руб. |
| 14 | 12911-85100-000 | Клапан, впускной - Valve, Intake (Клапан впускной) | | под заказ | 3820 руб. |
| 15 | 12915-89J00-000 | Клапан, выпускной - Valve, Exhaust (Valve, ex) | | под заказ | 9360 руб. |
| 16 | 12921-53A00-000 | Пружина клапана - Spring, Valve (Пружина клапана) | | под заказ | 990 руб. |
| 17 | 12931-89J00-000 | Фиксатор пружины клапана - Retainer, Valve Spring (Шайба упорная) | | под заказ | 620 руб. |
| 18 | 12932-24400-000 | Шпонка клапана - Cotter, Valve (Сухарь) | | 36 шт | 190 руб. |
| 19 | 12933-86510-000 | Седло пружины клапана - Seat, Valve Spring (Шайба упорная) | | 4 шт | 230 руб. |
| 20 | 09289-05012-000 | Сальник (5.5x11.5x9.3) - Seal, Oil (55x115x93) (Колпачок маслосъемный) | | 721 шт | 1130 руб. |
Время выполнения запроса 1.5128390789032 сек. |
|