Оригинальные запчасти на мотор SUZUKI - Drive shaft housing
вконтакте

Контактный телефон: +7 (981) 121-46-93, +7 (800) 200-90-76 , Email: parts-katalog@yandex.ru, где купить

 
 

  Логин:

Пароль:

Регистрация

www.partskatalog.ru Все каталоги Запчасти Mercury Запчасти Suzuki Запчасти Tohatsu Запчасти Honda Контакты



УВАЖАЕМЫЕ КЛИЕНТЫ!
C 19 ДЕКАБРЯ 2025 ПО 02 МАРТА 2026 ГОДА ОТДЕЛ ЗАПЧАСТЕЙ И СЕРВИС РАБОТАТЬ НЕ БУДУТ
ПРОДАЖА ЛОДОЧНЫХ МОТОРОВ В ШТАТНОМ РЕЖИМЕ
ОБ ИЗМЕНЕНИЯХ В ГРАФИКЕ РАБОТЫ ЧИТАЙТЕ НА САЙТА



назад Раздел:   вперёд

Вернуться к выбору узлов мотора


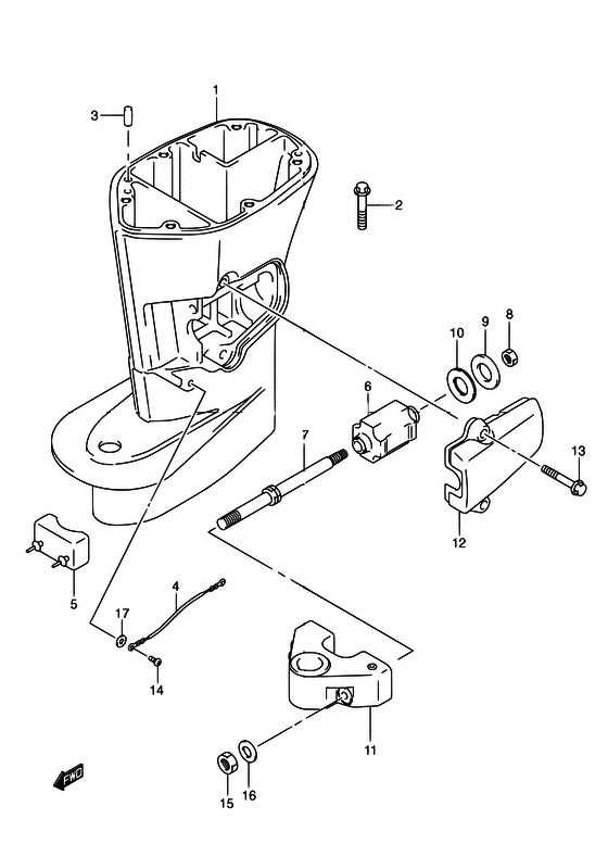
ДЕТАЛИРОВКА ДЛЯ МОДЕЛИ: SUZUKI DF30Q K4

Корпус вала передачи


Год выпуска двигателя: 2004

Номер на
рисунке
АртикулНаименованиеQTYКол-во
на складе
Цена
152111-89J01-0EP

Корпус вала передачи (l / x) - Housing, Drive Shaft (l/x) (Корпус торсионного вала (L) (чёрный))

под заказ61920 руб.
152111-89J11-0EP

Корпус вала передачи (s) (чёрный) - Housing, Drive Shaft (s) (black) (Корпус торсионного вала (S) (черный))

под заказ0 руб.
209116-08114-000

Болт - Bolt

под заказ250 руб.
229116-93J10-000

   (актуальный код замены) Болт - Bolt

14 шт270 руб.
229116-93J10-000

Болт - Bolt (Bolt (8x35) # ) (Bolt)

14 шт270 руб.
309202-06023-000

Штифт (6x10) - Pin (6x10) (Pin)

6 шт290 руб.
436894-95201-000

Lead (l: 165) - Lead (l:165) (Lead # ) (Провод)

под заказ1170 руб.
554121-87E00-000

Стопор, вышеr Thrust - Stopper, Upr Thrust (Damper, reverse stopper # ) (Демпфер стопора заднего хода)

под заказ970 руб.
554121-87E01-000

   (актуальный код замены) Спотор верхнего упора - Stopper, Upper Thrust

под заказ970 руб.
654160-89J00-000

Крепление, Lwr - Mount, Lwr (Опора нижняя)

под заказ0 руб.
754166-87J10-000

Болт, Lwr Крепление - Bolt, Lwr Mount

под заказ5430 руб.
754166-87J11-000

   (актуальный код замены) Болт, Lwr Крепление - Bolt, Lwr Mount

под заказ5430 руб.
754166-87J11-000

Болт, Lwr Крепление - Bolt, Lwr Mount (Bolt, lower mount)

под заказ5430 руб.
809140-12029-000

Гайка - Nut (Гайка)

под заказ310 руб.
909160-12065-000

Шайба (12x40x3) - Washer (12x40x3) (Washer (12x40x3.0) # ) (Шайба)

под заказ470 руб.
1054151-89J00-000

Thrust, Lwr Крепление - Thrust, Lwr Mount (Нижняя опра)

под заказ1240 руб.
1154211-89J01-0EP

Нижний кронштейн Крепление - Bracket, Lower Mount (Кронштейн нижней опоры (чёрный))

под заказ16130 руб.
1254221-87J01-0EP

Крышка нижней опоры - Cover, Lower Mount (Крышка нижней опоры (чёрная))

под заказ15170 руб.
1309116-08114-000

Болт - Bolt

под заказ250 руб.
1329116-93J10-000

   (актуальный код замены) Болт - Bolt

14 шт270 руб.
1329116-93J10-000

Болт - Bolt (Bolt (8x35) # ) (Bolt)

14 шт270 руб.
1409125-05050-000

Винт (5x8) - Screw (5x8) (Screw # ) (Винт 5X8)

под заказ150 руб.
1509159-12014-000

Гайка - Nut (Гайка)

18 шт370 руб.
1609160-12066-000

Шайба (12.5x22x2.5) - Washer (125x22x25) (Washer (12.5x22x2.5) # ) (Шайба)

19 шт150 руб.
1709161-05114-000

Шайба (5.2x11x1) - Washer (52x11x1) (Washer (5.2x11.0x1.0) # ~MODEL:01 # ) (Шайба)

под заказ290 руб.


Время выполнения запроса 0.65314698219299 сек.

 
 

данный сайт носит информационный характер и не является публичной офертой

склад запчастей для водомоторной техники