Найти запчасти на подвесной лодочный мотор Сузуки DF30S/L; DF30RS/L; DF30QS/L; DF30TS/L модель 2005 года - Корпус вала передачи - Drive shaft
вконтакте

Контактный телефон: +7 (981) 121-46-93, +7 (800) 200-90-76 , Email: parts-katalog@yandex.ru, где купить

 
 

  Логин:

Пароль:

Регистрация

www.partskatalog.ru Все каталоги Запчасти Mercury Запчасти Suzuki Запчасти Tohatsu Запчасти Honda Контакты



УВАЖАЕМЫЕ КЛИЕНТЫ!
C 19 ДЕКАБРЯ 2025 ПО 02 МАРТА 2026 ГОДА ОТДЕЛ ЗАПЧАСТЕЙ И СЕРВИС РАБОТАТЬ НЕ БУДУТ
ПРОДАЖА ЛОДОЧНЫХ МОТОРОВ В ШТАТНОМ РЕЖИМЕ
ОБ ИЗМЕНЕНИЯХ В ГРАФИКЕ РАБОТЫ ЧИТАЙТЕ НА САЙТА



назад Раздел:   вперёд

Вернуться к выбору узлов мотора


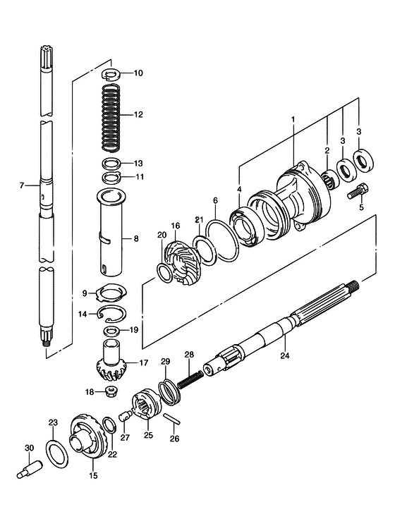
ДЕТАЛИРОВКА ДЛЯ МОДЕЛИ: SUZUKI DF30Q K5

Корпус вала передачи


Код модели двигателя: DF30S/L; DF30RS/L; DF30QS/L; DF30TS/L

Год выпуска двигателя: 2005

Цвет: Shadow Black Metallic

Номер на
рисунке
АртикулНаименованиеQTYКол-во
на складе
Цена
156120-96332-0EP

Корпус подшипника вала гребного винта - Housing, Propeller Sft Brg (Housing, prop sft brg (black) # <-6120-96331-0EP # ) (Обойма гребного вала (чёрный))

18 шт26100 руб.
209263-20047-000

Подшипник (20x26x20) - Bearing (20x26x20) (Bearing # ) (Подшипник 20X26X20)

9 шт1610 руб.
2SK09263-20047

   (не оригинальный аналог) Подшипник игольчатый гребного вала Skipper для Suzuki DT25-30, DF25-30, DF25A-30A

1 шт857 руб.
309289-20009-000

Сальник (20x34x6.5) - Seal, Oil (20x34x65) (Сальник пропеллера)

347 шт660 руб.
3SK09289-20009

   (не оригинальный аналог) Сальник гребного вала Skipper для Suzuki Модели техники: DT25-30, DF25-30

0 шт140 руб.
3SC-OL016

   (не оригинальный аналог) Сальник редуктора Suzuki SC-OL016

2 шт230 руб.
408113-60060-000

Подшипник - Bearing (Bearing, rev gear # ) (Подшипник)

9 шт2350 руб.
4SK08113-60060

   (не оригинальный аналог) Подшипник шестерни заднего хода Skipper для Suzuki DT25-30, DF25-30, DF25A-30A

0 шт835 руб.
509116-06121-000

Болт (6x25) - Bolt (6x25) (Bolt (6x25) # ) (Bolt)

19 шт260 руб.
609280-75002-000

Уплотнительное кольцо (d: 3.5, Id: 68.6) - O Ring (d:35, Id:686) (Кольцо корпуса подшипника)

54 шт320 руб.
6SK09280-75002

   (не оригинальный аналог) Кольцо уплотнительное обоймы гребного вала Skipper для Suzuki Модели техники: DT30HP, DF20-30HP, DF25A-30A

1 шт85 руб.
757110-89J00-000

Вал привода (l) - Shaft, Drive (l) (Вал ведущий)

под заказ67680 руб.
757110-89J10-000

Вал привода (s) - Shaft, Drive (s) (Вал ведущий)

под заказ64800 руб.
857133-96302-000

Воротник, Pre Load Пружина - Collar, Pre Load Spring (Collar, pre load spring # ) (Хомут пружины)

1 шт1180 руб.
957134-96301-000

Barrier, Трансмиссионное масло - Barrier, Gear Oil (Partition, oil chamber # ) (Барьер шестерни)

под заказ460 руб.
1009166-17005-000

Шайба - Washer (Washer, thrust # ) (Шайба)

3 шт570 руб.
1109167-20021-000

Шайба с блокировкой - Washer, Lock (Washer (20.5x25.5x2.0) # ) (Шайба)

18 шт260 руб.
1209440-25002-000

Пружина - Spring (Spring # ) (Пружина вала)

16 шт750 руб.
1308211-20253-000

Шайба - Washer (Шайба - опора)

8 шт210 руб.
1408331-41406-000

Стопорное кольцо - Circlip (Circlip)

17 шт230 руб.
1557510-89J00-000

Шестерня переднего хода - Gear, Forward (DF25:031748~ DF25:031590~ # )

под заказ11480 руб.
1557510-94L00-000

   (актуальный код замены) Шестерня переднего хода - Gear, Forward

8 шт11480 руб.
15SK57510-89J00

   (не оригинальный аналог) Шестерня переднего хода Skipper для Suzuki Модели техники: DT20-DT30, DF25A-DF30A

0 шт3494 руб.
1557510-89J00

   (не оригинальный аналог) Шестерня переднего хода Suzuki 57510-89J00

под заказ5750 руб.
1557510-96312

   (не оригинальный аналог) Шестерня переднего хода Suzuki 57510-96312

под заказ7750 руб.
15SC-GA172

   (не оригинальный аналог) Шестерня переднего хода Suzuki SC-GA172

под заказ5210 руб.
1557510-91L00-000

Шестерня переднего хода - Gear, Forward (Gear, forward)

под заказ9600 руб.
1557510-94L00-000

   (актуальный код замены) Шестерня переднего хода - Gear, Forward

8 шт11480 руб.
1557510-89J00

   (не оригинальный аналог) Шестерня переднего хода Suzuki 57510-89J00

под заказ5750 руб.
1557510-96312-000

(->7510-89J00 USED WITH 09181-16008 # )

под заказнет сведений
1557510-89J00

   (не оригинальный аналог) Шестерня переднего хода Suzuki 57510-89J00

под заказ5750 руб.
1509181-16008-000

Регулировочная шайба (16x24x2) - Shim (16x24x2) (Шайба)

10 шт190 руб.
1657521-89J00-000

Шестерня обратного хода - Gear, Reverse

под заказ9320 руб.
1657521-94L00-000

   (актуальный код замены) Шестерня обратного хода - Gear, Reverse

6 шт11130 руб.
1657521-89J00

   (не оригинальный аналог) Шестерня заднего хода Suzuki 57521-89J00

под заказ5390 руб.
1657521-91L00-000

Шестерня обратного хода - Gear, Reverse (Gear, reverse)

под заказ9320 руб.
1657521-94L00-000

   (актуальный код замены) Шестерня обратного хода - Gear, Reverse

6 шт11130 руб.
1657521-89J00

   (не оригинальный аналог) Шестерня заднего хода Suzuki 57521-89J00

под заказ5390 руб.
1757311-96320-000

Шестерня - Pinion

под заказ9600 руб.
1757311-91L00-000

   (актуальный код замены) Шестерня - Pinion

9 шт6890 руб.
17SK57311-96320

   (не оригинальный аналог) Шестерня ведущего вала Skipper для Suzuki Модели техники: DT25-30, DF20-30V

0 шт2431 руб.
1757311-91L00-000

Шестерня - Pinion (Pinion)

9 шт6890 руб.
1809159-08046-000

Гайка - Nut (Nut, pinion # ) (Гайка)

32 шт610 руб.
18SC-FT326

   (не оригинальный аналог) Гайка ведущей шестерни Suzuki SC-FT326

под заказ650 руб.
2209181-16008-000

Регулировочная шайба (16x24x2) - Shim (16x24x2) (DF25:031748~ DF30:031590~ # ) (Шайба)

10 шт190 руб.
2209181-16184-000

Регулировочная шайба (16x24x1.5) - Shim (16x24x15) (Washer (16x24x1.5) # ) (Шайба (16X24X1.5))

под заказ230 руб.
2457610-96311-000

Вал гребного винта - Shaft, Propeller (Гребной вал)

8 шт22080 руб.
24SK57610-96311

   (не оригинальный аналог) Вал гребной Skipper для Suzuki Модели техники: DT25-30, DF25-30, DF25A-30A

0 шт5973 руб.
2557621-89J01-000

Переключатель собачки сцепления - Shifter, Clutch Dog (<-7621-89J00 # )

под заказ7970 руб.
2557621-89J10-000

   (актуальный код замены) Переключатель собачки сцепления - Shifter, Clutch Dog

1 шт9030 руб.
2557621-89J10-000

Переключатель собачки сцепления - Shifter, Clutch Dog (Shifter, clutch dog)

1 шт9030 руб.
2557621-89J02-000

Переключатель собачки сцепления - Shifter, Clutch Dog (MODEL:07 # )

под заказ7970 руб.
2557621-89J10-000

   (актуальный код замены) Переключатель собачки сцепления - Shifter, Clutch Dog

1 шт9030 руб.
2557621-89J10-000

Переключатель собачки сцепления - Shifter, Clutch Dog (Shifter, clutch dog)

1 шт9030 руб.
2609202-05021-000

Штифт (5x34) - Pin (5x34) (Pin, clutch dog shifter # ) (Штифт)

21 шт220 руб.
2709209-08016-000

Штифт - Pin (Pin, push # ) (Pin)

20 шт390 руб.
27SK09209-08016

   (не оригинальный аналог) Слайдер переключения передач Skipper для Suzuki DF20-30/DT20-65

0 шт209 руб.
2809440-07074-000

Пружина - Spring (Spring, return)

10 шт200 руб.
2909440-35004-000

Пружина - Spring (Spring, dog # ) (Пружина)

2 шт160 руб.
3057631-96301-000

Тяга толкателя - Rod, Push (Rod, push # ) (Толкатель)

9 шт1130 руб.


Время выполнения запроса 1.6197600364685 сек.

 
 

данный сайт носит информационный характер и не является публичной офертой

склад запчастей для водомоторной техники