Найти запчасти на подвесной двигатель Suzuki модель 2006 года - Опции: переключатели panel
вконтакте

Контактный телефон: +7 (981) 121-46-93, +7 (800) 200-90-76 , Email: parts-katalog@yandex.ru, где купить

 
 

  Логин:

Пароль:

Регистрация

www.partskatalog.ru Все каталоги Запчасти Mercury Запчасти Suzuki Запчасти Tohatsu Запчасти Honda Контакты



УВАЖАЕМЫЕ КЛИЕНТЫ!
C 19 ДЕКАБРЯ 2025 ПО 02 МАРТА 2026 ГОДА ОТДЕЛ ЗАПЧАСТЕЙ И СЕРВИС РАБОТАТЬ НЕ БУДУТ
ПРОДАЖА ЛОДОЧНЫХ МОТОРОВ В ШТАТНОМ РЕЖИМЕ
ОБ ИЗМЕНЕНИЯХ В ГРАФИКЕ РАБОТЫ ЧИТАЙТЕ НА САЙТА



назад Раздел:   вперёд

Вернуться к выбору узлов мотора


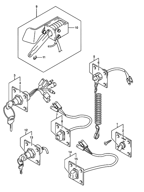
ДЕТАЛИРОВКА ДЛЯ МОДЕЛИ: SUZUKI DF30T K6

Опции: переключатели panel


Год выпуска двигателя: 2006

Номер на
рисунке
АртикулНаименованиеQTYКол-во
на складе
Цена
137210-92E00-000

Панель выключателя освещения, в сбореitch - Panel Assy, Lighting Switch (TYPE:Q/QR/T # )

под заказ9750 руб.
137210-93J00-000

   (актуальный код замены) Панель выключателя освещения, в сбореitch - Panel Assy, Lighting Switch

под заказ9750 руб.
137210-93J00-000

Панель выключателя освещения, в сбореitch - Panel Assy, Lighting Switch (Панель переключателя освещения)

под заказ9750 руб.
137210-93J00-000

Панель выключателя освещения, в сбореitch - Panel Assy, Lighting Switch (TYPE:T MODEL:04 # ) (Панель переключателя освещения)

под заказ9750 руб.
237212-92E00-000

Запчасть снята с производства - The Spare Part Is Laid Off

под заказ0 руб.
237212-93J00-000

Панель выключателя освещения - Panel, Lighting Sw (FOR 37210-93J00 # ) (Панель переключателя освещения)

под заказ4080 руб.
337100-92E00-000

Панель выключателя зажигания, в сборе - Panel Assy, Ignition Switch (TYPE:QR/T ->7100-92E01 # )

под заказ10610 руб.
337100-99E01-000

   (актуальный код замены) Панель выключателя зажигания, в сборе - Panel Assy, Ignition Switch

под заказ10610 руб.
337100-99E00-000

Панель выключателя зажигания, в сборе - Panel Assy, Ignition Switch (Ignition switch set # ) (Панель замка зажигания)

под заказ10610 руб.
337100-99E01-000

   (актуальный код замены) Панель выключателя зажигания, в сборе - Panel Assy, Ignition Switch

под заказ10610 руб.
437139-92E00-000

Панель выключателя зажигания - Panel, Ignition Switch (TYPE:QR/T # )

под заказ3920 руб.
437139-92E01-000

   (актуальный код замены) Панель выключателя зажигания - Panel, Ignition Switch

под заказ3920 руб.
437139-92E01-000

Панель выключателя зажигания - Panel, Ignition Switch (Panel, ignition switch # ) (Панель)

под заказ3920 руб.
537803-92E00-000

Панель аварийного выключателя двигателяitch - Panel Assy, Emergency Switch (TYPE:QR/T # )

под заказ7400 руб.
537803-99E06-000

   (актуальный код замены) Панель аварийного выключателя двигателяitch - Panel Assy, Emergency Switch

под заказ7400 руб.
537803-99E03-000

Панель аварийного выключателя двигателяitch - Panel Assy, Emergency Switch

под заказ7400 руб.
537803-99E06-000

   (актуальный код замены) Панель аварийного выключателя двигателяitch - Panel Assy, Emergency Switch

под заказ7400 руб.
537803-99E00-000

Панель аварийного выключателя двигателяitch - Panel Assy, Emergency Switch (TYPE:T MODEL:04 # )

под заказ7400 руб.
537803-99E06-000

   (актуальный код замены) Панель аварийного выключателя двигателяitch - Panel Assy, Emergency Switch

под заказ7400 руб.
637825-92E00-000

Панель аварийного выключателя двигателя - Panel, Emergency Sw (Panel # TYPE:QR/T # ) (Панель аварийного переключателя)

под заказ3920 руб.
637825-99E00-000

Панель аварийного выключателя двигателя - Panel, Emergency Stop Sw (Panel, emergency sw # FOR 37803-99E00 # ) (Панель)

под заказ4080 руб.
737805-92E00-000

Панель управления гидроподъемом, в сборе - Panel Assy, Ptt Sw (Panel assy, ptt sw # TYPE:T # ) (Панель)

под заказ10900 руб.
837855-92E00-000

Панель управления гидроподъемом - Panel, Ptt Sw (TYPE:T # )

под заказ4080 руб.
837855-99E00-000

   (актуальный код замены) Панель управления гидроподъемом - Panel, Ptt Sw

под заказ4080 руб.
837855-99E00-000

Панель управления гидроподъемом - Panel, Ptt Sw (Panel # ) (Панель переключателя)

под заказ4080 руб.
938600-89J00-000

Solenoid Set, Choke - Solenoid Set, Choke (Комплект соленоида)

под заказ14840 руб.
1038610-89J01-000

Соленоид заслонки - Solenoid, Choke (Solenoid, choke # ) (Solenoid)

под заказ10760 руб.
1109383-03001-000

Уплотнительное кольцо - E Ring (E ring)

под заказ110 руб.
1237100-92E01-000

Панель выключателя зажигания, в сборе - Panel Assy, Ignition Switch (TYPE:T # )

под заказ10610 руб.
1237100-99E01-000

   (актуальный код замены) Панель выключателя зажигания, в сборе - Panel Assy, Ignition Switch

под заказ10610 руб.
1237100-99E00-000

Панель выключателя зажигания, в сборе - Panel Assy, Ignition Switch (Ignition switch set # ) (Панель замка зажигания)

под заказ10610 руб.
1237100-99E01-000

   (актуальный код замены) Панель выключателя зажигания, в сборе - Panel Assy, Ignition Switch

под заказ10610 руб.
1337139-92E01-000

Панель выключателя зажигания - Panel, Ignition Switch (Panel, ignition switch # TYPE:T # ) (Панель)

под заказ3920 руб.
1337139-99E00-000

Панель выключателя зажигания - Panel, Ignition Switch (Panel, ignition switch # FOR 37100-99E00 # ) (Панель)

под заказ4080 руб.
1437805-99E00-000

Панель управления гидроподъемом, в сборе - Panel Assy, Ptt Sw (TYPE:T MODEL:04 # ) (Панель переключателя)

под заказ8980 руб.
1537855-99E00-000

Панель управления гидроподъемом - Panel, Ptt Sw (Panel # TYPE:T MODEL:04 # ) (Панель переключателя)

под заказ4080 руб.


Время выполнения запроса 1.1991620063782 сек.

 
 

данный сайт носит информационный характер и не является публичной офертой

склад запчастей для водомоторной техники