Подобрать запчасти Сузуки DF30S/L; DF30RS/L; DF30QS/L; DF30TS/L модель 2007 года - Engine holder
вконтакте

Контактный телефон: +7 (981) 121-46-93, +7 (800) 200-90-76 , Email: parts-katalog@yandex.ru, где купить

 
 

  Логин:

Пароль:

Регистрация

www.partskatalog.ru Все каталоги Запчасти Mercury Запчасти Suzuki Запчасти Tohatsu Запчасти Honda Контакты



УВАЖАЕМЫЕ КЛИЕНТЫ!
C 19 ДЕКАБРЯ 2025 ПО 02 МАРТА 2026 ГОДА ОТДЕЛ ЗАПЧАСТЕЙ И СЕРВИС РАБОТАТЬ НЕ БУДУТ
ПРОДАЖА ЛОДОЧНЫХ МОТОРОВ В ШТАТНОМ РЕЖИМЕ
ОБ ИЗМЕНЕНИЯХ В ГРАФИКЕ РАБОТЫ ЧИТАЙТЕ НА САЙТА



назад Раздел:   вперёд

Вернуться к выбору узлов мотора


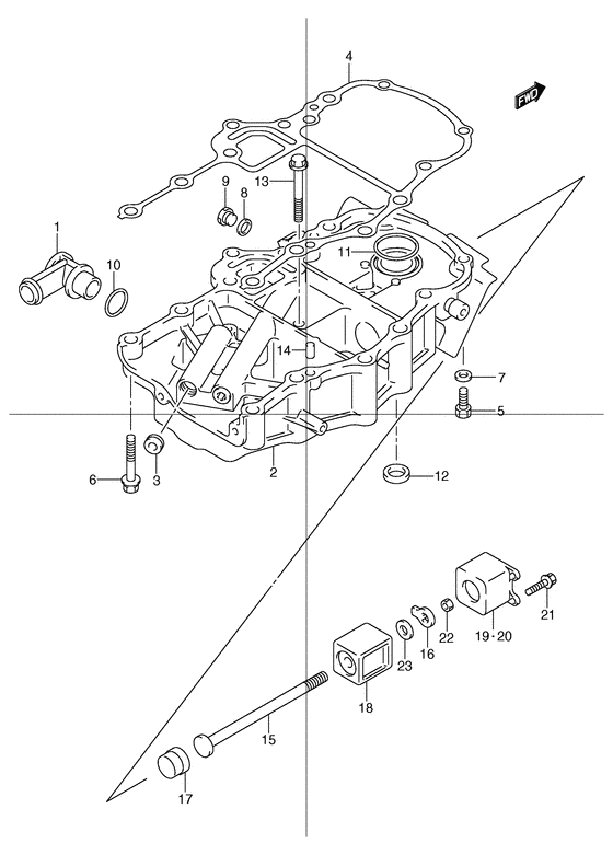
ДЕТАЛИРОВКА ДЛЯ МОДЕЛИ: SUZUKI DF30QK7(E1) K7

Основание двигателя


Код модели двигателя: DF30S/L; DF30RS/L; DF30QS/L; DF30TS/L

Год выпуска двигателя: 2007

Регион: General Export No.1 ,Код региона: P01

Цвет: Shadow Black Metallic

Номер на
рисунке
АртикулНаименованиеQTYКол-во
на складе
Цена
117573-89J02-000

Трубка, Water Return Шланг - Pipe, Water Return Hose (Трубка)

под заказ1110 руб.
251110-89J05-0EP

Держатель двигателя (чёрный) - Holder, Engine (black) (Holder, engine (black); # ) (основание двигателя (чёрный))

под заказ0 руб.
309246-08004-000

Заглушка, 3 / 8pt H: 4 - Plug, 3/8pt H:4 (Plug)

под заказ260 руб.
451211-89J00-000

Прокладка основания двигателя - Gasket, Engine Holder (Прокладка держателя)

под заказ5280 руб.
509106-08146-000

Болт (6x30) - Bolt (6x30) (Bolt (8x30); # ) (Bolt (8x30))

под заказ410 руб.
609116-08097-000

Болт (8x50) - Bolt (8x50) (Bolt (8x50); # )

под заказ420 руб.
609116-08156-000

   (актуальный код замены) Болт (8x50) - Bolt (8x50)

под заказ420 руб.
609116-08156-000

Болт (8x50) - Bolt (8x50) (Bolt, gear case (l50))

под заказ420 руб.
709160-08082-000

Шайба (8.5x16x1.2) - Washer (85x16x12) (Washer (8.5x16x1.2); # ) (Шайба)

13 шт120 руб.
809168-12017-000

Прокладка (12x17x1) - Gasket (12x17x1) (Gasket, drain plug # Gasket (12x17x1.0); # ) (Gasket (12x17x1))

162 шт270 руб.
909248-12007-000

Заглушка (12x9) - Plug (12x9) (Plug # ) (Заглушка)

4 шт720 руб.
1009280-20006-000

Уплотнительное кольцо (d: 1.9, Id: 19.8) - O Ring (d:19, Id:198) (O ring (d:1.9 id:19.8) # O ring (d:1.9 id:19.8); # ) (Кольцо (D:1.9 ID:19.8))

7 шт150 руб.
1109280-42003-000

Уплотнительное кольцо (d: 2.4, Id: 41.7) - O Ring (d:24, Id:417) (O ring (d:2.4 id:41.7) # O ring (d:2.4 id:41.7); # ) (O ring (d:2.4, id:41.7))

8 шт650 руб.
1209282-17009-000

Сальник (17x28x6) - Seal, Oil (17x28x6) (Oil seal (17x28x6) # ) (Уплотнение 17X28X6)

33 шт980 руб.
12SK09282-17009

   (не оригинальный аналог) Сальник ведущего вала Skipper для Suzuki Модели техники: DT40-65HP, DF25-50HP

0 шт150 руб.
1301550-08657-000

Болт - Bolt (Bolt, throttle lever holder # ) (Bolt)

под заказ290 руб.
1404221-08149-000

Штифт - Pin (Pin # ) (Стопор)

под заказ150 руб.
1554112-89J00-000

Болт, вышеr Крепление - Bolt, Upr Mount

под заказ2740 руб.
1554112-89J01-000

   (актуальный код замены) Болт, вышеr Крепление - Bolt, Upr Mount

под заказ2740 руб.
1554112-89J01-000

Болт, вышеr Крепление - Bolt, Upr Mount (Bolt, upper mount)

под заказ2740 руб.
1654113-89J00-000

Шайба болта верхней опоры - Washer, Upr Mount Bolt

под заказ560 руб.
1654113-89J01-000

   (актуальный код замены) Шайба болта верхней опоры - Washer, Upr Mount Bolt

под заказ560 руб.
1654113-89J01-000

Шайба болта верхней опоры - Washer, Upr Mount Bolt (Washer, upper mount bolt)

под заказ560 руб.
1754125-89J00-000

Стопор, вышеr Reverse Thrust - Stopper, Upr Reverse Thrust (Оправка)

под заказ590 руб.
1854130-89J00-000

Крепление, вышеr - Mount, Upr

под заказ5480 руб.
1854130-89J01-000

   (актуальный код замены) Крепление, вышеr - Mount, Upr

под заказ5480 руб.
1854130-89J01-000

Крепление, вышеr - Mount, Upr (Опора верхняя)

под заказ5480 руб.
1954148-89J00-0EP

Крышка верхней опоры Stbd - Cover, Upper Mount Stbd (Cover, upper mount stbd (black) # Cover, upper mount stbd (black); # ) (Крышка верхней опоры (чёрная))

1 шт13540 руб.
2054149-89J00-0EP

Крышка верхней опоры Port - Cover, Upper Mount Port (Cover, upper mount port (black) # Cover, upper mount port (black); # ) (Крышка верхней опоры (чёрная))

1 шт13540 руб.
2109116-06121-000

Болт (6x25) - Bolt (6x25) (Bolt (6x25) # Bolt (6x25); # ) (Bolt)

19 шт260 руб.
2209159-10050-000

Гайка - Nut (Nut (m10); # ) (Гайка)

8 шт250 руб.
2309160-10081-000

Шайба (10x20x3) - Washer (10x20x3) (Washer (10x20x3.0) # Washer (10x20x3.0); # ) (Шайба)

под заказ240 руб.


Время выполнения запроса 4.6993081569672 сек.

 
 

данный сайт носит информационный характер и не является публичной офертой

склад запчастей для водомоторной техники