| |
 |
|
 |
Вернуться к выбору узлов мотора
ДЕТАЛИРОВКА ДЛЯ МОДЕЛИ: SUZUKI DF30Q K7
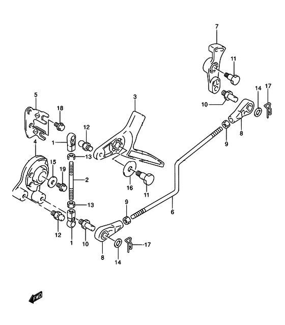
Управление дросселем
Код модели двигателя: DF30S/L; DF30RS/L; DF30QS/L; DF30TS/L
Год выпуска двигателя: 2007
Цвет: Shadow Black Metallic
Номер на рисунке | Артикул | Наименование | QTY | Кол-во на складе | Цена |
| 1 | 19131-95502-000 | Коннектор - Connector (Connector, oil pump no.2 # ) (Коннектор) | | 21 шт | 530 руб. |
| 2 | 19135-89J00-000 | Тяга дросселя Cam - Rod, Throttle Cam (Штанга дросселя) | | под заказ | 0 руб. |
| 3 | 19141-89J00-000 | Кулачок дросселя Клапан - Cam, Throttle Valve (Кулачок дросселя) | | под заказ | 980 руб. |
| 4 | 19148-89J10-000 | Барабан дросселя - Drum, Throttle (Барабан дросселя) | | 1 шт | 1140 руб. |
| 5 | 19184-89J00-000 | Кронштейн тросика газа - Bracket, Throttle Cable (Кронштейн дросселя) | | под заказ | 660 руб. |
| 6 | 19656-89J00-000 | Тяга дросселя Limiter - Rod, Throttle Limiter (Штанга ограничителя дросселя) | | под заказ | 1380 руб. |
| 7 | 19811-89J00-000 | Ограничитель дросселя - Limiter, Throttle (Ограничитель дросселя) | | под заказ | 1010 руб. |
| 8 | 67467-89J01-000 | Коннектор - Connector (Переходник) | | 72 шт | 850 руб. |
| 9 | 67471-99E00-000 | Гайка кабеля дистанционного управления - Nut, Remocon Cable (Nut, connector # ) (Гайка соединяющая) | | под заказ | 320 руб. |
| 10 | 67473-89J00-000 | Штифт коннектора - Pin, Connector (Штифт) | | под заказ | 780 руб. |
| 11 | 09111-06064-000 | Болт (6x17) - Bolt (6x17) (Bolt, clutch control arm # ) (Bolt) | | 15 шт | 860 руб. |
| 12 | 09119-05010-000 | Стержень - Pivot (Pivot, throttle lever # ) (Bolt) | | под заказ | 500 руб. |
| 13 | 09140-05005-000 | Гайка - Nut (Гайка) | | 10 шт | 270 руб. |
| 14 | 09160-06055-000 | Шайба (7x12x1) - Washer (7x12x1) (Washer (7x12x1.0) # ) (Шайба) | | 67 шт | 130 руб. |
| 15 | 09160-06084-000 | Шайба (6.5x18x1.6) - Washer (65x18x16) (Washer # ) (Шайба 6.5X18X1) | | 7 шт | 130 руб. |
| 16 | 09160-08045-000 | Шайба (8x22x1) - Washer (8x22x1) (Washer (8x22x1.0) # ) (Шайба) | | под заказ | 220 руб. |
| 17 | 09385-06012-000 | Зажим - Clip (Clip) | | 134 шт | 150 руб. |
| 18 | 01550-06127-000 | Болт - Bolt (Bolt, rect # ) (Bolt) | | 10 шт | 180 руб. |
| 19 | 01550-06127-000 | Болт - Bolt (Bolt, rect # ) (Bolt) | | 10 шт | 180 руб. |
Время выполнения запроса 1.519012928009 сек. |
|