Оригинальные запчасти на подвесной двигатель Suzuki DF40ASTS/L - Cylinder head - Головка блока цилиндра
вконтакте

Контактный телефон: +7 (981) 121-46-93, +7 (800) 200-90-76 , Email: parts-katalog@yandex.ru, где купить

 
 

  Логин:

Пароль:

Регистрация

www.partskatalog.ru Все каталоги Запчасти Mercury Запчасти Suzuki Запчасти Tohatsu Запчасти Honda Контакты



УВАЖАЕМЫЕ КЛИЕНТЫ!
C 19 ДЕКАБРЯ 2025 ПО 02 МАРТА 2026 ГОДА ОТДЕЛ ЗАПЧАСТЕЙ И СЕРВИС РАБОТАТЬ НЕ БУДУТ
ПРОДАЖА ЛОДОЧНЫХ МОТОРОВ В ШТАТНОМ РЕЖИМЕ
ОБ ИЗМЕНЕНИЯХ В ГРАФИКЕ РАБОТЫ ЧИТАЙТЕ НА САЙТА



назад Раздел:   вперёд

Вернуться к выбору узлов мотора


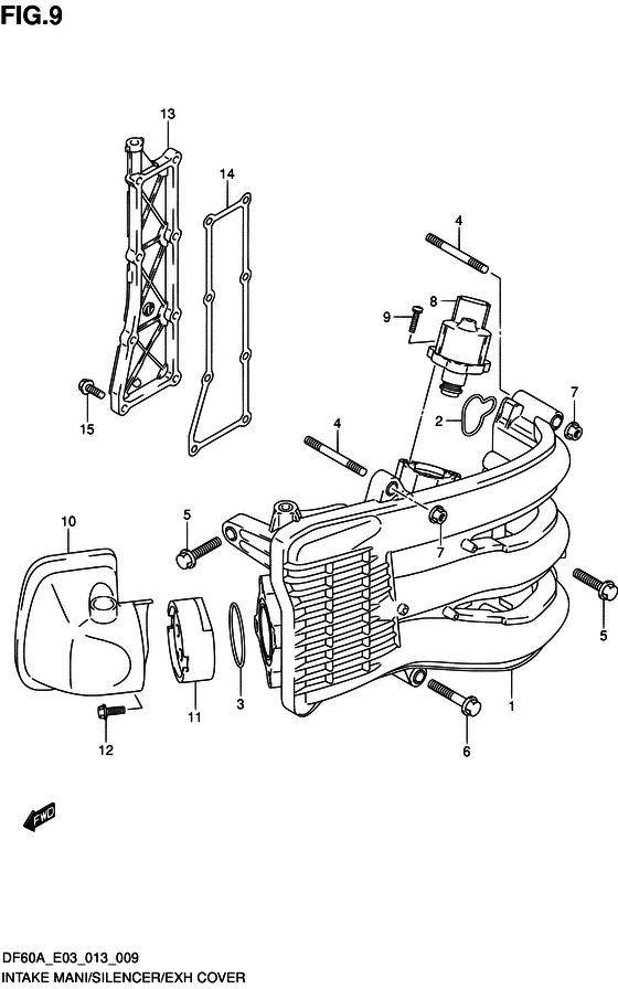
ДЕТАЛИРОВКА ДЛЯ МОДЕЛИ: SUZUKI DF40ASTS FROM 04004F-310001~ (E34)

Головка блока цилиндра


Код модели двигателя: DF40ASTS/L

Год выпуска двигателя: 2013

Регион: Italy ,Код региона: P34

Цвет: Shadow Black Metallic

Номер на
рисунке
АртикулНаименованиеQTYКол-во
на складе
Цена
111100-88L00-000

Головка блока цилиндра - Head Assy, Cylinder (Head assy, cylinder)

под заказнет сведений
211115-73G01-001

Направляющая клапана - Guide, Valve (Направляющая клапана)

под заказ2750 руб.
309103-06266-000

Болт (6x40) - Bolt (6x40) (Bolt, 6x40 # ) (Bolt)

под заказ170 руб.
409206-08001-000

Штифт (6.2x8x11) - Pin (62x8x11) (Pin # ) (Стопор)

9 шт130 руб.
511261-93J00-000

Крышка защитного анода - Cover, Protection Anode (Крышка протектора)

под заказ1600 руб.
609280-22019-000

Уплотнительное кольцо (d: 1.9, Id: 21.8) - O Ring (d:19, Id:218) (O ring # ) (Кольцо уплотнительное)

16 шт210 руб.
6SK09280-22019

   (не оригинальный аналог) Кольцо уплотнительное головки блока цилиндров Skipper для Suzuki Модели техники: 4-stroke 8-350HP

0 шт64 руб.
755321-87J00-000

Защитный анод - Anode, Protection (Протекторная защита)

1 шт750 руб.
755321-87J01-000

   (актуальный код замены) Защитный анод - Anode, Protection

под заказ850 руб.
7SMO-55321-87J01-000

   (не оригинальный аналог) Защитный анод SMO-55321-87J01-000 (оригинал)

под заказ590 руб.
7SMO-55321-87J01-000

  (аналог) Защитный анод SMO-55321-87J01-000 (оригинал) - код 55321-87J01-000

 под заказ шт585 руб.
755321-87J10-000

Анод, Magnesium - Anode, Magnesium (OPT # ) (Анод)

под заказ1490 руб.
755321-87J11-000

   (актуальный код замены) Анод (магниевый) - Anode (magnesium)

27 шт1490 руб.
809103-06281-000

Болт (6x14) - Bolt (6x14) (Bolt, protection anode # ) (Bolt)

6 шт270 руб.
901550-08207-000

Болт - Bolt (Bolt)

10 шт240 руб.
1011119-87J00-000

Болты головки цилиндра - Bolt, Cylinder Head (Bolt, cylinder head # ) (Болт головки цилиндров)

под заказ700 руб.
1111141-88L00-000

Прокладка головки блока цилиндра - Gasket, Cyl Head (Gasket, cylinder head)

3 шт7000 руб.
1201550-08457-000

Болт - Bolt (Bolt, cyl head no.5 # ) (Bolt)

под заказ260 руб.
1304211-13189-000

Штифт - Pin (Pin)

под заказ200 руб.
1411382-99E00-000

Колпачок масляного фильтра - Cap, Oil Filler (Cap, oil filler # ) (Крышка масляного бака)

10 шт1110 руб.
1509280-26006-000

Уплотнительное кольцо (d: 3.1, Id: 26.4) - O Ring (d:31, Id:264) (O ring # ) (Кольцо уплотнительное)

2 шт220 руб.
1611170-88L10-000

Крышка головки цилиндра - Cover, Cylinder Head (Cover, cylinder head)

под заказ28320 руб.
1711189-88L00-000

Прокладка крышки головки блока цилиндра - Gasket, Cyl Head Cover (Gasket, cylinder head cover)

13 шт2690 руб.
1801547-06257-000

Болт - Bolt (Bolt # ) (Bolt (6x25))

под заказ160 руб.
1901547-06457-000

Болт - Bolt (Bolt # ) (Bolt (6x45))

под заказ180 руб.
2011173-88L00-000

Пластина сапуна - Plate, Breather (Plate, breather)

под заказ830 руб.
2102142-0612A-000

Винт - Screw (Screw # ) (Винт)

под заказ110 руб.
2211174-88L00-000

Шланг сапуна - Hose, Breather (Hose, breather)

под заказ2450 руб.
2211174-88L01-000

   (актуальный код замены) Шланг сапуна - Hose, Breather

под заказ2450 руб.
2309401-15414-000

Зажим - Clip (Зажим шланга)

под заказ170 руб.
2409403-17303-000

Струбцина - Clamp (Clamp)

под заказ340 руб.
2409403-17312-000

   (актуальный код замены) Струбцина, Сапун шланга - Clamp, Breather Hose

под заказ340 руб.
2501550-06127-000

Болт - Bolt (Bolt, rect # ) (Bolt)

10 шт180 руб.
2611194-88L10-000

Направляющая топливного шланга - Guard, Fuel Hose (Guard, fuel hose)

2 шт1900 руб.
2701550-06167-000

Болт - Bolt (Bolt)

9 шт210 руб.
2809482-00446-000

Свеча зажигания (ngk Dcpr6e) - Plug, Spark (ngk Dcpr6e) (Свеча зажигания)

101 шт1480 руб.
2911115-73G01-001

Направляющая клапана - Guide, Valve (OPT # ) (Направляющая клапана)

под заказ2750 руб.


Время выполнения запроса 2.6490259170532 сек.

 
 

данный сайт носит информационный характер и не является публичной офертой

склад запчастей для водомоторной техники