Подобрать оригинальные запчасти на подвесной двигатель Suzuki DF40ASTS/L модель 2013 года - Румпель
вконтакте

Контактный телефон: +7 (981) 121-46-93, +7 (800) 200-90-76 , Email: parts-katalog@yandex.ru, где купить

 
 

  Логин:

Пароль:

Регистрация

www.partskatalog.ru Все каталоги Запчасти Mercury Запчасти Suzuki Запчасти Tohatsu Запчасти Honda Контакты



УВАЖАЕМЫЕ КЛИЕНТЫ!
C 19 ДЕКАБРЯ 2025 ПО 02 МАРТА 2026 ГОДА ОТДЕЛ ЗАПЧАСТЕЙ И СЕРВИС РАБОТАТЬ НЕ БУДУТ
ПРОДАЖА ЛОДОЧНЫХ МОТОРОВ В ШТАТНОМ РЕЖИМЕ
ОБ ИЗМЕНЕНИЯХ В ГРАФИКЕ РАБОТЫ ЧИТАЙТЕ НА САЙТА



назад Раздел:   вперёд

Вернуться к выбору узлов мотора


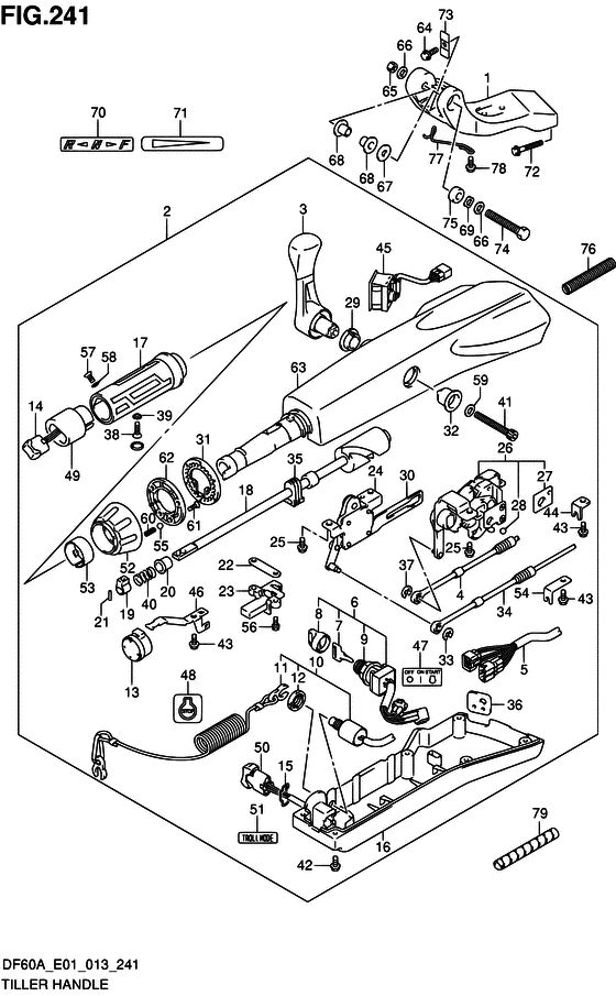
ДЕТАЛИРОВКА ДЛЯ МОДЕЛИ: SUZUKI DF40ASTS FROM 04004F-310001~ (E34)

Румпель


Код модели двигателя: DF40ASTS/L

Год выпуска двигателя: 2013

Регион: Italy ,Код региона: P34

Цвет: Shadow Black Metallic

Номер на
рисунке
АртикулНаименованиеQTYКол-во
на складе
Цена
143761-88L00-0EP

Кронштейн рукоятки румпеля - Bracket, Tiller Handle

под заказ44160 руб.
143761-88L01-0EP

   (актуальный код замены) Кронштейн рукоятки румпеля - Bracket, Tiller Handle

под заказ44160 руб.
143761-88L01-0EP

Кронштейн рукоятки румпеля - Bracket, Tiller Handle (Bracket, tiller handle)

под заказ44160 руб.
263110-88L30-0EP

Handle в сборе, Tiller - Handle Assy, Tiller

под заказ158400 руб.
263110-88L34-YAY

   (актуальный код замены) Handle в сборе, Tiller - Handle Assy, Tiller

под заказ158400 руб.
321110-88L00-000

Рычаг переключателя - Lever, Shift (Lever comp, shift)

под заказ10660 руб.
423230-88L00-000

Кабель переключения - Cable, Shift (Cable, shift)

под заказ8500 руб.
536620-88L10-000

Электропроводка румпеля - Wire Assy, Handle (Wire assy, handle)

под заказ10320 руб.
536620-88L11-000

   (актуальный код замены) Электропроводка румпеля - Wire Assy, Handle

под заказ10320 руб.
637110-87L01-000

Выключатель зажигания - Switch Assy, Ignition (Switch assy, ignition)

под заказ9940 руб.
637110-87L02-000

   (актуальный код замены) Выключатель зажигания - Switch Assy, Ignition

под заказ9940 руб.
737141-99E00-000

Ключ (931) - Key (931) (Ключ (931))

под заказ1660 руб.
737141-99E10-000

Ключ (932) - Key (932) (Ключ (932))

1 шт1380 руб.
737141-99E20-000

Ключ (933) - Key (933) (Ключ (933))

под заказ1380 руб.
737141-99E30-000

Ключ (934) - Key (934) (Ключ (934))

1 шт1380 руб.
737141-99E40-000

Ключ (935) - Key (935) (Ключ (935))

под заказ1380 руб.
737141-99E50-000

Ключ (936) - Key (936) (Ключ (936))

под заказ1380 руб.
737141-99E60-000

Ключ (937) - Key (937) (Ключ (937))

1 шт1380 руб.
737141-99E70-000

Ключ (938) - Key (938) (Ключ (938))

под заказ1380 руб.
737141-99E80-000

Ключ (939) - Key (939) (Ключ (939))

1 шт1480 руб.
737141-99E90-000

Ключ (940) - Key (940) (Ключ (940))

1 шт1510 руб.
737141-99EA0-000

Ключ (941) - Key (941) (Ключ (941))

1 шт1510 руб.
737141-99EB0-000

Ключ (942) - Key (942) (Ключ (942))

под заказ1380 руб.
837143-99E00-000

Колпачок ключа - Cap, Key (Колпачок ключа)

под заказ600 руб.
837143-99E01-000

   (актуальный код замены) Колпачок ключа - Cap, Key

2 шт640 руб.
937149-93J00-000

Колпачок корпуса цилиндра - Cap, Cylinder Body (Cap, cylinder body)

3 шт760 руб.
1037820-87L00-000

Аварийный выключатель, в сборе - Switch Assy, Emergency

под заказ5520 руб.
1037820-87L02-000

   (актуальный код замены) Аварийный выключатель, в сборе - Switch Assy, Emergency

под заказ5520 руб.
1037820-87L01-000

Аварийный выключатель, в сборе - Switch Assy, Emergency (SWITCH ASSY, EMERGENCY)

под заказ5520 руб.
1037820-87L02-000

   (актуальный код замены) Аварийный выключатель, в сборе - Switch Assy, Emergency

под заказ5520 руб.
1137823-92E01-000

Пластина блокировки аварийного выключателя - Plate Assy, Emergency Sw Lock (Plate)

под заказ2570 руб.
1137823-92E02-000

   (актуальный код замены) Пластина блокировки аварийного выключателя - Plate Assy, Emergency Sw Lock

3 шт2770 руб.
1237826-92E00-000

Гайка - Nut (Гайка)

под заказ740 руб.
1338500-93J90-000

Предупреждающий зуммер - Buzzer, Warning (Зуммер)

под заказ3890 руб.
1467263-88L00-000

Колпачок переключателя - Cap, Switch (Cap, switch)

под заказ1000 руб.
1537852-87J00-000

Пластителя переключателя трима - Plate, Trim Switch (Plate, trim switch)

под заказ1450 руб.
1663121-88L00-000

Нижняя крышка - Cover, Under (Cover, under)

под заказ4080 руб.
1763210-88L00-000

Рукоятка румпеля - Grip, Handle (Grip comp, handle)

под заказ4320 руб.
1863221-88L00-000

Вал, Дроссель - Shaft, Throttle (Shaft comp, throttle)

под заказ6480 руб.
1963223-92D00-000

Стопор тяги румпеля - Stopper, Handle Rod (Stopper, handle rod # ) (Стопор ручки)

под заказ430 руб.
2063225-88L00-000

Втулка тяги румпеля - Bush, Handle Rod (Bush, handle rod)

под заказ960 руб.
2163227-93200-000

Штифт, Handle Тяга - Pin, Handle Rod (Pin, handle rod # ) (Штифт)

под заказ220 руб.
2263235-88L00-000

Пластина, Вал дросселя - Plate, Throttle Shaft (Plate, throttle shaft)

под заказ850 руб.
2363246-88L00-000

Стопор, Дроссель Adjust - Stopper, Throttle Adjust (Stopper, throttle adj)

под заказ1140 руб.
2463250-88L00-000

Рычаг в сборе, Дроссель - Arm Assy, Throttle (Arm assy, throttle)

под заказ12630 руб.
2563251-87J00-000

Болт, Механизм переключения передач - Bolt, Shift Gear Assy (Bolt, shift gear assy)

под заказ330 руб.
2663260-88L00-000

Шестерня в сборе, Переключатель - Gear Assy, Shift (Gear assy, shift)

под заказ17240 руб.
2763272-87J00-000

Пластина направляющей шарика - Plate, Ball Guide (Плата)

под заказ1100 руб.
2863273-87J00-000

Шарик - Ball (Ball)

под заказ590 руб.
2963262-87J00-000

Втулка, Рычаг переключения - Bush, Shift Lever (Bush, shift lever # ) (Втулка сцепления)

под заказ410 руб.
3063271-87J00-000

Плата блокировки - Plate, Lock (Плата замка)

под заказ1760 руб.
3163248-99J00-000

Пластина регулировки дросселя Notch - Plate, Throttle Adj Notch (Plate, throttle adj notch)

под заказ440 руб.
3263261-87J00-000

Втулка шестерни переключателя - Bush, Shift Gear (Bush, shift gear # ) (Втулка шестерни)

под заказ1250 руб.
3363274-87J00-000

Уплотнительное кольцо - E Ring (E ring)

под заказ260 руб.
3463610-88L00-000

Тросик дросселя - Cable, Throttle (Cable, throttle)

под заказ8550 руб.
3537853-88L90-000

Втулка провода выключателя гидроподъема - Grommet, Ptt Sw Lead (Grommet, ptt sw lead)

под заказ900 руб.
3663626-88L00-000

Пыльник кабеля - Grommet, Cable (Grommet, cable)

под заказ1270 руб.
3767292-87J00-000

Уплотнительное кольцо - E Ring (E ring # ) (Кольцо Е)

под заказ260 руб.
3809126-06015-000

Винт (6x23) - Screw (6x23) (Винт M6X23)

6 шт190 руб.
3909163-06001-000

Шайба с блокировкой - Washer, Lock (Шайба)

13 шт120 руб.
4009440-12027-000

Пружина - Spring (Пружина ручки)

12 шт170 руб.
4121112-88L00-000

Болт, Рычаг переключения - Bolt, Shift Lever (Bolt, shift lever)

под заказ1110 руб.
4209125-05047-000

Винт (5x14) - Screw (5x14) (Screw (5x14) # ) (Болт)

под заказ150 руб.
4363611-88L00-000

Болт струбцины транца - Bolt, Clamp Bracket (Bolt, clamp bracket)

под заказ1140 руб.
4463612-87J00-000

Струбцина транца - Bracket, Clamp (Кронштейн)

под заказ2910 руб.
4534200-87L00-000

Тахометр в сборе With Monitor - Tachometer Assy With Monitor (Tachometer assy, with monitor)

под заказ18680 руб.
4636617-88L90-000

Струбцина главной проводки - Clamp, Main Harness (Clamp plate, main harness)

под заказ960 руб.
4737112-88L90-000

Наклейка на выключатель зажигания - Label, Ignition Sw (Label, ignition sw)

под заказ830 руб.
4737112-88L91-000

   (актуальный код замены) Наклейка на выключатель зажигания - Label, Ignition Sw

под заказ830 руб.
4837835-95D00-000

Наклейка СТОП - Label, Stop (Наклейка)

под заказ130 руб.
4837835-91J00-YAY

   (актуальный код замены) Наклейка СТОП - Label, Stop

под заказ130 руб.
4937851-88L90-000

Основание выключателя гидроподъема - Base, Ptt Sw (Base, ptt sw)

под заказ1450 руб.
5037861-87L10-000

Выключатель режима троллинга - Switch, Trolling Control (Switch comp, trolling control)

под заказ5810 руб.
5037861-87L11-000

   (актуальный код замены) Переключатель Comp, Trolling Управление - Switch Comp, Trolling Control

под заказ5810 руб.
5137864-88L90-000

Наклейка - режим троллинга - Label, Troll Mode (Label, troll mode)

под заказ700 руб.
5137864-88L91-000

   (актуальный код замены) Наклейка - режим троллинга - Label, Troll Mode

под заказ700 руб.
5263244-99J00-000

Ручка регулировки дросселя - Knob, Throttle Adj (Knob, throttle adj)

под заказ790 руб.
5363245-99J00-000

Втулка регулировки дросселя - Bush, Throttle Adj (Bush, throttle adj)

под заказ410 руб.
5463612-88L10-000

Вал струбцины транца - Bracket, Clamp Shift (Bracket, clamp shift)

под заказ960 руб.
5509260-10006-000

Шарик - Ball (Ball)

под заказ220 руб.
5663251-88L90-000

Болт - Bolt (Bolt)

под заказ330 руб.
5737855-88L90-000

Винт рукоятки дросселя - Screw, Throttle Grip (Screw, throttle grip)

под заказ280 руб.
5837854-88L90-000

Шайба рукоятки дросселя - Washer, Throttle Grip (Washer, throttle grip)

под заказ240 руб.
5963258-88L00-000

Шайба - Washer (Шайба)

под заказ200 руб.
6009440-06037-000

Пружина - Spring (Пружина)

под заказ60 руб.
6103522-05169-000

Винт - Screw (Болт)

под заказ60 руб.
6263247-99J00-000

Пластина регулировки дросселя Ручка - Plate, Throttle Adj Knob (Plate, throttle adj knob)

под заказ430 руб.
6363111-88L00-0EP

Корпус, Румпель (чёрный) - Housing, Tiller Handle (black) (Housing, tiller handle)

под заказ39840 руб.
6409116-08137-000

Болт (8x22) - Bolt (8x22) (Bolt (8x22) # ) (Болт (8X22))

10 шт690 руб.
6509159-12014-000

Гайка - Nut (Гайка)

18 шт370 руб.
6609160-12066-000

Шайба (12.5x22x2.5) - Washer (125x22x25) (Washer (12.5x22x2.5) # ) (Шайба)

19 шт150 руб.
6709160-12124-000

Шайба (12.5x32x1.5) - Washer (125x32x15) (Washer, 12.5x32x1.5)

под заказ390 руб.
6863115-88L00-000

Втулка стержня румпеля - Bush, Tiller Handle Pivot (Bush, tiller handle pivot)

под заказ530 руб.
6863115-88L01-000

   (актуальный код замены) Втулка стержня румпеля - Bush, Tiller Handle Pivot

под заказ530 руб.
6909164-13010-000

Шайба - Washer (Washer, wave)

под заказ770 руб.
7021131-88L00-000

Маркировка переключателя сцепления - Mark, Clutch Shift (Mark, clutch shift)

под заказ240 руб.
7021131-88L01-000

   (актуальный код замены) Маркировка переключателя сцепления - Mark, Clutch Shift

под заказ240 руб.
7163215-93110-000

Маркировка ручки румпеля - Mark, Handle Grip (Mark, handle grip # ) (Маркировка ручки)

под заказ320 руб.
7209116-10150-000

Болт (10x55) - Bolt (10x55) (Болт 10X55)

9 шт1270 руб.
7363132-88L00-000

Стопор, Румпель - Stopper, Tiller Handle (Stopper, tiller handle)

под заказ1110 руб.
7443762-88L00-000

Болт, Румпель Стержень - Bolt, Tiller Handle Pivot (Bolt, tiller handle pivot)

под заказ2480 руб.
7543768-88L00-000

Проставка румпеля - Spacer, Tiller Handle (Spacer, tiller handle)

под заказ3920 руб.
7633834-88L00-000

Трубка, Кабели Защита - Tube, Cable Protector (Tube, cable protector)

под заказ530 руб.
7765793-88L00-000

Держатель топливного шланга - Holder, Fuel Hose (Holder, fuel hose)

под заказ710 руб.
7809116-06237-000

Болт (6x15) - Bolt (6x15) (Bolt (6x15))

под заказ230 руб.
7933833-91J00-000

Трубка провода переключателя (l: 250) - Tube, Switch Lead (l:250) (L:250->150 # ) (Труба)

под заказ610 руб.


Время выполнения запроса 2.0261809825897 сек.

 
 

данный сайт носит информационный характер и не является публичной офертой

склад запчастей для водомоторной техники