| |
 |
|
 |
Вернуться к выбору узлов мотора
ДЕТАЛИРОВКА ДЛЯ МОДЕЛИ: SUZUKI DF40ATL/DF40ATHL/DF40AQHL FROM 04003F-410001~ (E01)
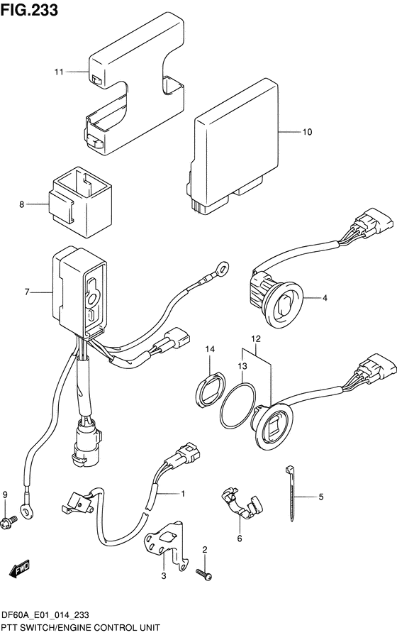
Переключатель гидроподъёма / Блок управления двигателем
Код модели двигателя: DF40AQHS/L; DF40ATS/L
Год выпуска двигателя: 2014
Регион: General Export No.1 ,Код региона: P01
Цвет: Shadow Black Metallic
Номер на рисунке | Артикул | Наименование | QTY | Кол-во на складе | Цена |
| 1 | 37721-93J00-000 | Выключатель нейтрали, в сборе - Switch Assy, Neutral (Переключатель нейтральный) | | 4 шт | 4540 руб. |
| 2 | 09137-04004-000 | Винт (4x16) - Screw (4x16) (Винт нейтрального переключателя) | | под заказ | 240 руб. |
| 3 | 37725-88L00-000 | Кронштейн выключателя нейтрали - Bracket, Neutral Sw (Bracket, neutral switch) | | под заказ | 830 руб. |
| 4 | 37850-99E04-000 | Переключатель управления гидроподъёмом двигателя - Switch Assy, Ptt (UP TO VIN.410576 # ) (Switch assy, ptt) | | под заказ | 9800 руб. |
| 4 | 37850-99E05-000 | (актуальный код замены) Переключатель управления гидроподъёмом двигателя - Switch Assy, Ptt | | 3 шт | 9800 руб. |
| 5 | 09407-10404-000 | Струбцина (l: 100) - Clamp (l:100) (Clamp, battery lead (l:96) # ) (Clamp (l:100)) | | под заказ | 190 руб. |
| 6 | 09408-00184-000 | Струбцина - Clamp (Струбцина проводки) | | под заказ | 220 руб. |
| 7 | 38410-93J12-000 | Реле управления гидроподъёмом двигателя - Relay Assy, Ptt (Relay assy, ptt) | | 20 шт | 13700 руб. |
| 8 | 38415-93J00-000 | Держатель реле двигателя гидроподъёма - Holder, Ptt Relay (Держатель реле) | | под заказ | 580 руб. |
| 9 | 01550-06127-000 | Болт - Bolt (Bolt, rect # ) (Bolt) | | 10 шт | 180 руб. |
| 10 | 33930-88L40-000 | Модуль контроля зажигания - Unit, Engine Control (Unit, engine control) | | под заказ | 257280 руб. |
| 11 | 33925-88L10-000 | Подушка модуля управления двигателем - Cushion, Engine Control Unit (Cushion, engine control unit) | | под заказ | 1060 руб. |
| 12 | 37850-92J00-000 | Переключатель управления гидроподъёмом двигателя - Switch Assy, Ptt (FROM VIN.410577 # ) (SWITCH ASSY, PTT) | | под заказ | 9990 руб. |
| 13 | 37856-92J00-000 | Лента переключателя гидроподъема - Tape, Ptt Switch (FROM VIN.410577 # ) (TAPE, PTT SWITCH) | | под заказ | 370 руб. |
| 14 | 37857-92J00-000 | Втулка переключателя гидроподъема - Bush, Ptt Switch (FROM VIN.410577 # ) (BUSH, PTT SWITCH) | | 1 шт | 330 руб. |
| 14 | 37857-92J01-000 | (актуальный код замены) Втулка переключателя гидроподъема - Bush, Ptt Switch | | 2 шт | 330 руб. |
Время выполнения запроса 1.1043739318848 сек. |
|