| |
 |
|
 |
Вернуться к выбору узлов мотора
ДЕТАЛИРОВКА ДЛЯ МОДЕЛИ: SUZUKI DF40ATL/DF40ATHL/DF40AQHL FROM 04003F-410001~ (E01)
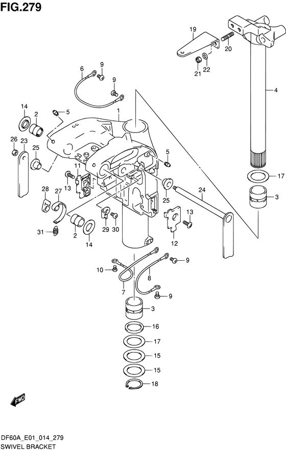
Поворотный кронштейн
Код модели двигателя: DF40AQHS/L; DF40ATS/L
Год выпуска двигателя: 2014
Регион: General Export No.1 ,Код региона: P01
Цвет: Shadow Black Metallic
Номер на рисунке | Артикул | Наименование | QTY | Кол-во на складе | Цена |
| 1 | 43111-88L50-0EP | Поворотный кронштейн - Bracket, Swivel (W/TRANSOM (L) # ) (Bracket, swivel (s)) | | под заказ | 104640 руб. |
| 1 | 43111-88L40-0EP | Поворотный кронштейн - Bracket, Swivel (W/TRANSOM (X) # ) (Bracket, swivel (l) (black)) | | под заказ | 104640 руб. |
| 2 | 43211-88L00-000 | Втулка поворотного кронштейна - Bush, Swivel Bracket (Bush, swivel bracket) | | 4 шт | 1050 руб. |
| 3 | 43711-97E01-000 | Втулка рулевой системы - Bush, Steering (Bush, steering) | | под заказ | 870 руб. |
| 3 | 43711-97E11-000 | (актуальный код замены) Втулка рулевой системы - Bush, Steering | | 20 шт | 930 руб. |
| 4 | 43750-88L31-0EP | Кронштейн рулевого управления - Bracket, Steering (W/TRANSOM (L) # ) (Bracket comp, steering (s)) | | под заказ | 57120 руб. |
| 4 | 43750-88L32-0EP | (актуальный код замены) Кронштейн, Strg (s) (чёрный) - Bracket, Strg (s) (black) | | под заказ | 57120 руб. |
| 4 | 43750-88L21-0EP | Кронштейн рулевого управления - Bracket, Steering (W/TRANSOM (X) # ) (Bracket, steering) | | под заказ | 57120 руб. |
| 4 | 43750-88L22-0EP | (актуальный код замены) Кронштейн, Strg (l, X) (чёрный) - Bracket, Strg (l, X) (black) | | под заказ | 57120 руб. |
| 5 | 22511-99011-000 | Ниппель смазки - Nipple, Grease (Ниппель) | | 9 шт | 400 руб. |
| 6 | 36894-87D00-000 | Lead (l: 165) - Lead (l:165) (Провод) | | 2 шт | 1350 руб. |
| 7 | 36895-87D01-000 | Lead (l: 210) - Lead (l:210) (Провод) | | 1 шт | 1420 руб. |
| 8 | 36895-87D01-000 | Lead (l: 210) - Lead (l:210) (Провод) | | 1 шт | 1420 руб. |
| 9 | 09125-06063-000 | Винт (6x10) - Screw (6x10) (Винт 6X10 (SUS)) | | 6 шт | 190 руб. |
| 10 | 09125-05050-000 | Винт (5x8) - Screw (5x8) (Винт 5X8) | | под заказ | 150 руб. |
| 11 | 43119-88L00-000 | Пластина, Swivel Brkt Lwr Stbd - Plate, Swivel Brkt Lwr Stbd (Plate, swivel brkt lower stbd) | | под заказ | 720 руб. |
| 12 | 43119-88L10-000 | Пластина, Swivel Brkt Lwr Port - Plate, Swivel Brkt Lwr Port (Plate, swivel brkt lower port) | | под заказ | 720 руб. |
| 13 | 09125-06067-000 | Винт (6x16) - Screw (6x16) (Screw (6x16) # ) (Винт проводки) | | 10 шт | 160 руб. |
| 14 | 43114-88L00-000 | Шайба, Swivel To Струбцина Brkt - Washer, Swivel To Clamp Brkt (Washer, swivel to clamp brkt) | | 2 шт | 830 руб. |
| 15 | 09160-39003-000 | Шайба (39.5x58x0.3) - Washer (395x58x03) (Шайба) | | 10 шт | 390 руб. |
| 16 | 09282-39001-000 | Сальник (39x51x5) - Seal, Oil (39x51x5) (Seal, oil # ) (Сальник 39X51X) | | 24 шт | 690 руб. |
| 17 | 09160-39002-000 | Шайба (39.5x58x1) - Washer (395x58x1) (Шайба) | | 28 шт | 390 руб. |
| 18 | 09380-38003-000 | Стопорное кольцо - Circlip (Circlip) | | 5 шт | 600 руб. |
| 19 | 43755-88L00-0EP | Соединитель кронштейна рулевой системы - Attachment, Steering Bracket (Attachment, steering bracket) | | под заказ | 4800 руб. |
| 19 | 43755-88L00-000 | (актуальный код замены) Соединитель кронштейна рулевой системы - Attachment, Steering Bracket | | под заказ | 4800 руб. |
| 20 | 09108-10161-000 | Болт под шпильку - Bolt, Stud (Болт) | | под заказ | 640 руб. |
| 21 | 09159-10050-000 | Гайка - Nut (Гайка) | | 8 шт | 250 руб. |
| 22 | 09160-10141-000 | Шайба (10.5x19x2) - Washer (105x19x2) (Washer, drive shaft hsg stud (10.5x19x2) # ) (Шайба) | | 10 шт | 250 руб. |
| 23 | 41221-88L00-0EP | Правый рычаг блокировки наклона - Lever, Tilt Lock Stbd | | под заказ | 3510 руб. |
| 23 | 41221-88L00-000 | (актуальный код замены) Правый рычаг блокировки наклона - Lever, Tilt Lock Stbd | | под заказ | 3510 руб. |
| 24 | 41280-88L10-0EP | Левый рычаг блокировки наклона - Lever, Tilt Lock Port | | под заказ | 12340 руб. |
| 24 | 41280-88L10-000 | (актуальный код замены) Левый рычаг блокировки наклона - Lever, Tilt Lock Port | | под заказ | 12340 руб. |
| 25 | 41224-88L00-000 | Втулка рычаша блокировки наклона - Bush, Tilt Lock Lever (Bush, tilt lock lever) | | под заказ | 470 руб. |
| 26 | 29141-93J00-000 | Гайка - Nut (Гайка) | | 18 шт | 480 руб. |
| 27 | 41231-88L01-000 | Соединитель рычага ограничителя наклона - Link, Tilt Lock Lever (Link, tilt lock lever) | | под заказ | 1000 руб. |
| 28 | 41234-88L00-000 | Рычаг блокировки наклона Соединитель - Arm, Tilt Lock Link (Arm, tilt lock link) | | под заказ | 470 руб. |
| 29 | 45731-96312-000 | Кронштейн, Пружина - Bracket, Spring (Bracket, spring) | | под заказ | 530 руб. |
| 30 | 09125-06063-000 | Винт (6x10) - Screw (6x10) (Винт 6X10 (SUS)) | | 6 шт | 190 руб. |
| 31 | 09443-10043-000 | Пружина - Spring (Пружина) | | 9 шт | 250 руб. |
Время выполнения запроса 1.0529041290283 сек. |
|