Купить оригинальные запчасти на подвесной двигатель Suzuki - Oil pump
вконтакте

Контактный телефон: +7 (981) 121-46-93, +7 (800) 200-90-76 , Email: parts-katalog@yandex.ru, где купить

 
 

  Логин:

Пароль:

Регистрация

www.partskatalog.ru Все каталоги Запчасти Mercury Запчасти Suzuki Запчасти Tohatsu Запчасти Honda Контакты



УВАЖАЕМЫЕ КЛИЕНТЫ!
C 19 ДЕКАБРЯ 2025 ПО 02 МАРТА 2026 ГОДА ОТДЕЛ ЗАПЧАСТЕЙ И СЕРВИС РАБОТАТЬ НЕ БУДУТ
ПРОДАЖА ЛОДОЧНЫХ МОТОРОВ В ШТАТНОМ РЕЖИМЕ
ОБ ИЗМЕНЕНИЯХ В ГРАФИКЕ РАБОТЫ ЧИТАЙТЕ НА САЙТА



назад Раздел:   вперёд

Вернуться к выбору узлов мотора


ДЕТАЛИРОВКА ДЛЯ МОДЕЛИ: SUZUKI DF40TL X

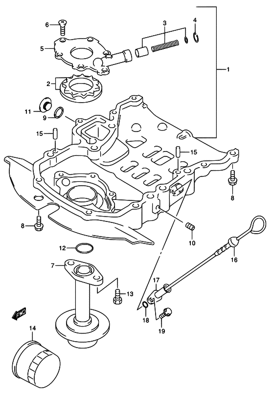
Масляный насос


Год выпуска двигателя: 1999

Номер на
рисунке
АртикулНаименованиеQTYКол-во
на складе
Цена
116100-87J01-019

Case в сборе, Масляный насос - Case Assy, Oil Pump (<-16100-87J00-019 # )

под заказ47520 руб.
116100-87J11-000

   (актуальный код замены) Case в сборе, Масляный насос - Case Assy, Oil Pump

под заказ47520 руб.
116100-87J11-000

Case в сборе, Масляный насос - Case Assy, Oil Pump (Case assy, oil pump)

под заказ47520 руб.
116100-87J11-000

Case в сборе, Масляный насос - Case Assy, Oil Pump (MODEL:04~10 # ) (Case assy, oil pump)

под заказ47520 руб.
216130-70B01-000

Ротор Set, Масляный насос - Rotor Set, Oil Pump (Rotor set, oil pump # ) (Защелка сиденья)

под заказ9890 руб.
316150-60A20-000

Предохранительный клапан масляного насоса - Valve Set, Oil Pump Relief (<-16150-60A00 # ) (Комплект клапана масляного насоса)

2 шт900 руб.
408331-4115A-000

Стопорное кольцо - Circlip (Circlip)

9 шт130 руб.
516161-87J00-000

Пластина, Масляный насос - Plate, Oil Pump (Plate, oil pump rotor # ) (Плата масляного насоса)

под заказ5910 руб.
602122-0616A-000

Винт - Screw (Болт)

10 шт120 руб.
716520-87J00-000

Сетчатый масляный фильтр - Strainer, Oil (Стрейнер масла)

под заказ3480 руб.
829116-93J10-000

Болт - Bolt (Bolt (8x35) # <-09116-08114 # ) (Bolt)

14 шт270 руб.
909160-18031-000

Шайба (18.5x28x2.6) - Washer (185x28x26) (Gasket (18.5x28x2.6))

12 шт190 руб.
1011118-98J00-000

Заглушка - Plug

под заказ330 руб.
1011118-98J02-000

   (актуальный код замены) Заглушка - Plug

под заказ330 руб.
1011118-98J01-000

Заглушка - Plug (Plug)

под заказ330 руб.
1011118-98J02-000

   (актуальный код замены) Заглушка - Plug

под заказ330 руб.
1109248-18006-000

Заглушка (18x8) - Plug (18x8) (Plug)

под заказ460 руб.
1109248-18010-000

Заглушка (18x15) - Plug (18x15) (DF40:510326~ DF50:510757~ # ) (Plug)

под заказ610 руб.
1209280-16005-000

Уплотнительное кольцо (d: 2.4, Id: 15.8) - O Ring (d:24, Id:158) (O ring, exhaust pipe # ) (O ring)

14 шт180 руб.
1301570-0616A-000

Болт - Bolt (Bolt)

под заказ170 руб.
1416510-87J00-000

Масляный фильтр - Filter Assy, Oil (Фильтр масляный)

под заказ1760 руб.
1416510-87J01-000

   (актуальный код замены) Масляный фильтр - Filter Assy, Oil

43 шт2010 руб.
1504221-08149-000

Штифт - Pin (Стопор)

под заказ150 руб.
1616910-87J00-000

Щуп измерения уровня масла - Gauge, Oil Level (Датчик уровня масла)

под заказ1840 руб.
1716930-87J00-000

Направляющая измерителя уровня масла - Guide, Oil Level Gauge

под заказ1440 руб.
1716930-87J01-000

   (актуальный код замены) Направляющая измерителя уровня масла - Guide, Oil Level Gauge

под заказ1440 руб.
1716930-87J01-000

Направляющая измерителя уровня масла - Guide, Oil Level Gauge (Направляющая датчика уровня масла)

под заказ1440 руб.
1716930-87J01-000

Направляющая измерителя уровня масла - Guide, Oil Level Gauge (DF40:151407~ DF50:151961~ # ) (Направляющая датчика уровня масла)

под заказ1440 руб.
1809280-09008-000

Уплотнительное кольцо (d: 2.1, Id: 8.8) - O Ring (d:21, Id:88) (O ring (d:2.1, id:8.8) # ) (O ring)

16 шт340 руб.
1901550-06127-000

Болт - Bolt (Bolt, rect # ) (Bolt)

10 шт180 руб.


Время выполнения запроса 2.4097537994385 сек.

 
 

данный сайт носит информационный характер и не является публичной офертой

склад запчастей для водомоторной техники