| |
 |
|
 |
Вернуться к выбору узлов мотора
ДЕТАЛИРОВКА ДЛЯ МОДЕЛИ: SUZUKI DF40TLY(X/Y) Y
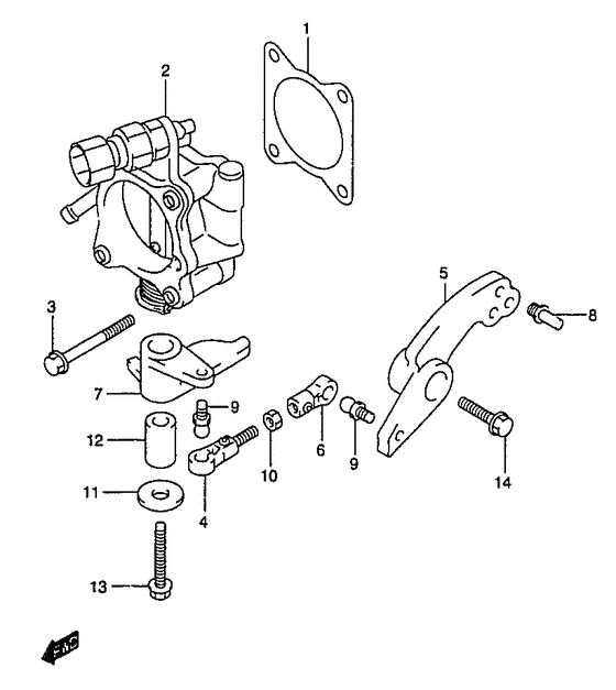
Дроссель газа
Код модели двигателя: DF40QHS/L; DF40TS/L
Год выпуска двигателя: 2000
Регион: General Export No.1 ,Код региона: P01
Цвет: Shadow Black Metallic
Номер на рисунке | Артикул | Наименование | QTY | Кол-во на складе | Цена |
| 1 | 13421-87J00-000 | Прокладка корпуса дросселя - Gasket, Throttle Body (Gasket, throttle body # ) (Прокладка дросселя) | | под заказ | 400 руб. |
| 2 | 13300-87J00-000 | Корпус дросселя - Body Assy, Throttle (Body, throttle # W/ctp switch # ) (Корпус дросселя) | | под заказ | 88320 руб. |
| 3 | 01550-06507-000 | Болт - Bolt (Bolt (chrome)) | | под заказ | 210 руб. |
| 4 | 13510-87J00-000 | Тяга дросселя - Rod, Throttle (Шпилька) | | под заказ | 1660 руб. |
| 5 | 19121-87J00-000 | Рычаг управления дросселем - Lever, Throttle Control (Lever, throttle control # ) (Рукоятка дросселя) | | под заказ | 1840 руб. |
| 6 | 19131-95502-000 | Коннектор - Connector (Connector, oil pump no.2 # ) (Коннектор) | | 21 шт | 530 руб. |
| 7 | 19148-87J00-000 | Рычаг дросселя - Lever, Throttle (Рукоятка дросселя) | | под заказ | 1490 руб. |
| 8 | 67473-99E00-000 | Штифт коннектора - Pin, Connector | | под заказ | 780 руб. |
| 8 | 67473-89J00-000 | (актуальный код замены) Штифт коннектора - Pin, Connector | | под заказ | 780 руб. |
| 8 | 67473-89J00-000 | Штифт коннектора - Pin, Connector (Штифт) | | под заказ | 780 руб. |
| 9 | 09119-05010-000 | Стержень - Pivot (Pivot, throttle lever # Pivot; # ) (Bolt) | | под заказ | 500 руб. |
| 10 | 09140-05005-000 | Гайка - Nut (Гайка) | | 10 шт | 270 руб. |
| 11 | 09160-06046-000 | Шайба (6.5x20x1.5) - Washer (65x20x15) (Washer (6.5x20x1.5) # Washer (6.5x20x1.5); # ) (Шайба) | | 20 шт | 150 руб. |
| 12 | 09180-06186-000 | Проставка (6.2x12.6x21) - Spacer (62x126x21) (Spacer, throttle lever no.2 # Spacer (6.2x12.6x21); # ) (Кольцо/шайба) | | 4 шт | 610 руб. |
| 13 | 01550-06357-000 | Болт - Bolt (Bolt, throttle lever no.2 # ) (Bolt) | | 9 шт | 210 руб. |
| 14 | 01550-06257-000 | Болт - Bolt (Bolt) | | под заказ | 180 руб. |
Время выполнения запроса 2.0722160339355 сек. |
|