Купить оригинальные запчасти на подвесной двигатель Сузуки модель 2001 года - Топливный бак
вконтакте

Контактный телефон: +7 (981) 121-46-93, +7 (800) 200-90-76 , Email: parts-katalog@yandex.ru, где купить

 
 

  Логин:

Пароль:

Регистрация

www.partskatalog.ru Все каталоги Запчасти Mercury Запчасти Suzuki Запчасти Tohatsu Запчасти Honda Контакты



УВАЖАЕМЫЕ КЛИЕНТЫ!
C 19 ДЕКАБРЯ 2025 ПО 02 МАРТА 2026 ГОДА ОТДЕЛ ЗАПЧАСТЕЙ И СЕРВИС РАБОТАТЬ НЕ БУДУТ
ПРОДАЖА ЛОДОЧНЫХ МОТОРОВ В ШТАТНОМ РЕЖИМЕ
ОБ ИЗМЕНЕНИЯХ В ГРАФИКЕ РАБОТЫ ЧИТАЙТЕ НА САЙТА



назад Раздел:   вперёд

Вернуться к выбору узлов мотора


ДЕТАЛИРОВКА ДЛЯ МОДЕЛИ: SUZUKI DF40TL K1

Топливный бак


Год выпуска двигателя: 2001

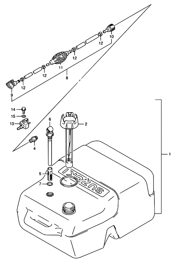
Номер на
рисунке
АртикулНаименованиеQTYКол-во
на складе
Цена
165000-95D01-000

Топливный бак (25 литров) - Tank Assy, Fuel (25l) (Бак)

под заказ17760 руб.
165000-94L10-000

   (актуальный код замены) Топливный бак (25 литров) - Tank Assy, Fuel (25l)

3 шт17760 руб.
265520-95D00-000

Крышка горловины топливного бака, в сборе - Cap Assy, Fuel Tank (Cap assy, fuel tank # ) (Крышка топливного бака)

1 шт0 руб.
265520-95D01-000

   (актуальный код замены) Запчасть снята с производства - The Spare Part Is Laid Off

под заказ0 руб.
365561-95D00-000

Прокладка крышка топливного бака - Gasket, Tank Cap (Прокладка бака)

1 шт430 руб.
465740-95D01-000

Разъем топливного коннектора - Plug, Fuel Connector (Plug, fuel connector # ) (Заглушка топливного соединителя)

под заказ3870 руб.
4SF80210-3

   (не оригинальный аналог) Адаптер топливный SUNFINE тип Suzuki, Mercury, Tohatsu 65740-99100

под заказ1270 руб.
4SF80211-3

   (не оригинальный аналог) Адаптер топливный SUNFINE тип Suzuki, Mercury, Tohatsu 3E0-70270-0

1 шт1270 руб.
565831-95D00-000

Выходной фильтр - Filter, Outlet (Filter, outlet # ) (Фильтр топливный)

5 шт1270 руб.
665890-95D00-000

выход в сборе - Outlet Assy (Выход)

под заказ5480 руб.
765892-95D00-000

Уплотнительное кольцо топливного выхода - O Ring, Fuel Outlet (O-ring, fuel outlet # ) (Кольцо топливного выхода)

под заказ440 руб.
865700-87J13-000

Топливный шланг (от бака до коннектораector) - Hose, Fuel (tank To Connector)

под заказ13590 руб.
865700-87J19-000

   (актуальный код замены) Топливный шланг (от бака до коннектора) - Hose, Fuel (tank To Conn)

под заказ13590 руб.
865700-87J15-000

Топливный шланг (от бака до коннектораector) - Hose, Fuel (tank To Connector) (Hose, fuel (tank to conn))

под заказ13590 руб.
865700-87J19-000

   (актуальный код замены) Топливный шланг (от бака до коннектора) - Hose, Fuel (tank To Conn)

под заказ13590 руб.
965750-87J11-000

Разъём топливного шланга - Socket, Fuel Hose (Переходник топливный)

9 шт2930 руб.
9SF80212-7

   (не оригинальный аналог) Коннектор топливный SUNFINE тип Suzuki, Johnson, Evinrude, OMC, Honda, 9мм, 775641

под заказ1240 руб.
1065750-95500-000

Разъём топливного шланга - Socket, Fuel Hose (Socket, fuel hose (in) # ) (Гнездо топливного шланга)

под заказ3700 руб.
1065750-95501-000

   (актуальный код замены) Разъём топливного шланга - Socket, Fuel Hose

2 шт3700 руб.
10SF80211-4

   (не оригинальный аналог) Коннектор топливный SUNFINE тип Suzuki, Mercury, Evinrude, Tohatsu, 10мм 3GF-70281-0

под заказ1880 руб.
1165770-95505-000

Запчасть снята с производства - The Spare Part Is Laid Off

под заказ0 руб.
1265781-98500-000

Зажим топливного шланга - Clip, Fuel Hose (Крепёж шланга)

9 шт350 руб.
1365720-986B0-000

Разъем топливного коннектора - Plug, Fuel Connector (<-65720-986A0 # )

под заказ5810 руб.
1365720-986L0-000

   (актуальный код замены) Разъем топливного коннектора - Plug, Fuel Connector

5 шт6330 руб.
1365720-986L0-000

Разъем топливного коннектора - Plug, Fuel Connector (Plug, fuel connector)

5 шт6330 руб.
1409103-06237-000

Болт (6x12.5) - Bolt (6x125) (Bolt, fuel connector plug # <-65729-986B0 # ) (Bolt (6x12.5))

под заказ260 руб.
1509160-06085-000

Шайба (6.5x15x1) - Washer (65x15x1) (Washer (6.5x15x1.0) # ) (Шайба)

под заказ120 руб.


Время выполнения запроса 0.67933487892151 сек.

 
 

данный сайт носит информационный характер и не является публичной офертой

склад запчастей для водомоторной техники