Купить запчасти на подвесной двигатель Suzuki DF40QHS/L; DF40TS/L модель 2002 года - Gear case
вконтакте

Контактный телефон: +7 (981) 121-46-93, +7 (800) 200-90-76 , Email: parts-katalog@yandex.ru, где купить

 
 

  Логин:

Пароль:

Регистрация

www.partskatalog.ru Все каталоги Запчасти Mercury Запчасти Suzuki Запчасти Tohatsu Запчасти Honda Контакты



УВАЖАЕМЫЕ КЛИЕНТЫ!
C 31 ОКТЯБРЯ 2025 ПО 10 НОЯБРЯ 2025 ГОДА РАБОТАТЬ НЕ БУДЕМ



назад Раздел:   вперёд

Вернуться к выбору узлов мотора


ДЕТАЛИРОВКА ДЛЯ МОДЕЛИ: SUZUKI DF40TL K2

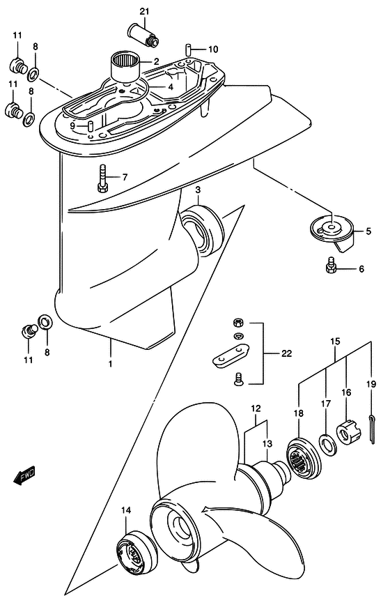
Картер коробки передач


Код модели двигателя: DF40QHS/L; DF40TS/L

Год выпуска двигателя: 2002

Цвет: Shadow Black Metallic

Номер на
рисунке
АртикулНаименованиеQTYКол-во
на складе
Цена
155100-87J24-0EP

Картер коробки передач - Case, Gear

под заказ110400 руб.
155100-87J50-0EP

   (актуальный код замены) Картер коробки передач - Case, Gear

2 шт110410 руб.
155100-87J50-0EP

Картер коробки передач - Case, Gear (Case, gear (black))

2 шт110410 руб.
155100-87J50-0EP

Картер коробки передач - Case, Gear (MODEL:10 # ) (Case, gear (black))

2 шт110410 руб.
209263-22039-000

Подшипник (22x30x30) - Bearing (22x30x30) (Bearing)

9 шт7260 руб.
2SK09263-22039

   (не оригинальный аналог) Подшипник ведущего вала Skipper для Suzuki DT40/DF40-60

0 шт2771 руб.
309265-30004-000

Подшипник (30x62x17.25) - Bearing (30x62x1725) (Bearing # ) (Подшипник 30X62X17.25)

8 шт6120 руб.
455122-88L00-000

Кольцо сальника редуктора - Ring, Gear Case Seal (Ring, gear case seal)

22 шт820 руб.
555125-95500-000

Пластина трима - Tab, Trim (Анод цинковый)

11 шт2090 руб.
609117-08037-000

Болт (8x16) - Bolt (8x16)

под заказ250 руб.
609117-08109-000

   (актуальный код замены) Болт (8x16) - Bolt (8x16)

5 шт250 руб.
609117-08109-000

Болт (8x16) - Bolt (8x16) (Bolt (8x16))

5 шт250 руб.
709117-08086-000

Болт (8x45) - Bolt (8x45) (TYPE:S, L # )

под заказ440 руб.
709116-08131-000

   (актуальный код замены) Болт (8x45) - Bolt (8x45)

20 шт500 руб.
709116-08131-000

Болт (8x45) - Bolt (8x45) (Bolt (8x45))

20 шт500 руб.
709116-08131-000

Болт (8x45) - Bolt (8x45) (TYPE:S, L MODEL:06~10 # ) (Bolt (8x45))

20 шт500 руб.
809168-10022-000

Прокладка (10x17x1.5) - Gasket (10x17x15) (Прокладка)

2211 шт150 руб.
909202-06025-000

Штифт (6x17) - Pin (6x17) (Pin (6x17) # ) (Pin)

под заказ160 руб.
1009202-06027-000

Штифт (6x23) - Pin (6x23) (Pin (6x23) # ) (Pin)

под заказ160 руб.
1109248-10008-000

Заглушка (10x7.5) - Plug (10x75) (Заглушка дренажная 10X7)

120 шт500 руб.
1258100-88L00-019

Гребной винт (3x11-1 / 2x9) - Propeller (3x11-1/2x9) (S900 # )

под заказ24240 руб.
1258100-88LC0-019

   (актуальный код замены) Гребной винт Comp (3x11-1 / 2x9) - Propeller Comp (3x11-1/2x9)

под заказ24240 руб.
1258100-88L03-019

Гребной винт (3x11-1 / 2x9) - Propeller (3x11-1/2x9) (Винт (3x292x229))

2 шт24240 руб.
1258100-88LC0-019

   (актуальный код замены) Гребной винт Comp (3x11-1 / 2x9) - Propeller Comp (3x11-1/2x9)

под заказ24240 руб.
1258100-88L11-019

Гребной винт (3x11-1 / 2x10) - Propeller (3x11-1/2x10) (S1000 # )

под заказ24240 руб.
1258100-88LD0-019

   (актуальный код замены) Гребной винт Comp (3x11-1 / 2x10) - Propeller Comp (3x11-1/2x10)

под заказ24240 руб.
1258100-88L13-019

Гребной винт (3x11-1 / 2x10) - Propeller (3x11-1/2x10) (Винт (3x292x254))

под заказ24240 руб.
1258100-88LD0-019

   (актуальный код замены) Гребной винт Comp (3x11-1 / 2x10) - Propeller Comp (3x11-1/2x10)

под заказ24240 руб.
1258100-88L21-019

Гребной винт (3x11-1 / 2x11) - Propeller (3x11-1/2x11) (S1100 # )

под заказ24240 руб.
1258100-88LE0-019

   (актуальный код замены) Гребной винт Comp (3x11-1 / 2x11) - Propeller Comp (3x11-1/2x11)

1 шт24240 руб.
1258100-88L23-019

Гребной винт (3x11-1 / 2x11) - Propeller (3x11-1/2x11) (Винт (3x292x280))

под заказ24240 руб.
1258100-88LE0-019

   (актуальный код замены) Гребной винт Comp (3x11-1 / 2x11) - Propeller Comp (3x11-1/2x11)

1 шт24240 руб.
1258100-88L31-019

Гребной винт (3x11-5 / 8x12) - Propeller (3x11-5/8x12) (S1200 # )

под заказ24240 руб.
1258100-88LA0-019

   (актуальный код замены) Гребной винт (3x11-5 / 8x12) - Propeller (3x11-5/8x12)

под заказ24240 руб.
1258100-92L20-019

Гребной винт (3x11-5 / 8x12) - Propeller (3x11-5/8x12) (Винт)

под заказ24240 руб.
1258100-88LA0-019

   (актуальный код замены) Гребной винт (3x11-5 / 8x12) - Propeller (3x11-5/8x12)

под заказ24240 руб.
1258100-88L41-019

Гребной винт (3x11-1 / 2x13) - Propeller (3x11-1/2x13) (S1301 # )

под заказ24240 руб.
1258100-88LB0-019

   (актуальный код замены) Гребной винт (3x11-1 / 2x13) - Propeller (3x11-1/2x13)

3 шт24240 руб.
1258100-92L30-019

Гребной винт (3x11-1 / 2x13) - Propeller (3x11-1/2x13) (Винт)

под заказ24240 руб.
1258100-88LB0-019

   (актуальный код замены) Гребной винт (3x11-1 / 2x13) - Propeller (3x11-1/2x13)

3 шт24240 руб.
1258100-88L51-019

Гребной винт (3x11-3 / 8x14) - Propeller (3x11-3/8x14) (S1400 # )

под заказ24240 руб.
1258100-88L52-019

   (актуальный код замены) Гребной винт (3x11-3 / 8x14) - Propeller (3x11-3/8x14)

1 шт24240 руб.
1258100-88L52-019

Гребной винт (3x11-3 / 8x14) - Propeller (3x11-3/8x14) (Винт (3x289x355))

1 шт24240 руб.
1258100-88L61-019

Гребной винт (3x11-1 / 4x15) - Propeller (3x11-1/4x15) (S1500 # )

под заказ24240 руб.
1258100-88L62-019

   (актуальный код замены) Гребной винт (3x11-1 / 4x15) - Propeller (3x11-1/4x15)

8 шт27480 руб.
1258100-88L62-019

Гребной винт (3x11-1 / 4x15) - Propeller (3x11-1/4x15) (Винт (3x286x381))

8 шт27480 руб.
12SK58100-88L62-019

   (не оригинальный аналог) Винт гребной Skipper Ultima для Suzuki 35-65HP алюминиевый, диаметр 11 1/4", шаг 15"

0 шт3416 руб.
1258100-88L71-019

Гребной винт (3x11-1 / 8x16) - Propeller (3x11-1/8x16) (S1600 # )

под заказ24240 руб.
1258100-88L72-019

   (актуальный код замены) Гребной винт (3x11-1 / 8x16) - Propeller (3x11-1/8x16)

3 шт24240 руб.
1258100-88L72-019

Гребной винт (3x11-1 / 8x16) - Propeller (3x11-1/8x16) (Винт (3x282x406))

3 шт24240 руб.
1358120-88L00-000

Втулка гребного винта - Bush, Propeller

под заказ4250 руб.
1358120-88L01-000

   (актуальный код замены) Втулка гребного винта - Bush, Propeller

2 шт4650 руб.
1358120-88L01-000

Втулка гребного винта - Bush, Propeller (Bush comp, propeller)

2 шт4650 руб.
1457632-95320-000

Стопор втулки гребного винта - Stopper, Propeller Bush (Stopper, propeller bush)

2 шт5300 руб.
1557630-94300-000

Гайка гребного винта Kit - Propeller Nut Kit (Kit, propeller nut # OPT # ) (Пропеллер HDWR 40/55)

под заказ3700 руб.
1557630-94301-000

   (актуальный код замены) Гайка гребного винта, комплект - Kit, Propeller Nut

6 шт3700 руб.
1609141-18005-000

Гайка - Nut (Гайка 18MM)

19 шт900 руб.
1709160-18028-000

Шайба (18.5x31x1) - Washer (185x31x1) (Шайба)

3 шт280 руб.
17SK09160-18028

   (не оригинальный аналог) Шайба гребного винта Skipper для Suzuki 40-225, DF40-300

0 шт157 руб.
1857633-94300-000

Проставка гайки гребного винта - Spacer, Propeller Nut (Spacer, propeller nut # ) (Шайба)

под заказ2400 руб.
1857633-94301-000

   (актуальный код замены) Проставка гайки гребного винта - Spacer, Propeller Nut

7 шт3450 руб.
1909204-03003-000

Штифт - Pin (Шпонка)

376 шт220 руб.
2025700-88L00-000

Комплект сальников редуктора (re-Сальникing) - Kit, Gear Case (re-sealing) (OPT DRAWING NOT SHOWN # ) (Suzuki df40a-60a/dt40)

под заказ3940 руб.
2025700-88L03-000

   (актуальный код замены) Комплект сальников редуктора (re-Сальникing) - Kit, Gear Case (re-sealing)

31 шт4430 руб.
2155181-95200-000

Соединение шланга для промывки - Attachment, Flush Hose (Attachment, flush hose # OPT # ) (Переходник)

2 шт810 руб.
2255300-95500-000

Цинковая защита, в сборе - Zinc Assy, Protection (Zinc, protection # OPT # ) (Протектор цинковый)

2 шт1940 руб.


Время выполнения запроса 1.0631151199341 сек.

 
 

данный сайт носит информационный характер и не является публичной офертой

склад запчастей для водомоторной техники