| |
 |
|
 |
Вернуться к выбору узлов мотора
ДЕТАЛИРОВКА ДЛЯ МОДЕЛИ: SUZUKI DF40QHLK3(E1) K3
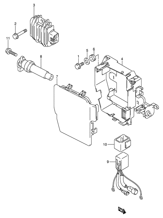
Катушка зажигания
Код модели двигателя: DF40QHS/L; DF40TS/L
Год выпуска двигателя: 2003
Регион: General Export No.1 ,Код региона: P01
Цвет: Shadow Black Metallic
Номер на рисунке | Артикул | Наименование | QTY | Кол-во на складе | Цена |
| 1 | 01550-06127-000 | Болт - Bolt (Bolt, rect # ) (Bolt) | | 10 шт | 180 руб. |
| 2 | 01580-06257-000 | Болт - Bolt (Bolt) | | под заказ | 210 руб. |
| 3 | 32800-38F10-000 | Выпрямитель в сборе - Rectifier Assy (Rectifier/regulator # ) (Rectifier assy) | | 1 шт | 24240 руб. |
| 3 | SM-01118 | (не оригинальный аналог) Реле регулятор напряжения Yamaha/Kawasaki/Suzuki SM-01118 | | под заказ | 9200 руб. |
| 4 | 32890-87J21-000 | Держатель электрических частей - Holder, Electric Parts (Корпус) | | под заказ | 4420 руб. |
| 5 | 09160-06054-000 | Шайба (6.5x22x1.6) - Washer (65x22x16) (Washer (6.5x22x1.6) # Washer (6.5x22x1.6); # ) (Шайба) | | под заказ | 120 руб. |
| 6 | 09320-12011-000 | Подушка - Cushion (Cushion # ) (Валик) | | под заказ | 150 руб. |
| 6 | 09320-12090-000 | (актуальный код замены) Подушка (11.8x25x7.5) - Cushion (11.8x25x7.5) | | под заказ | 150 руб. |
| 7 | 32891-87J10-000 | Крышка держателя электрических частей - Cover, Elec Parts Holder (Крышка электрической коробки) | | 1 шт | 3120 руб. |
| 8 | 33410-87J01-000 | Катушка зажигания - Coil, Ignition (Катушка зажигания) | | 10 шт | 16520 руб. |
| 9 | 38410-93J00-000 | Реле управления гидроподъёмом двигателя - Relay Assy, Ptt | | под заказ | 12580 руб. |
| 9 | 38410-93J12-000 | (актуальный код замены) Реле управления гидроподъёмом двигателя - Relay Assy, Ptt | | 20 шт | 13700 руб. |
| 9 | 38410-93J12-000 | Реле управления гидроподъёмом двигателя - Relay Assy, Ptt (Relay assy, ptt) | | 20 шт | 13700 руб. |
| 9 | 38410-93J11-000 | Реле управления гидроподъёмом двигателя - Relay Assy, Ptt (Relay, ptt; Model:06~10 # ) | | под заказ | 12580 руб. |
| 9 | 38410-93J12-000 | (актуальный код замены) Реле управления гидроподъёмом двигателя - Relay Assy, Ptt | | 20 шт | 13700 руб. |
| 9 | 38410-93J12-000 | Реле управления гидроподъёмом двигателя - Relay Assy, Ptt (Relay assy, ptt) | | 20 шт | 13700 руб. |
| 10 | 38415-93J00-000 | Держатель реле двигателя гидроподъёма - Holder, Ptt Relay (Держатель реле) | | под заказ | 580 руб. |
| 11 | 01550-06207-000 | Болт - Bolt (Bolt (chrome)) | | 17 шт | 220 руб. |
Время выполнения запроса 0.81301307678223 сек. |
|