| |
 |
|
 |
Вернуться к выбору узлов мотора
ДЕТАЛИРОВКА ДЛЯ МОДЕЛИ: SUZUKI DF40QHL K7
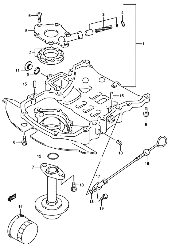
Масляный насос
Код модели двигателя: DF40QHS/L; DF40TS/L
Год выпуска двигателя: 2007
Цвет: Shadow Black Metallic
Номер на рисунке | Артикул | Наименование | QTY | Кол-во на складе | Цена |
| 1 | 16100-87J01-019 | Case в сборе, Масляный насос - Case Assy, Oil Pump (<-16100-87J00-019 # ) | | под заказ | 47520 руб. |
| 1 | 16100-87J11-000 | (актуальный код замены) Case в сборе, Масляный насос - Case Assy, Oil Pump | | под заказ | 47520 руб. |
| 1 | 16100-87J11-000 | Case в сборе, Масляный насос - Case Assy, Oil Pump (Case assy, oil pump) | | под заказ | 47520 руб. |
| 1 | 16100-87J11-000 | Case в сборе, Масляный насос - Case Assy, Oil Pump (MODEL:04~10 # ) (Case assy, oil pump) | | под заказ | 47520 руб. |
| 2 | 16130-70B01-000 | Ротор Set, Масляный насос - Rotor Set, Oil Pump (Rotor set, oil pump # ) (Защелка сиденья) | | под заказ | 9890 руб. |
| 3 | 16150-60A20-000 | Предохранительный клапан масляного насоса - Valve Set, Oil Pump Relief (<-16150-60A00 # ) (Комплект клапана масляного насоса) | | 2 шт | 900 руб. |
| 4 | 08331-4115A-000 | Стопорное кольцо - Circlip (Circlip) | | 9 шт | 130 руб. |
| 5 | 16161-87J00-000 | Пластина, Масляный насос - Plate, Oil Pump (Plate, oil pump rotor # ) (Плата масляного насоса) | | под заказ | 5910 руб. |
| 6 | 02122-0616A-000 | Винт - Screw (Болт) | | 10 шт | 120 руб. |
| 7 | 16520-87J00-000 | Сетчатый масляный фильтр - Strainer, Oil (Стрейнер масла) | | под заказ | 3480 руб. |
| 8 | 29116-93J10-000 | Болт - Bolt (Bolt (8x35) # <-09116-08114 # ) (Bolt) | | 14 шт | 270 руб. |
| 9 | 09160-18031-000 | Шайба (18.5x28x2.6) - Washer (185x28x26) (Gasket (18.5x28x2.6)) | | 12 шт | 190 руб. |
| 10 | 11118-98J00-000 | Заглушка - Plug | | под заказ | 330 руб. |
| 10 | 11118-98J02-000 | (актуальный код замены) Заглушка - Plug | | под заказ | 330 руб. |
| 10 | 11118-98J01-000 | Заглушка - Plug (Plug) | | под заказ | 330 руб. |
| 10 | 11118-98J02-000 | (актуальный код замены) Заглушка - Plug | | под заказ | 330 руб. |
| 11 | 09248-18006-000 | Заглушка (18x8) - Plug (18x8) (Plug) | | под заказ | 460 руб. |
| 11 | 09248-18010-000 | Заглушка (18x15) - Plug (18x15) (DF40:510326~ DF50:510757~ # ) (Plug) | | под заказ | 610 руб. |
| 12 | 09280-16005-000 | Уплотнительное кольцо (d: 2.4, Id: 15.8) - O Ring (d:24, Id:158) (O ring, exhaust pipe # ) (O ring) | | 14 шт | 180 руб. |
| 13 | 01570-0616A-000 | Болт - Bolt (Bolt) | | под заказ | 170 руб. |
| 14 | 16510-87J00-000 | Масляный фильтр - Filter Assy, Oil (Фильтр масляный) | | под заказ | 1760 руб. |
| 14 | 16510-87J01-000 | (актуальный код замены) Масляный фильтр - Filter Assy, Oil | | 43 шт | 2010 руб. |
| 15 | 04221-08149-000 | Штифт - Pin (Стопор) | | под заказ | 150 руб. |
| 16 | 16910-87J00-000 | Щуп измерения уровня масла - Gauge, Oil Level (Датчик уровня масла) | | под заказ | 1840 руб. |
| 17 | 16930-87J00-000 | Направляющая измерителя уровня масла - Guide, Oil Level Gauge | | под заказ | 1440 руб. |
| 17 | 16930-87J01-000 | (актуальный код замены) Направляющая измерителя уровня масла - Guide, Oil Level Gauge | | под заказ | 1440 руб. |
| 17 | 16930-87J01-000 | Направляющая измерителя уровня масла - Guide, Oil Level Gauge (Направляющая датчика уровня масла) | | под заказ | 1440 руб. |
| 17 | 16930-87J01-000 | Направляющая измерителя уровня масла - Guide, Oil Level Gauge (DF40:151407~ DF50:151961~ # ) (Направляющая датчика уровня масла) | | под заказ | 1440 руб. |
| 18 | 09280-09008-000 | Уплотнительное кольцо (d: 2.1, Id: 8.8) - O Ring (d:21, Id:88) (O ring (d:2.1, id:8.8) # ) (O ring) | | 16 шт | 340 руб. |
| 19 | 01550-06127-000 | Болт - Bolt (Bolt, rect # ) (Bolt) | | 10 шт | 180 руб. |
Время выполнения запроса 0.86229300498962 сек. |
|