Оригинальные запчасти на подвесной двигатель Сузуки - Remote control - Дистанционное управление
вконтакте

Контактный телефон: +7 (981) 121-46-93, +7 (800) 200-90-76 , Email: parts-katalog@yandex.ru, где купить

 
 

  Логин:

Пароль:

Регистрация

www.partskatalog.ru Все каталоги Запчасти Mercury Запчасти Suzuki Запчасти Tohatsu Запчасти Honda Контакты



УВАЖАЕМЫЕ КЛИЕНТЫ!
C 19 ДЕКАБРЯ 2025 ПО 02 МАРТА 2026 ГОДА ОТДЕЛ ЗАПЧАСТЕЙ И СЕРВИС РАБОТАТЬ НЕ БУДУТ
ПРОДАЖА ЛОДОЧНЫХ МОТОРОВ В ШТАТНОМ РЕЖИМЕ
ОБ ИЗМЕНЕНИЯХ В ГРАФИКЕ РАБОТЫ ЧИТАЙТЕ НА САЙТА



назад Раздел:   вперёд

Вернуться к выбору узлов мотора


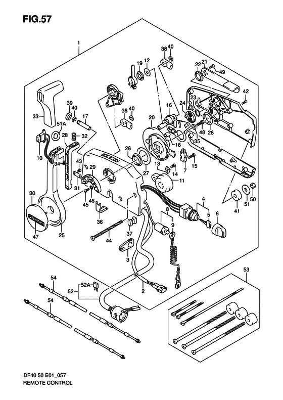
ДЕТАЛИРОВКА ДЛЯ МОДЕЛИ: SUZUKI DF40QHL K9

Дистанционное управление


Год выпуска двигателя: 2009

Номер на
рисунке
АртикулНаименованиеQTYКол-во
на складе
Цена
167200-93J03-000

Дистанционное управление в сборе - Remote Control Assy

под заказ72000 руб.
167200-93J62-000

   (актуальный код замены) Дистанционное управление в сборе - Remote Control Assy

3 шт72000 руб.
167200-93J07-000

Дистанционное управление в сборе - Remote Control Assy (REMOTE CONTROL ASSY)

под заказ72000 руб.
167200-93J62-000

   (актуальный код замены) Дистанционное управление в сборе - Remote Control Assy

3 шт72000 руб.
236646-93J00-000

Провод в сборе, Ptt Sw Adapter - Wire Assy, Ptt Sw Adapter

под заказ7160 руб.
236646-93J02-000

   (актуальный код замены) Провод в сборе, Ptt Sw Adapter - Wire Assy, Ptt Sw Adapter

под заказ7160 руб.
236646-93J01-000

Провод в сборе, Ptt Sw Adapter - Wire Assy, Ptt Sw Adapter (Wire assy, ptt sw adapter)

под заказ7160 руб.
236646-93J02-000

   (актуальный код замены) Провод в сборе, Ptt Sw Adapter - Wire Assy, Ptt Sw Adapter

под заказ7160 руб.
336628-92E00-000

Пыльник на жгут проводов - Grommet, Wiring Harness (Grommet)

под заказ490 руб.
437110-93J00-000

Выключатель зажигания - Switch Assy, Ignition

под заказ11430 руб.
437110-93J02-000

   (актуальный код замены) Выключатель зажигания - Switch Assy, Ignition

2 шт13000 руб.
437110-93J01-000

Выключатель зажигания - Switch Assy, Ignition (Switch assy, ignition)

под заказ11430 руб.
437110-93J02-000

   (актуальный код замены) Выключатель зажигания - Switch Assy, Ignition

2 шт13000 руб.
537141-99E00-000

Ключ (931) - Key (931) (Ключ (931))

под заказ1660 руб.
537141-99E10-000

Ключ (932) - Key (932) (Ключ (932))

1 шт1380 руб.
537141-99E20-000

Ключ (933) - Key (933) (Ключ (933))

под заказ1380 руб.
537141-99E30-000

Ключ (934) - Key (934) (Ключ (934))

1 шт1380 руб.
537141-99E40-000

Ключ (935) - Key (935) (Ключ (935))

под заказ1380 руб.
537141-99E50-000

Ключ (936) - Key (936) (Ключ (936))

под заказ1380 руб.
537141-99E60-000

Ключ (937) - Key (937) (Ключ (937))

1 шт1380 руб.
537141-99E70-000

Ключ (938) - Key (938) (Ключ (938))

под заказ1380 руб.
537141-99E80-000

Ключ (939) - Key (939) (Ключ (939))

1 шт1480 руб.
537141-99E90-000

Ключ (940) - Key (940) (Ключ (940))

1 шт1510 руб.
537141-99EA0-000

Ключ (941) - Key (941) (Ключ (941))

1 шт1510 руб.
537141-99EB0-000

Ключ (942) - Key (942) (Ключ (942))

под заказ1380 руб.
637143-99E00-000

Колпачок ключа - Cap, Key (Колпачок ключа)

под заказ600 руб.
637143-99E01-000

   (актуальный код замены) Колпачок ключа - Cap, Key

2 шт640 руб.
737721-93J90-000

Выключатель нейтрали, в сборе - Switch Assy, Neutral

под заказ4180 руб.
737721-93J91-000

   (актуальный код замены) Выключатель нейтрали, в сборе - Switch Assy, Neutral

5 шт7710 руб.
737721-93J91-000

Выключатель нейтрали, в сборе - Switch Assy, Neutral (Switch assy, neutral)

5 шт7710 руб.
837820-93J03-000

Аварийный выключатель, в сборе - Switch Assy, Emergency

под заказ5000 руб.
837820-93J05-000

   (актуальный код замены) Аварийный выключатель, в сборе - Switch Assy, Emergency

10 шт6310 руб.
837820-93J04-000

Аварийный выключатель, в сборе - Switch Assy, Emergency (SWITCH ASSY, EMERGENCY)

под заказ5000 руб.
837820-93J05-000

   (актуальный код замены) Аварийный выключатель, в сборе - Switch Assy, Emergency

10 шт6310 руб.
937823-92E01-000

Пластина блокировки аварийного выключателя - Plate Assy, Emergency Sw Lock (Plate)

под заказ2570 руб.
937823-92E02-000

   (актуальный код замены) Пластина блокировки аварийного выключателя - Plate Assy, Emergency Sw Lock

3 шт2770 руб.
1037850-90J05-000

Переключатель управления гидроподъёмом двигателя - Switch Assy, Ptt (Switch assy, ptt)

под заказ10900 руб.
1037850-90J06-000

   (актуальный код замены) Переключатель управления гидроподъёмом двигателя - Switch Assy, Ptt

8 шт10900 руб.
1138500-93J90-000

Предупреждающий зуммер - Buzzer, Warning (Зуммер)

под заказ3890 руб.
1267212-95600-000

Шайба - Washer (Шайба)

под заказ300 руб.
1367213-92E00-000

Кронштейн зуммера - Bracket, Buzzer (Bracket, buzzer brkt # ) (Кронштейн сигнала)

под заказ730 руб.
1409125-05042-000

Винт (5x10) - Screw (5x10) (Винт L)

под заказ150 руб.
1567296-92E10-000

Винт выключателя нейтрали - Screw, Neutral Switch

под заказ300 руб.
1567296-92E11-000

   (актуальный код замены) Винт выключателя нейтрали - Screw, Neutral Switch

под заказ300 руб.
1567296-92E11-000

Винт выключателя нейтрали - Screw, Neutral Switch (Screw, neutral switch)

под заказ300 руб.
1667220-95630-000

Пластина в сборе - Plate Assy (Плата 15C)

под заказ8400 руб.
1767223-99E10-000

Ручка регулировки тормоза - Knob, Brake Adjust (Рукоятка тормоза)

под заказ760 руб.
1867229-95600-000

Ролик - Roller (Roller)

под заказ520 руб.
1967232-95600-000

Втулка - Bush (Втулка)

под заказ570 руб.
2067238-87D00-000

Зубчатый привод - Gear, Drive (Ведущая шестерня)

1 шт4080 руб.
2167241-99E10-000

Рычаг освобождения дросселя - Lever, Free Throttle (Рукоятка)

под заказ2280 руб.
2267243-95600-000

Втулка, Remo-con - Bush, Remo-con (Втулка)

2 шт390 руб.
2367244-95600-000

Волнистая шайба - Wave Washer (Шайба)

под заказ330 руб.
2467245-95600-000

Барабан освобождения дросселя - Drum, Free Throttle (Drum assy, free throttle # ) (Цилиндр дросселя)

под заказ2480 руб.
2567251-99E10-000

Рычаг блокировки - Lever, Handle (Рукоятка)

под заказ7200 руб.
2667252-95600-000

Втулка - Bush (Втулка)

2 шт480 руб.
2767253-95600-000

Шайба - Washer (Шайба)

под заказ460 руб.
2867255-99E00-000

Рычаг блокировки - Arm, Lock (Рычаг блокировки)

под заказ1680 руб.
2967256-95600-000

Держатель блокировки нейтрали - Holder, Neutral Lock (Holder, neut lock # ) (Holder)

2 шт1140 руб.
3067257-99E00-000

Крышка рычага - Cap, Lever (Насадка рукоятки)

под заказ860 руб.
3167258-99E00-000

Кронштейн - Bracket (Bracket)

под заказ490 руб.
3267259-87D00-000

Пружина рычага нетрали - Spring, Neutral Arm (Spring, neutral arm # ) (Пружина переключателя)

6 шт550 руб.
3367261-99E00-000

Рукоятка - Grip (Grip)

под заказ4130 руб.
3467296-94310-000

Винт - Screw (Винт)

под заказ180 руб.
3567264-95600-000

Шайба - Washer (Шайба)

под заказ270 руб.
3667267-95610-000

Крышка проводов - Cover, Wire (Cover, wire (black) # ) (Крышка проводки)

под заказ580 руб.
3767273-95600-000

Проставка - Spacer (Кольцо/шайба)

под заказ460 руб.
3767273-95601-000

   (актуальный код замены) Проставка - Spacer

3 шт630 руб.
3867275-95600-000

Наконечник кабеля - End, Cable (Наконечник кабеля)

36 шт810 руб.
3967288-92E00-000

Шайба - Washer (Шайба)

под заказ300 руб.
4067292-94300-000

Уплотнительное кольцо дистанционного управления - E Ring, Remo-con (E ring)

25 шт120 руб.
4167294-95600-000

Проставка - Spacer (Кольцо/шайба)

под заказ460 руб.
4267296-90J00-000

Винт задней крышки - Screw, Rr Cover (Винт крышки)

под заказ300 руб.
4267296-90J10-000

   (актуальный код замены) Винт задней крышки - Screw, Rr Cover

под заказ300 руб.
4367296-94300-000

Винт (4x10) - Screw (4x10) (Винт)

под заказ120 руб.
4467296-95600-000

Винт - Screw (Болт)

под заказ570 руб.
4567296-95610-000

Винт - Screw (Болт)

2 шт280 руб.
4667297-95600-000

Шайба - Washer (Шайба)

под заказ280 руб.
4768165-16B00-13L

Эмблема, Suzuki - Emblem, Suzuki (Emblem, suzuki (silver) # ) (Emblem)

под заказ600 руб.
4768165-16B01-13L

   (актуальный код замены) Эмблема, Suzuk - Emblem, Suzuk

1 шт600 руб.
4809100-08232-000

Болт (8x30) - Bolt (8x30) (Bolt)

6 шт350 руб.
4909126-05003-000

Винт (5x12) - Screw (5x12) (Болт)

под заказ160 руб.
5009140-06020-000

Гайка - Nut (Гайка)

9 шт150 руб.
5109160-06104-000

Шайба (6.5x24x2) - Washer (65x24x2) (Шайба)

под заказ220 руб.
5137859-90J00-000

Проставка - Spacer (Кольцо/шайба)

под заказ350 руб.
5236620-93J01-000

Провода дистанционного управления, в сборе - Wire Assy, Remote Control (L:5000 MODEL:05~10 # )

под заказ28800 руб.
5236620-93J04-000

   (актуальный код замены) Провода дистанционного управления, в сборе 6.5m - Wire Assy, Remote Control 6.5m

5 шт21260 руб.
5236620-93J02-000

Провода дистанционного управления, в сборе - Wire Assy, Remote Control (Wire assy, remote control)

2 шт28800 руб.
5236620-93J04-000

   (актуальный код замены) Провода дистанционного управления, в сборе 6.5m - Wire Assy, Remote Control 6.5m

5 шт21260 руб.
5236620-93J51-000

Провода дистанционного управления, в сборе - Wire Assy, Remote Control (L:3500 MODEL:06~10 # ) (Wire assy, remote control)

под заказ25920 руб.
5236620-93J54-000

   (актуальный код замены) Провода дистанционного управления, в сборе 5.0m - Wire Assy, Remote Control 5.0m

3 шт25920 руб.
5236620-93J61-000

Провода дистанционного управления, в сборе - Wire Assy, Remote Control (L:6500 MODEL:06~10 # )

под заказ32160 руб.
5236620-93J64-000

   (актуальный код замены) Провода дистанционного управления, в сборе 8.0m - Wire Assy, Remote Control 8.0m

2 шт41290 руб.
5236620-93J62-000

Провода дистанционного управления, в сборе - Wire Assy, Remote Control (Wire assy, remote control)

под заказ32160 руб.
5236620-93J64-000

   (актуальный код замены) Провода дистанционного управления, в сборе 8.0m - Wire Assy, Remote Control 8.0m

2 шт41290 руб.
5209481-10501-000

Предохранитель (10a) - Fuse (10a) (Fuse (10a))

5 шт250 руб.
5367140-95600-000

Двойной комплект навесного оборудования Remocon - Attachment Kit, Twin Remocon (Attachment, twin remocon kit # OPT # ) (Фиксация)

под заказ4300 руб.
5367140-95601-000

   (актуальный код замены) Двойной комплект навесного оборудования Remocon - Attachment Kit, Twin Remocon

под заказ4300 руб.
5467320-93J00-000

Тросик дистанционного управления (8f: 2.4m) - Cable Assy, Remocon (8f:24m) (OPT # ) (Кабель дистанционный 8F (2.4M))

под заказ5760 руб.
5467320-93J10-000

Тросик дистанционного управления (10f: 3.1m) - Cable Assy, Remocon (10f:31m) (OPT # ) (Кабель дистанционный 10F (3.1M))

под заказ6340 руб.
5467320-93J20-000

Тросик дистанционного управления (12f: 3.7m) - Cable Assy, Remocon (12f:37m) (OPT # ) (Кабель дистанционный 12F (3.7M))

под заказ6920 руб.
5467320-93J30-000

Тросик дистанционного управления (14f: 4.2m) - Cable Assy, Remocon (14f:42m) (OPT # ) (Кабель дистанционный 14F (4.3M))

3 шт7490 руб.
5467320-93J40-000

Тросик дистанционного управления (16f: 4.8m) - Cable Assy, Remocon (16f:48m) (OPT # ) (Кабель дистанционный 16F (4.9M))

под заказ8020 руб.
5467320-93J50-000

Тросик дистанционного управления (18f: 5.4m) - Cable Assy, Remocon (18f:54m) (OPT # ) (Кабель дистанционный 18F (5.5M))

под заказ8600 руб.
5467320-93J60-000

Тросик дистанционного управления (20f: 6.1m) - Cable Assy, Remocon (20f:61m) (OPT # ) (Кабель дистанционный 20F (6.1M))

под заказ9170 руб.
5467320-93J70-000

Тросик дистанционного управления (22f: 6.7m) - Cable Assy, Remocon (22f:67m) (OPT # ) (Кабель дистанционный 22F (6.7M))

под заказ9750 руб.
5467320-93J80-000

Тросик дистанционного управления (24f: 7.3m) - Cable Assy, Remocon (24f:73m) (OPT # ) (Кабель дистанционный 24F (7.3M))

под заказ10320 руб.


Время выполнения запроса 1.710638999939 сек.

 
 

данный сайт носит информационный характер и не является публичной офертой

склад запчастей для водомоторной техники