|  | 
   |  |  |  |  
 Вернуться к выбору узлов мотора 
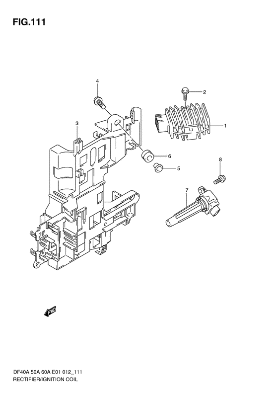
 ДЕТАЛИРОВКА ДЛЯ МОДЕЛИ: SUZUKI DF40AQHL(E01) PRD Выпрямитель / Катушка зажигания
 Код модели двигателя: DF40AQHS/L; DF40ATS/L  Год выпуска двигателя: 2011  Регион: General Export No.1  ,Код региона:  P01  Цвет: Shadow Black Metallic _prd_rectifier_ignition_coil_rand9894.png)  
| Номер на рисунке
 | Артикул | Наименование | QTY | Кол-во на складе
 | Цена |  | 1 | 32800-88L00-000 |   Выпрямитель & Регулятор в сборе - Rectifier & Regulator Assy (Выпрямитель и регулятор) |  | 1 шт | 21840 руб. |  | 1 | 32800-88L01-000 |    (актуальный код замены) Выпрямитель & Регулятор в сборе - Rectifier & Regulator Assy |  | 1 шт | 21840 руб. |  | 2 | 01550-06257-000 |   Болт - Bolt (Bolt) |  | под заказ | 180 руб. |  | 3 | 32890-88L00-000 | Держатель электрических частей - Holder, Electric Parts (Holder, electric parts) |  | под заказ | 3340 руб. |  | 3 | 32890-88L01-000 |    (актуальный код замены) Держатель электрических частей - Holder, Electric Parts |  | под заказ | 3340 руб. |  | 4 | 09116-06202-000 | Болт (6x25) - Bolt (6x25) (Bolt (w/washer) # Bolt (6x25); # ) (Болт (шайба)) |  | под заказ | 250 руб. |  | 5 | 09169-06062-000 | Шайба - Washer (Washer # Washer; # ) (Кольцо/шайба) |  | под заказ | 190 руб. |  | 6 | 09320-09016-000 |   Подушка - Cushion (Cushion, holder # Cushion; # ) (Cushion) |  | 10 шт | 190 руб. |  | 7 | 33410-87L00-000 | Катушка зажигания в сборе - Coil Assy, Ignition (Coil assy, ignition) |  | 5 шт | 13610 руб. |  | 8 | 01547-06207-000 | Болт - Bolt (Bolt, lower # ) (Bolt (chrome)) |  | 2 шт | 160 руб. |  
 
 Время выполнения запроса 0.75914096832275 сек. |  |