Запчасти на лодочный мотор SUZUKI DF40AQHS/L; DF40ATS/L - Tiller handle
вконтакте

Контактный телефон: +7 (981) 121-46-93, +7 (800) 200-90-76 , Email: parts-katalog@yandex.ru, где купить

 
 

  Логин:

Пароль:

Регистрация

www.partskatalog.ru Все каталоги Запчасти Mercury Запчасти Suzuki Запчасти Tohatsu Запчасти Honda Контакты

назад Раздел:   вперёд

Вернуться к выбору узлов мотора


ДЕТАЛИРОВКА ДЛЯ МОДЕЛИ: SUZUKI DF40AQHL(E01) PRD

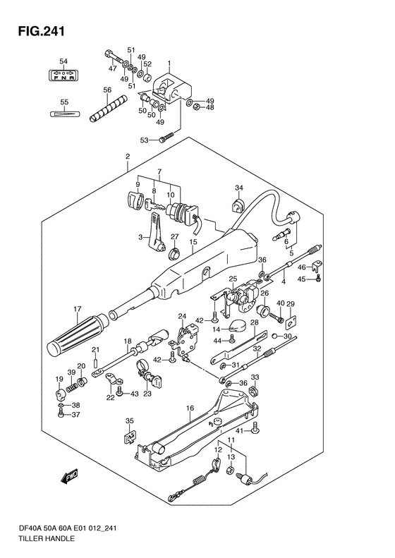
Румпель


Код модели двигателя: DF40AQHS/L; DF40ATS/L

Год выпуска двигателя: 2011

Регион: General Export No.1 ,Код региона: P01

Цвет: Shadow Black Metallic

Номер на
рисунке
АртикулНаименованиеQTYКол-во
на складе
Цена
143761-87J11-0EP

Кронштейн рукоятки румпеля - Bracket, Tiller Handle (Bracket, tiller handle (black); # )

под заказ24960 руб.
143761-87J30-0EP

   (актуальный код замены) Кронштейн рукоятки румпеля - Bracket, Tiller Handle

под заказ24960 руб.
143761-87J30-0EP

Кронштейн рукоятки румпеля - Bracket, Tiller Handle (Bracket, tiller handle (black))

под заказ24960 руб.
263110-88L13-0EP

Set, Румпель - Set, Tiller Handle (Handle assy, tiller (black); # )

под заказ0 руб.
263108-87J33-0EP

   (актуальный код замены) Запчасть снята с производства - The Spare Part Is Laid Off

под заказ0 руб.
263108-87J30-0EP

Set, Румпель - Set, Tiller Handle

под заказ0 руб.
263108-87J33-0EP

   (актуальный код замены) Запчасть снята с производства - The Spare Part Is Laid Off

под заказ0 руб.
321111-87J10-0EP

Рычаг переключателя (чёрный) - Lever, Shift (black) (Lever, shift (black); # ) (Рукоятка переключение)

под заказ10040 руб.
423230-88L00-000

Кабель переключения - Cable, Shift (Cable, shift)

под заказ8500 руб.
536620-88L00-000

Электропроводка румпеля - Wire Assy, Handle

под заказ19400 руб.
536620-88L01-000

   (актуальный код замены) Электропроводка румпеля - Wire Assy, Handle

под заказ19400 руб.
636615-96300-000

Клемма - Terminal (Terminal; # ) (Контакт)

под заказ120 руб.
737110-87J20-000

Выключатель зажигания - Switch Assy, Ignition

под заказ9940 руб.
737110-87J22-000

   (актуальный код замены) Выключатель зажигания - Switch Assy, Ignition

под заказ9940 руб.
737110-87J21-000

Выключатель зажигания - Switch Assy, Ignition (Switch assy, ignition)

под заказ9940 руб.
737110-87J22-000

   (актуальный код замены) Выключатель зажигания - Switch Assy, Ignition

под заказ9940 руб.
837141-99E00-000

Ключ (931) - Key (931) (Key (931); # ) (Ключ (931))

под заказ1660 руб.
837141-99E10-000

Ключ (932) - Key (932) (Key (932); # ) (Ключ (932))

1 шт1380 руб.
837141-99E20-000

Ключ (933) - Key (933) (Key (933); # ) (Ключ (933))

под заказ1380 руб.
837141-99E30-000

Ключ (934) - Key (934) (Key (934); # ) (Ключ (934))

1 шт1380 руб.
837141-99E40-000

Ключ (935) - Key (935) (Key (935); # ) (Ключ (935))

под заказ1380 руб.
837141-99E50-000

Ключ (936) - Key (936) (Key (936); # ) (Ключ (936))

под заказ1380 руб.
837141-99E60-000

Ключ (937) - Key (937) (Key (937); # ) (Ключ (937))

1 шт1380 руб.
837141-99E70-000

Ключ (938) - Key (938) (Key (938); # ) (Ключ (938))

под заказ1380 руб.
837141-99E80-000

Ключ (939) - Key (939) (Key (939); # ) (Ключ (939))

1 шт1480 руб.
837141-99E90-000

Ключ (940) - Key (940) (Key (940); # ) (Ключ (940))

1 шт1510 руб.
837141-99EA0-000

Ключ (941) - Key (941) (Key (941); # ) (Ключ (941))

1 шт1510 руб.
837141-99EB0-000

Ключ (942) - Key (942) (Key (942); # ) (Ключ (942))

под заказ1380 руб.
937143-99E00-000

Колпачок ключа - Cap, Key (Колпачок ключа)

под заказ600 руб.
937143-99E01-000

   (актуальный код замены) Колпачок ключа - Cap, Key

2 шт640 руб.
1037149-93J00-000

Колпачок корпуса цилиндра - Cap, Cylinder Body (Cap, cylinder body)

3 шт760 руб.
1137820-87J02-000

Аварийный выключатель, в сборе - Switch Assy, Emergency

под заказ6630 руб.
1137820-87J04-000

   (актуальный код замены) Аварийный выключатель, в сборе - Switch Assy, Emergency

под заказ6630 руб.
1137820-87J03-000

Аварийный выключатель, в сборе - Switch Assy, Emergency (SWITCH ASSY, EMERGENCY)

под заказ6630 руб.
1137820-87J04-000

   (актуальный код замены) Аварийный выключатель, в сборе - Switch Assy, Emergency

под заказ6630 руб.
1237823-92E01-000

Пластина блокировки аварийного выключателя - Plate Assy, Emergency Sw Lock (Plate, lock; # ) (Plate)

под заказ2570 руб.
1237823-92E02-000

   (актуальный код замены) Пластина блокировки аварийного выключателя - Plate Assy, Emergency Sw Lock

3 шт2770 руб.
1337826-92E00-000

Гайка - Nut (Гайка)

под заказ740 руб.
1438500-92X50-000

Предупреждающий зуммер - Buzzer Set, Warning (Сигнал предупреждающий)

под заказ10280 руб.
1438500-92X52-000

   (актуальный код замены) Предупреждающий зуммер - Buzzer Set, Warning

под заказ10280 руб.
1563111-87J10-0EP

Set, Румпель Корпус - Set, Tiller Handle Housing (Housing, tiller handle (black); # )

под заказ34080 руб.
1563109-87J00-0EP

   (актуальный код замены) Set, Румпель Корпус - Set, Tiller Handle Housing

под заказ34080 руб.
1563109-87J00-0EP

Set, Румпель Корпус - Set, Tiller Handle Housing (Set, tiller handle housing)

под заказ34080 руб.
1663121-87J03-000

Нижняя крышка - Cover, Under (Cover, under; # )

под заказ5960 руб.
1663121-87J04-000

   (актуальный код замены) Нижняя крышка - Cover, Under

под заказ5960 руб.
1763210-93E30-000

Рукоятка румпеля - Grip, Handle (Grip, handle # Grip, handle; # ) (Рукоятка)

1 шт3390 руб.
1863221-87J00-000

Тяга румпеля - Rod, Handle (Shaft, throttle # Shaft, throttle; # ) (Вал дросселя)

под заказ6340 руб.
1963223-92D00-000

Стопор тяги румпеля - Stopper, Handle Rod (Stopper, handle rod # Stopper, handle rod; # ) (Стопор ручки)

под заказ430 руб.
2063225-93200-000

Втулка тяги румпеля - Bush, Handle Rod (Bush, handle rod # Bush, handle rod; # ) (Втулка)

16 шт480 руб.
2163227-93200-000

Штифт, Handle Тяга - Pin, Handle Rod (Pin, handle rod # Pin, handle rod; # ) (Штифт)

под заказ220 руб.
2263235-87J00-000

Пластина, Вал дросселя - Plate, Throttle Shaft (Plate, throttle shaft # Plate, throttle shaft; # ) (Плата ручки)

под заказ0 руб.
2363240-87J00-000

Регулятор в сборе, Дроссель - Adjuster Assy, Throttle (Adjuster, throttle; # )

под заказ1440 руб.
2363204-87J00-000

   (актуальный код замены) Регулятор в сборе, Дроссель - Adjuster Assy, Throttle

под заказ1440 руб.
2363204-87J00-000

Регулятор в сборе, Дроссель - Adjuster Assy, Throttle (Adjuster assy, throttle)

под заказ1440 руб.
2463250-87J01-000

Рычаг в сборе, Дроссель - Arm Assy, Throttle (Arm assy, throttle # ) (Рычаг дросселя)

под заказ18960 руб.
2563260-87J02-000

Шестерня в сборе, Переключатель - Gear Assy, Shift (Gear assy, shift # ) (Gear, shift)

под заказ21560 руб.
2663261-87J00-000

Втулка шестерни переключателя - Bush, Shift Gear (Bush, shift gear # ) (Втулка шестерни)

под заказ1250 руб.
2763262-87J00-000

Втулка, Рычаг переключения - Bush, Shift Lever (Bush, shift lever # Bush, shift lever; # ) (Втулка сцепления)

под заказ410 руб.
2863271-87J00-000

Плата блокировки - Plate, Lock (Плата замка)

под заказ1760 руб.
2963272-87J00-000

Пластина направляющей шарика - Plate, Ball Guide (Плата)

под заказ1100 руб.
3063273-87J00-000

Шарик - Ball (Ball)

под заказ590 руб.
3163274-87J00-000

Уплотнительное кольцо - E Ring (E ring)

под заказ260 руб.
3263610-88L00-000

Тросик дросселя - Cable, Throttle (Cable, throttle)

под заказ8550 руб.
3363625-99E00-000

Втулка тросика дросселя - Grommet, Throttlee Cable (Grommet, throttle cable # ) (Втулка кабеля)

под заказ0 руб.
3463626-99E01-000

Пыльник на жгут проводов - Grommet, Wiring Harness (Grommet, wire harness # Grommet, wire harness; # ) (Втулка проводки)

под заказ1250 руб.
3567263-87J10-000

Крышка, Переключатель трима Hole - Cover, Trim Switch Hole (Cover, trim switch; # ) (Cover, trim switch hole)

под заказ820 руб.
3667292-87J00-000

Уплотнительное кольцо - E Ring (E ring # ) (Кольцо Е)

под заказ260 руб.
3709126-06015-000

Винт (6x23) - Screw (6x23) (Screw (6x23); # ) (Винт M6X23)

6 шт190 руб.
3809163-06001-000

Шайба с блокировкой - Washer, Lock (Шайба)

13 шт120 руб.
3909440-12027-000

Пружина - Spring (Пружина ручки)

12 шт170 руб.
4009106-08099-000

Болт (8x50) - Bolt (8x50) (Bolt (8x50); # ) (Bolt (8x50))

под заказ300 руб.
4109125-05047-000

Винт (5x14) - Screw (5x14) (Screw (5x14) # Screw (5x14); # ) (Болт)

под заказ150 руб.
4263251-87J00-000

Болт, Механизм переключения передач - Bolt, Shift Gear Assy (Bolt (6x12); # ) (Bolt, shift gear assy)

под заказ330 руб.
4309136-05008-000

Винт (5x12) - Screw (5x12) (Screw (5x12) # Screw (5x12); # ) (Болт)

10 шт250 руб.
4402142-05207-000

Винт - Screw (Screw, silencer cover # ) (Болт)

под заказ110 руб.
4563611-87J00-000

Болт струбцины транца - Bolt, Clamp Bracket (Болт кронштейна)

под заказ780 руб.
4663612-87J00-000

Струбцина транца - Bracket, Clamp (Кронштейн)

под заказ2910 руб.
4709100-10264-000

Болт (10x80) - Bolt (10x80) (Bolt (l:80) # Bolt (10x80); # ) (Bolt)

под заказ1010 руб.
4809159-10050-000

Гайка - Nut (Гайка)

8 шт250 руб.
4909160-10114-000

Шайба (10.5x22x1.5) - Washer (105x22x15) (Washer (10.5x22x1.5) # Washer (10.5x22x1.5); # ) (Шайба муфты)

под заказ220 руб.
5009306-10020-000

Втулка - Bush (Втулка)

под заказ250 руб.
5109164-10016-000

Шайба - Washer (Washer; # ) (Washer, tiller handle spr)

под заказ430 руб.
5243768-90J01-000

Проставка румпеля - Spacer, Tiller Handle (Прокладка)

под заказ3920 руб.
5309117-10058-000

Болт (10x44) - Bolt (10x44) (Bolt (10x45); # )

под заказ610 руб.
5309116-10176-000

   (актуальный код замены) Болт (10x44) - Bolt (10x44)

4 шт760 руб.
5309116-10176-000

Болт (10x44) - Bolt (10x44) (Bolt, 10x44)

4 шт760 руб.
5421131-96010-000

Маркировка переключателя сцепления - Mark, Clutch Shift (Mark, shift # ) (Маркировка)

под заказ160 руб.
5421131-91J00-YAY

   (актуальный код замены) Маркировка переключателя сцепления - Mark, Clutch Shift

2 шт160 руб.
5563215-93110-000

Маркировка ручки румпеля - Mark, Handle Grip (Mark, handle grip # Mark, handle grip; # ) (Маркировка ручки)

под заказ320 руб.
5633833-91J00-000

Трубка провода переключателя (l: 250) - Tube, Switch Lead (l:250) (Tube, throttle cable; # ) (Труба)

под заказ610 руб.


Время выполнения запроса 1.7825679779053 сек.

 
 

данный сайт носит информационный характер и не является публичной офертой

склад запчастей для водомоторной техники