| |
 |
|
 |
Вернуться к выбору узлов мотора
ДЕТАЛИРОВКА ДЛЯ МОДЕЛИ: SUZUKI DF40ATL/DF40AQHL FROM 04003F-110001~ (E01)
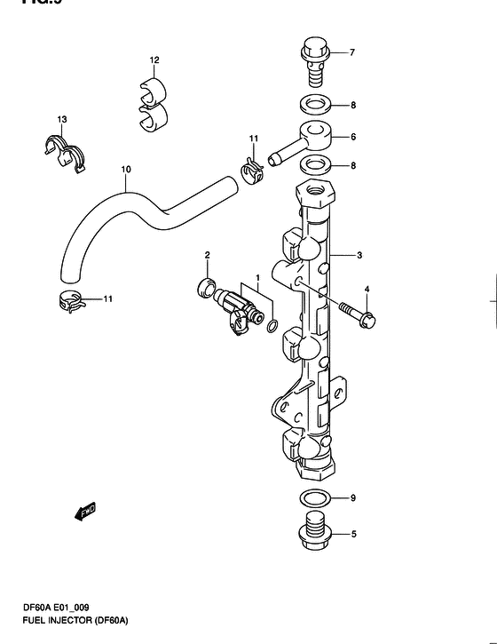
Топливный инжектор
Код модели двигателя: DF40AQHS/L; DF40ATS/L
Год выпуска двигателя: 2011
Регион: General Export No.1 ,Код региона: P01
Цвет: Shadow Black Metallic
Номер на рисунке | Артикул | Наименование | QTY | Кол-во на складе | Цена |
| 1 | 15710-88L00-000 | Топливный инжектор, в сборе - Injector Assy, Fuel (Injector assy, fuel) | | под заказ | 26160 руб. |
| 2 | 09320-08062-000 | Подушка - Cushion (Cushion) | | 34 шт | 1010 руб. |
| 3 | 15751-88L00-000 | Трубка подачи - Pipe, Delivery (Pipe, delivery) | | под заказ | 15360 руб. |
| 4 | 01550-06307-000 | Болт - Bolt (Bolt (chrome)) | | 8 шт | 250 руб. |
| 5 | 09247-14041-000 | Заглушка (14x14) - Plug (14x14) (Заглушка трубки) | | под заказ | 390 руб. |
| 5 | 09247-14042-000 | Заглушка (14x14) - Plug (14x14) (E40 # ) (Заглушка трубки) | | под заказ | 390 руб. |
| 6 | 09363-08004-000 | Соединение - Union (Соединение топливного фильтра) | | под заказ | 1650 руб. |
| 6 | 15830-90J00-000 | Основной топливный соединитель - Joint, Fuel Main (Joint, fuel main # E40 # ) (Болт соединяющий) | | под заказ | 1860 руб. |
| 7 | 09360-12008-000 | Соединение - Union (Болт соединяющий) | | под заказ | 730 руб. |
| 7 | 09360-12013-000 | Соединение - Union (E40 # ) (Болт соединяющий) | | под заказ | 790 руб. |
| 8 | 09168-12013-000 | Прокладка (11.8x22x1.2) - Gasket (118x22x12) (Gasket, union # ) (Прокладка) | | 10 шт | 260 руб. |
| 8 | 15762-90J00-000 | Прокладка, Соединение - Gasket, Union (Gasket, union # E40 # ) (Gasket (11.8x22x1.2)) | | под заказ | 610 руб. |
| 9 | 15762-93J00-000 | Прокладка нагнетательной трубки - Gasket, Delivery Pipe (Прокладка трубы) | | под заказ | 190 руб. |
| 9 | 15762-93J10-000 | Прокладка нагнетательной трубки - Gasket, Delivery Pipe (E40 # ) (Прокладка трубы) | | под заказ | 400 руб. |
| 10 | 15681-88L00-000 | Топливный шланг (separator To Dlvy) - Hose, Fuel (separator To Dlvy) (Hose, fuel (separator to dlvy)) | | под заказ | 3410 руб. |
| 11 | 09401-11425-000 | Зажим - Clip (Clip) | | под заказ | 370 руб. |
| 12 | 09408-00121-000 | Струбцина - Clamp (Clamp) | | под заказ | 220 руб. |
| 13 | 09408-00155-000 | Струбцина - Clamp (Хомут) | | под заказ | 260 руб. |
Время выполнения запроса 0.69252490997314 сек. |
|