| |
 |
|
 |
Вернуться к выбору узлов мотора
ДЕТАЛИРОВКА ДЛЯ МОДЕЛИ: SUZUKI DF50ATL/DF50ATHL FROM 05003F-310001~ (E01)
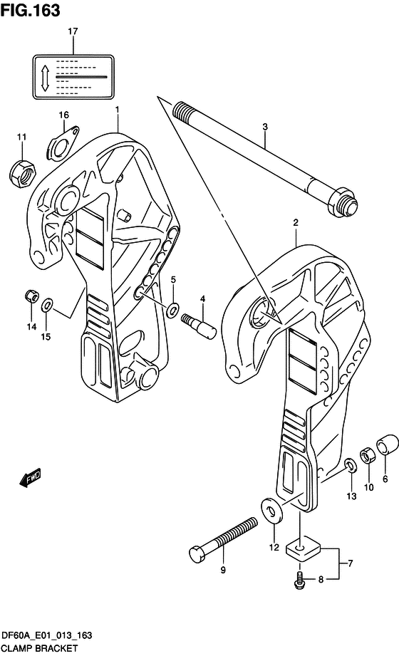
Кронштейн транца
Код модели двигателя: DF50AQHS/L; DF50AT(H)S/L
Год выпуска двигателя: 2013
Регион: General Export No.1 ,Код региона: P01
Цвет: Shadow Black Metallic
Номер на рисунке | Артикул | Наименование | QTY | Кол-во на складе | Цена |
| 1 | 41111-89J21-0EP | Кронштейн правого зажима - Bracket, Clamp Stbd (Bracket, clamp stbd) | | под заказ | 36720 руб. |
| 2 | 41121-89J15-0EP | Кронштейн левого зажима - Bracket, Clamp Port (Bracket, clamp port) | | под заказ | 36720 руб. |
| 3 | 41130-87J11-000 | Труба кронштейна транца - Shaft, Clamp Bracket (Shaft, clamp bracket) | | под заказ | 15460 руб. |
| 4 | 45421-89J00-000 | Штифт блокировки наклона - Pin, Tilt Lock (Штифт гидроподъемника) | | 1 шт | 2070 руб. |
| 5 | 09160-12066-000 | Шайба (12.5x22x2.5) - Washer (125x22x25) (Washer (12.5x22x2.5) # ) (Шайба) | | 19 шт | 150 руб. |
| 6 | 41153-94500-000 | Колпачок транцевого болта - Cap, Transom Bolt (Крышка) | | 2 шт | 370 руб. |
| 7 | 55320-95311-000 | Защитный цинковый анод - Zinc Set, Protection (Протектор цинковый) | | 17 шт | 1320 руб. |
| 8 | 09116-06236-000 | Болт (6x16) - Bolt (6x16) (Bolt, 6x16) | | под заказ | 170 руб. |
| 9 | 09100-12091-000 | Болт (12x115) - Bolt (12x115) (OPT # ) (Bolt (12x115, pitch:1.25)) | | 21 шт | 1530 руб. |
| 9 | 09100-12093-000 | Болт (12x100) - Bolt (12x100) (Bolt (12x100, pitch:1.25)) | | 6 шт | 1330 руб. |
| 10 | 09159-12014-000 | Гайка - Nut (Гайка) | | 18 шт | 370 руб. |
| 11 | 09159-22006-000 | Гайка - Nut (Гайка) | | 8 шт | 1950 руб. |
| 12 | 09160-12044-000 | Шайба (12.5x35x3.2) - Washer (125x35x32) (Washer (12.5x35x3.2) # ) (Шайба) | | 12 шт | 260 руб. |
| 13 | 09160-12110-000 | Шайба (12.5x22x3) - Washer (125x22x3) (Шайба) | | 6 шт | 370 руб. |
| 14 | 09159-10050-000 | Гайка - Nut (Гайка) | | 8 шт | 250 руб. |
| 15 | 09160-10082-000 | Шайба (10.5x19x2) - Washer (105x19x2) (Washer # ) (Gasket (10.5x19x2)) | | 19 шт | 120 руб. |
| 16 | 41135-93J00-000 | Шайба кронштейна вала транца - Washer, Clamp Bracket Shaft (Шайба вала) | | под заказ | 610 руб. |
| 17 | 43241-87J00-000 | Маркировка, Release Рычаг - Mark, Release Lever (Mark, release lever # ) (Маркировка ручки) | | под заказ | 360 руб. |
Время выполнения запроса 0.82740306854248 сек. |
|