| |
 |
|
 |
Вернуться к выбору узлов мотора
ДЕТАЛИРОВКА ДЛЯ МОДЕЛИ: SUZUKI DF50AT FROM 05003F-310001~ (E03)
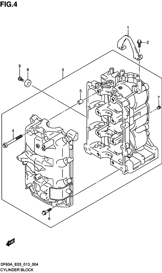
Блок цилиндра
Код модели двигателя: DF50AQHS/L; DF50AT(H)S/L
Год выпуска двигателя: 2013
Регион: USA ,Код региона: P03
Цвет: Shadow Black Metallic
Номер на рисунке | Артикул | Наименование | QTY | Кол-во на складе | Цена |
| 1 | 11291-88L00-000 | Крюк двигателя - Hook, Engine (Hook, engine) | | 2 шт | 1460 руб. |
| 2 | 01550-08207-000 | Болт - Bolt (Bolt) | | 10 шт | 240 руб. |
| 3 | 11301-88L00-000 | Блок цилиндра - Block Set, Cylinder | | под заказ | 274080 руб. |
| 3 | 11301-88L10-000 | (актуальный код замены) Блок цилиндра - Block Set, Cylinder | | под заказ | 274080 руб. |
| 3 | 11301-88L10-000 | Блок цилиндра - Block Set, Cylinder (BLOCK SET, CYLINDER) | | под заказ | 274080 руб. |
| 4 | 11117-89J20-000 | Внутренний болт картера двигателя - Bolt, Crankcase Inside (Bolt, crankcase inside) | | под заказ | 590 руб. |
| 5 | 09206-13019-000 | Штифт (10.4x13x16) - Pin (104x13x16) (Стопор) | | под заказ | 180 руб. |
| 6 | 01550-08407-000 | Болт - Bolt (Болт 8 X 40) | | под заказ | 260 руб. |
| 7 | 11112-88L00-000 | Заглушка масляной трубки Вентури - Plug, Oil Venturi (Plug, oil venturi) | | под заказ | 480 руб. |
| 8 | 55321-87J00-000 | Защитный анод - Anode, Protection (Протекторная защита) | | 1 шт | 750 руб. |
| 8 | 55321-87J01-000 | (актуальный код замены) Защитный анод - Anode, Protection | | под заказ | 850 руб. |
| 8 | SMO-55321-87J01-000 | (не оригинальный аналог) Защитный анод SMO-55321-87J01-000 (оригинал) | | под заказ | 590 руб. |
| 8 | SMO-55321-87J01-000 | (аналог) Защитный анод SMO-55321-87J01-000 (оригинал) - код 55321-87J01-000 | | под заказ шт | 585 руб. |
| 9 | 09103-06281-000 | Болт (6x14) - Bolt (6x14) (Bolt, protection anode # ) (Bolt) | | 6 шт | 270 руб. |
Время выполнения запроса 0.75734186172485 сек. |
|