| |
 |
|
 |
Вернуться к выбору узлов мотора
ДЕТАЛИРОВКА ДЛЯ МОДЕЛИ: SUZUKI DF50AVT/DF50AVTH FROM 05004F-410001~ (E01)
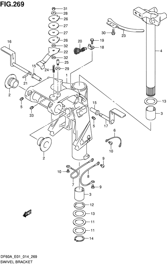
Поворотный кронштейн
Код модели двигателя: DF50AVT(H)L/XL
Год выпуска двигателя: 2014
Регион: General Export No.1 ,Код региона: P01
Цвет: Shadow Black Metallic
Номер на рисунке | Артикул | Наименование | QTY | Кол-во на складе | Цена |
| 1 | 43111-88L21-0EP | Поворотный кронштейн - Bracket, Swivel (Bracket, swivel (l) (black)) | | под заказ | 104640 руб. |
| 2 | 43211-87J00-000 | Втулка поворотного кронштейна - Bush, Swivel Bracket (Втулка шарнирного соединения) | | 10 шт | 1020 руб. |
| 3 | 43711-89J10-000 | Втулка рулевой системы - Bush, Steering (Втулка управления) | | 19 шт | 1430 руб. |
| 4 | 43750-88L21-0EP | Кронштейн рулевого управления (чёрный) - Bracket, Steering (black) (Bracket, steering) | | под заказ | 57120 руб. |
| 4 | 43750-88L22-0EP | (актуальный код замены) Кронштейн, Strg (l, X) (чёрный) - Bracket, Strg (l, X) (black) | | под заказ | 57120 руб. |
| 5 | 22511-99011-000 | Ниппель смазки - Nipple, Grease (Ниппель) | | 4 шт | 400 руб. |
| 6 | 36894-95201-000 | Lead (l: 165) - Lead (l:165) (Провод) | | под заказ | 1170 руб. |
| 7 | 36895-87D01-000 | Lead (l: 210) - Lead (l:210) (Провод) | | 1 шт | 1420 руб. |
| 8 | 36895-87D01-000 | Lead (l: 210) - Lead (l:210) (Провод) | | 1 шт | 1420 руб. |
| 9 | 09125-06063-000 | Винт (6x10) - Screw (6x10) (Винт 6X10 (SUS)) | | 6 шт | 190 руб. |
| 10 | 09125-05050-000 | Винт (5x8) - Screw (5x8) (Винт 5X8) | | под заказ | 150 руб. |
| 11 | 09160-39003-000 | Шайба (39.5x58x0.3) - Washer (395x58x03) (Шайба) | | 6 шт | 390 руб. |
| 12 | 09282-39001-000 | Сальник (39x51x5) - Seal, Oil (39x51x5) (Seal, oil # ) (Сальник 39X51X) | | 10 шт | 720 руб. |
| 13 | 09160-39002-000 | Шайба (39.5x58x1) - Washer (395x58x1) (Шайба) | | 25 шт | 390 руб. |
| 14 | 09380-38003-000 | Стопорное кольцо - Circlip (Circlip) | | 4 шт | 670 руб. |
| 15 | 41226-97E00-000 | Втулка рычаша блокировки наклона - Bush, Tilt Lock Lever (Bush, tilt lock lever # ) (Втулка ручки блокировки) | | 2 шт | 490 руб. |
| 16 | 41270-89J10-0EP | Правый рычаг блокировки наклона - Lever, Tilt Lock Stbd | | под заказ | 4280 руб. |
| 16 | 41270-89J11-000 | (актуальный код замены) Правый рычаг блокировки наклона - Lever, Tilt Lock Stbd | | под заказ | 4280 руб. |
| 17 | 41280-89J04-0EP | Левый рычаг блокировки наклона - Lever, Tilt Lock Port (Lever, tilt lock port) | | под заказ | 3630 руб. |
| 17 | 41280-89J04-000 | (актуальный код замены) Левый рычаг блокировки наклона - Lever, Tilt Lock Port | | под заказ | 3630 руб. |
| 18 | 45731-96312-000 | Кронштейн, Пружина - Bracket, Spring (Bracket, spring) | | под заказ | 530 руб. |
| 19 | 09116-06236-000 | Болт (6x16) - Bolt (6x16) (Bolt, 6x16) | | под заказ | 170 руб. |
| 20 | 41230-97E10-000 | Пружина фиксатора наклона - Spring, Tilt Lock (Spring, tilt lock # ) (Пружина) | | под заказ | 2280 руб. |
| 21 | 09205-03012-000 | Стопор пружины (3x16) - Pin, Spring (3x16) (Pin, gear # ) (Штифт L:16) | | 12 шт | 190 руб. |
| 22 | 43411-88L00-000 | Регулировка рулевой системы - Adjuster, Steering (Adjuster, steering) | | под заказ | 2960 руб. |
| 22 | 43411-88L02-000 | (актуальный код замены) Регулировка рулевой системы - Adjuster, Steering | | под заказ | 2960 руб. |
| 23 | 43415-88L00-000 | Пластина рулевого управления Регулятор - Plate, Steering Adjuster (Plate, steering adjuster) | | под заказ | 3220 руб. |
| 24 | 43512-88L00-000 | Резьбовой вал регулировки рулевого управления - Shaft, Strg Adjuster Thread (Shaft, strg adj thread) | | под заказ | 1900 руб. |
| 25 | 43513-88L00-000 | Болт регулировки рулевого управления - Bolt, Steering Adjuster (Bolt, steering adjuster) | | под заказ | 1150 руб. |
| 26 | 43514-88L00-000 | Пластина фрикциона регулировки рулевого управления - Plate, Strg Adjuster Friction (Plate, strg adjuster friction) | | под заказ | 740 руб. |
| 27 | 43515-88L00-000 | Шайба фрикциона регулировки рулевой системы Пластина - Washer, Strg Adj Friction Plate (Washer, strg adj friction plate) | | 4 шт | 1820 руб. |
| 28 | 43516-88L00-000 | Шайба фрикциона регулировки рулевого управления - Washer, Strg Adjuster Friction (Washer, strg adjuster friction) | | под заказ | 580 руб. |
| 29 | 43517-88L00-000 | Проставка регулятора рулевой системы - Spacer, Steering Adjuster (Spacer, steering adjuster) | | под заказ | 600 руб. |
| 30 | 09116-06237-000 | Болт (6x15) - Bolt (6x15) (Bolt (6x15)) | | под заказ | 230 руб. |
| 31 | 09159-08059-000 | Гайка - Nut (Nut, clutch lever # ) (Гайка) | | 13 шт | 390 руб. |
| 32 | 09161-08011-000 | Шайба (8.2x18x1.2) - Washer (82x18x12) (Washer (8.2x18x1.2) # ) (Washer 8.2 x18x) | | под заказ | 150 руб. |
| 33 | 22511-99011-000 | Ниппель смазки - Nipple, Grease (Ниппель) | | 4 шт | 400 руб. |
Время выполнения запроса 2.9442498683929 сек. |
|