Подобрать оригинальные запчасти на мотор Сузуки DF50AQHS/L; DF50AT(H)S/L - Transmission / Трансмиссия
вконтакте

Контактный телефон: +7 (981) 121-46-93, +7 (800) 200-90-76 , Email: parts-katalog@yandex.ru, где купить

 
 

  Логин:

Пароль:

Регистрация

www.partskatalog.ru Все каталоги Запчасти Mercury Запчасти Suzuki Запчасти Tohatsu Запчасти Honda Контакты



УВАЖАЕМЫЕ КЛИЕНТЫ!
C 19 ДЕКАБРЯ 2025 ПО 02 МАРТА 2026 ГОДА ОТДЕЛ ЗАПЧАСТЕЙ И СЕРВИС РАБОТАТЬ НЕ БУДУТ
ПРОДАЖА ЛОДОЧНЫХ МОТОРОВ В ШТАТНОМ РЕЖИМЕ
ОБ ИЗМЕНЕНИЯХ В ГРАФИКЕ РАБОТЫ ЧИТАЙТЕ НА САЙТА



назад Раздел:   вперёд

Вернуться к выбору узлов мотора


ДЕТАЛИРОВКА ДЛЯ МОДЕЛИ: SUZUKI DF50ATL/DF50ATHL FROM 05003F-410001~ (E01)

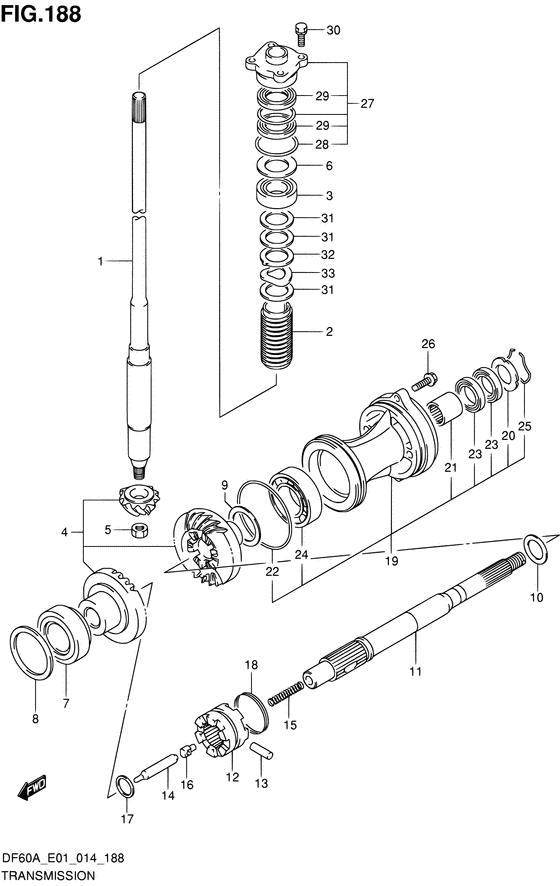
Трансмиссия


Код модели двигателя: DF50AQHS/L; DF50AT(H)S/L

Год выпуска двигателя: 2014

Регион: General Export No.1 ,Код региона: P01

Цвет: Shadow Black Metallic

Номер на
рисунке
АртикулНаименованиеQTYКол-во
на складе
Цена
157110-88L30-000

Вал привода (l) - Shaft, Drive (l) (W/TRANSOM (L) # ) (Shaft, drive (l))

под заказ36000 руб.
157110-88L40-000

Вал привода (x) - Shaft, Drive (x) (W/TRANSOM (X) # ) (Shaft, drive (x))

под заказ41280 руб.
257133-90J02-000

Воротник приводного вала - Collar, Drive Shaft (Collar, drive shaft)

6 шт1480 руб.
309265-25046-000

Подшипник (25x52x19.25) - Bearing (25x52x1925) (Bearing (25x52x19.25))

10 шт7810 руб.
332205XRKOYO

   (подбор по маркировке) Подшипник KOYO 32205XR(25*52*18 мм)

под заказ725 руб.
457300-99824-000

Комплект шестерёнок - Pinion & Gear Set (Pinion & gear set)

2 шт60480 руб.
509140-14024-000

Гайка - Nut (Гайка)

18 шт270 руб.
609181-40186-000

Регулировочная шайба (41x52x0.5) - Shim (41x52x05) (Shim (t:0.50) # ) (Shim)

7 шт280 руб.
609181-41002-000

Регулировочная шайба (41x52x0.55) - Shim (41x52x055) (Shim (t:0.55))

под заказ470 руб.
609181-41003-000

Регулировочная шайба (41x52x0.6) - Shim (41x52x06) (Shim (t:0.60) # ) (Шайба 41X52X0.6)

2 шт470 руб.
609181-41004-000

Регулировочная шайба (41x52x0.65) - Shim (41x52x065) (Shim (t:0.65) # ) (Шайба 41X52X0.65)

17 шт470 руб.
609181-41005-000

Регулировочная шайба (41x52x0.7) - Shim (41x52x07) (Shim (t:0.70) # ) (Шайба 41X52X0.7)

7 шт470 руб.
609181-41006-000

Регулировочная шайба (41x52x0.75) - Shim (41x52x075) (Shim (t:0.75) # ) (Шайба 41X52X0.75)

9 шт470 руб.
609181-40190-000

Регулировочная шайба (40x52x0.8) - Shim (40x52x08) (Shim (t:0.80) # ) (Шайба T:0.8)

4 шт280 руб.
609181-41008-000

Регулировочная шайба (41x52x0.85) - Shim (41x52x085) (Shim (t:0.85) # ) (Шайба 41X52X0.85)

под заказ470 руб.
609181-41009-000

Регулировочная шайба (41x52x0.9) - Shim (41x52x09) (Shim (t:0.90) # ) (Шайба 41X52X0.9)

под заказ470 руб.
609181-41010-000

Регулировочная шайба (41x52x0.95) - Shim (41x52x095) (Shim (t:0.95) # ) (Шайба 41X52X0.95)

под заказ470 руб.
609181-40195-000

Регулировочная шайба (40x52x1) - Shim (40x52x1) (Shim (t:1.00) # ) (Шайба T:1.0)

11 шт420 руб.
609181-41012-000

Регулировочная шайба (41x52x1.05) - Shim (41x52x105) (Shim (t:1.05) # ) (Шайба 41X52X1.05)

под заказ470 руб.
609181-41013-000

Регулировочная шайба (41x52x1.1) - Shim (41x52x11) (Shim (t:1.10) # ) (Шайба 41X52X1.1)

под заказ470 руб.
609181-41014-000

Регулировочная шайба (41x52x1.15) - Shim (41x52x115) (Shim (t:1.15) # ) (Шайба 41X52X1.15)

под заказ470 руб.
709265-50003-000

Подшипник (50x85x26) - Bearing (50x85x26) (PART OF GEAR CASE # ) (Bearing)

3 шт13400 руб.
733110JRYA2KOYO

   (подбор по маркировке) Подшипник KOYO 33110JRYA2(50*85*26 мм)

под заказ2475 руб.
809181-50020-000

Регулировочная шайба (50x65x0.45) - Shim (50x65x045) (Shim (t:0.45))

17 шт370 руб.
809181-50021-000

Регулировочная шайба (50x65x0.5) - Shim (50x65x05) (Shim (t:0.50))

9 шт370 руб.
809181-50022-000

Регулировочная шайба (50x65x0.55) - Shim (50x65x055) (Shim (t:0.55))

21 шт370 руб.
809181-50023-000

Регулировочная шайба (50x65x0.6) - Shim (50x65x06) (Shim (t:0.60))

10 шт370 руб.
809181-50024-000

Регулировочная шайба (50x65x0.65) - Shim (50x65x065) (Shim (t:0.65) # ) (Shim (t:0.70))

11 шт370 руб.
809181-50025-000

Регулировочная шайба (50x65x0.7) - Shim (50x65x07) (Shim (t:0.70) # ) (Shim (t:0.75))

20 шт370 руб.
809181-50026-000

Регулировочная шайба (50x65x0.75) - Shim (50x65x075) (Shim (t:0.75) # ) (Shim (t:0.80))

12 шт370 руб.
809181-50027-000

Регулировочная шайба (50x65x0.8) - Shim (50x65x08) (Shim (t:0.80) # ) (Shim (t:0.85))

13 шт370 руб.
809181-50028-000

Регулировочная шайба (50x65x0.85) - Shim (50x65x085) (Shim (t:0.85) # ) (Shim (t:0.90))

5 шт370 руб.
809181-50029-000

Регулировочная шайба (50x65x0.95) - Shim (50x65x095) (Shim (t:0.90) # ) (Shim (t:0.95))

13 шт480 руб.
909181-45003-000

Регулировочная шайба (45x56x1) - Shim (45x56x1) (Shim (t:1.0) # ) (Shim)

8 шт370 руб.
909181-45004-000

Регулировочная шайба (45x56x1.1) - Shim (45x56x11) (Shim (t:1.1) # ) (Shim)

8 шт350 руб.
909181-45005-000

Регулировочная шайба (45x56x1.2) - Shim (45x56x12) (Shim (t:1.2) # ) (Shim)

6 шт350 руб.
909181-45006-000

Регулировочная шайба (45x56x1.3) - Shim (45x56x13) (Shim (t:1.3) # ) (Shim)

9 шт370 руб.
909181-45007-000

Регулировочная шайба (45x56x1.4) - Shim (45x56x14) (Shim (t:1.4) # ) (Shim)

4 шт350 руб.
909181-45008-000

Регулировочная шайба (45x56x1.5) - Shim (45x56x15) (Shim (t:1.5) # ) (Shim)

19 шт370 руб.
909181-45009-000

Регулировочная шайба (45x56x1.6) - Shim (45x56x16) (Shim (t:1.6) # ) (Shim)

5 шт350 руб.
1009181-28015-000

Регулировочная шайба (28x33.5x0.9) - Shim (28x335x09) (Shim (t:1.5) # ) (Шайба T:0.9)

2 шт340 руб.
1009181-28016-000

Регулировочная шайба (28x33.5x1) - Shim (28x335x1) (Шайба T:1.0)

7 шт340 руб.
1009181-28017-000

Регулировочная шайба (28x33.5x1.2) - Shim (28x335x12) (Шайба T:1.2)

11 шт340 руб.
1009181-28018-000

Регулировочная шайба (28x33.5x1.3) - Shim (28x335x13) (Шайба T:1.3)

5 шт340 руб.
1009181-28019-000

Регулировочная шайба (28x33.5x1.4) - Shim (28x335x14) (Шайба T:1.4)

11 шт340 руб.
1009181-28020-000

Регулировочная шайба (28x33.5x1.6) - Shim (28x335x16) (Шайба T:1.6)

4 шт340 руб.
1157610-88L10-000

Вал гребного винта - Shaft, Propeller (Shaft, propeller)

под заказ22560 руб.
1257621-88L00-000

Переключатель собачки сцепления - Shifter, Clutch Dog (SHIFTER, CLUTCH DOG)

под заказ11960 руб.
1309202-07002-000

Штифт (7x48) - Pin (7x48) (Pin)

9 шт480 руб.
1457631-99E01-000

Тяга толкателя - Rod, Push (Rod, push)

под заказ5280 руб.
1509440-11020-000

Пружина - Spring (Пружина)

под заказ220 руб.
1609209-12007-000

Штифт - Pin (Pin)

15 шт460 руб.
1709181-25030-000

Регулировочная шайба (25x32x3) - Shim (25x32x3) (Shim)

8 шт350 руб.
1809440-49004-000

Пружина - Spring (Пружина)

10 шт270 руб.
1956120-90J02-0EP

Корпус, Вал гребного винта (чёрный) - Housing, Propeller Shaft (black) (Обойма гребного вала (чёрный))

4 шт49440 руб.
2056123-90J00-000

Шайба, Сальник Protecter - Washer, Oil Seal Protecter (Шайба, масляная помпа, протектор)

под заказ860 руб.
2109263-28047-000

Подшипник (28x37x30) - Bearing (28x37x30) (Bearing, 28x37x30)

10 шт4860 руб.
217EHMK2830NTN

   (подбор по маркировке) Подшипник NTN 7E-HMK 2830(28*37*30 мм)

под заказ0
2209280-97001-000

Уплотнительное кольцо (d: 3.5, Id: 95) - O Ring (d:35, Id:95) (O ring (d:3.5, id:95.0) # ) (O ring)

7 шт390 руб.
2309282-28002-000

Сальник (28x50x6) - Seal, Oil (28x50x6) (Сальник)

110 шт720 руб.
2408113-62090-000

Подшипник - Bearing (Bearing # ) (Подшипник B1 45X85X19)

35 шт5860 руб.
24HQ6209LLUC3KYK

   (подбор по маркировке) Подшипник KYK HQ6209LLUC3(45*85*19 мм)

под заказ1400 руб.
2509387-52001-000

Установочное кольцо - Set, Ring (Комплект колец)

9 шт290 руб.
2609116-08122-000

Болт (8x30) - Bolt (8x30) (Bolt (8x30))

8 шт350 руб.
2756130-87E00-000

Корпус вала передачи Сальник - Housing, Drive Shaft Oil Seal (Housing # ) (Корпус)

под заказ8840 руб.
2809280-46004-000

Уплотнительное кольцо (d: 3.5, Id: 45.7) - O Ring (d:35, Id:457) (Кольцо D:3.5 ID)

4 шт300 руб.
28SK09280-46004

   (не оригинальный аналог) Кольцо уплотнительное ведущего вала Skipper для Suzuki Модель техники: DF60-70, DF90-140, DF40A-DF140A

0 шт64 руб.
2909282-22007-000

Сальник (22x36x6) - Seal, Oil (22x36x6) (Seal, oil # ) (Сальник)

76 шт1180 руб.
3009117-08110-000

Болт (8x25) - Bolt (8x25) (Bolt (8x25))

под заказ400 руб.
3109181-31001-000

Регулировочная шайба (31x46x2) - Shim (31x46x2) (Шайба)

41 шт420 руб.
3209169-31001-000

Шайба - Washer (Шайба)

4 шт430 руб.
3309164-31001-000

Шайба - Washer (Шайба)

176 шт450 руб.


Время выполнения запроса 2.0046510696411 сек.

 
 

данный сайт носит информационный характер и не является публичной офертой

склад запчастей для водомоторной техники